שלום,
בחלק העליון של הטנק דלק בצד הנגדי לפיית התדלוק קימות 2 יציאות, אצלי כרגע זה חסום ע"י צינור מקופל, לאן זה אמור להיות מחובר? כדאי להתעסק עם זה או להשאיר את זה ככה?
תודה!
Printable View
שלום,
בחלק העליון של הטנק דלק בצד הנגדי לפיית התדלוק קימות 2 יציאות, אצלי כרגע זה חסום ע"י צינור מקופל, לאן זה אמור להיות מחובר? כדאי להתעסק עם זה או להשאיר את זה ככה?
תודה!
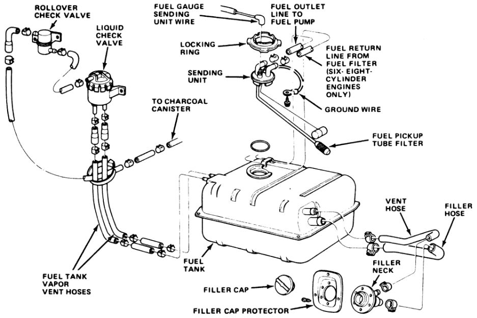
זה אמור להתחבר למיכל חיצוני סגור.
תפקידו הוא לצנן את אדי הדלק המתאדים מהמיכל כך שיהפכו חזרה לנוזל ולהחזירם למיכל הדלק.
אם שני הצינורות יהיו אטומים, ביום חם ברכב עומד עלול להווצר לחץ חיובי במיכל הדלק.
בתנאי כמובן שהוא והצינורות המתחברים אליו באמת אטומים (ולא כמו רוב המכלים הישנים שדולפים לכל הכיוונים).
אפשרות אחרת שזה ייצא דרך הקרבורטור (שבמקור גם הוא אמור להיות אטום, מעשית בארץ הוא לרוב פתוח).
כל הרעיון, לא לפלוט אדי גז דלק בזמן שהגיפ עומד. רע מאוד לסביבה.
בהמשך למוני... זה מה אמור להיות.
קובץ מצורף 113961
ברוב הCJים זה מבוטל מזמן. בCJ שלי פירקתי הן את הliquid check valve שישבה ליד מיכל הדלק בפינה האחורית שמאלית והן את הCharcoal Canister שיושבת בתא המנוע, על קיר האש, בצד הנהג. שתיהן לא היו מחוברות לכלום. זה חלק מהמערכות הפרימטיביות למניעת זיהום אויר שהתחילו להכנס לCJ בסוף שנות ה70'. יש כמה ואריאציות במהלך השנים ונוסף על זה לך תדע מה כן או לא התקינו בנצרת בג'יפים. הישראלים.
תודה! בקיצור להשאיר את זה סגור כמו שזה היה עד עכשיו? או שיש רעיון יצירתי אחר?
כן, תשאיר את זה מבוטל.