ווסת לחץ ושעון שמן לא עובדים
משהו נתקל בבעייה ששעון לחץ ומנורה שמן הפסיקו לעבוד במכה?
גם בפתיחת סוויץ מנורת שמן לא עובדת ושעון הלחץ עובד טיפה הפוך.
נבדקו כמה דברים .
1-לוח שעונים פורק וניבדק מנורות
2 - פיוזים נבדקו
3- עשיתי גישור לקונקטור של הווסת לראות אם יש תגובה אך ללא הצלחה.
4- ניסיתי לעבור על הצמה לראות אם עוברת דרך המחשב אך ללא הצלחה
5 - קוד תקלות לא קיים (רק 56 שלא קשור )
מישהו קרה לו משהו כזה ופתר את זה ?
חשמל זה החולשה שלי :(
תגובה: ווסת לחץ ושעון שמן לא עובדים
נסעת במעבר מים/בוץ?
בדקת את היוניט שמעל הבית פילטר הגדול?
תגובה: ווסת לחץ ושעון שמן לא עובדים
מה קורה נדב?
אני לא חושב שזה קשור ליונית .
ניתקתי קונקטור ועשיתי גישור לבדיקה .
לא מגיב עדיין . וגם מנורה שמן לא דולקת גם בפתיחת סוויץ
ולא הבנתי למה יש גם 2 חוטים ביוניט . בדרך כלל יונית יש לה חוט 1 לא ?
תגובה: ווסת לחץ ושעון שמן לא עובדים
הכל טוב :-)
ניתקלתי בזה שהשעון לחץ שמן מראה לחץ גבוה מידי, זה היה קשור ליוניט תקולה, פעם אחת גם לחיווט שהיה חשוף בנקודה מסוימת, נטו קשור לחשמל, היוניט היא חשמלית ומפעיחה גם את השעון וגם את הנורה במקביל.
המנורת שמן בכלל לא נידלקת גם כשבדקת אותה בלוח עצמו?
איך זה קרה פתאומי או שהיתה איזה תופעה לפני?
נסה לחבר שעון לחץ שמן חיצוני במקום היוניט ולראות מה הלחץ האמיתי, תשווה למה שכתוב בספר.
תגובה: ווסת לחץ ושעון שמן לא עובדים
זה קרה פתאום
אני לא חושב שזה קשור ליונית כי עשיתי גישור ומשעון לא הגיב הכלל .
אם היה בעיית יונית הגישור היה מעלה את השעון למעלה
עדיין לא הבנתי למה יש 2 חוטים ליונית שברוב היוניטים יש חוט 1
תגובה: ווסת לחץ ושעון שמן לא עובדים
1 -איך אפשר לבדוק תקינות של יונית ?
יוצא ממנה 2 חוטים ( אם היה בעייה של לחץ שמן הרכב כבר מזמן היה עומד )
2- ואיך אפשר לבדוק תקינות של השעון ברכב ?
תגובה: ווסת לחץ ושעון שמן לא עובדים
אל תתבלבל, אין קשר בין לחץ שמן מנוע ללחץ שמן הזרקה, 2 מעגלים ניפרדים, אם לא היה לחץ שמן בהזרקה אז אתה צודק והוא לא היה מצליח להניע בכלל.
היוניט יושבת מעל הבית פילטר ועובדת על לחץ שמן, נדיר שגם השעון וגם המנורה לא מגיבים באותו זמן, ואם השעון מראה על לחץ גבוה מידי מעל ה 6 ויותר קרוב ל 15 ברור שמשהו לא תקין, מה שאני מכיר זה רק היוניט או החיווט שלה שנידפקים.
אם השעון והנורה בכלל לא מגיבים הייתי בודק לחץ שמן פיזי ע"י חיבור שעון מכאני במקום היוניט, מראה ערכים תקינים גם כשמנוע קר/חם? ממשיך לבדוק חיווט יוניט, לוח שעונים.
תגובה: ווסת לחץ ושעון שמן לא עובדים
My two cents
שאתה פותח את הסוויטש, תבדוק שבכלל מגיע מתח ליוניט.
בהנחה שהיוניט הוא זה שגם מדליק את הנורה, נתק חשמלי (במעגל הזה) , יגרום לשניהם לא לתפקד.
תגובה: ווסת לחץ ושעון שמן לא עובדים
ציטוט:
נכתב במקור על ידי
נדב ש.
אל תתבלבל, אין קשר בין לחץ שמן מנוע ללחץ שמן הזרקה, 2 מעגלים ניפרדים, אם לא היה לחץ שמן בהזרקה אז אתה צודק והוא לא היה מצליח להניע בכלל.
היוניט יושבת מעל הבית פילטר ועובדת על לחץ שמן, נדיר שגם השעון וגם המנורה לא מגיבים באותו זמן, ואם השעון מראה על לחץ גבוה מידי מעל ה 6 ויותר קרוב ל 15 ברור שמשהו לא תקין, מה שאני מכיר זה רק היוניט או החיווט שלה שנידפקים.
אם השעון והנורה בכלל לא מגיבים הייתי בודק לחץ שמן פיזי ע"י חיבור שעון מכאני במקום היוניט, מראה ערכים תקינים גם כשמנוע קר/חם? ממשיך לבדוק חיווט יוניט, לוח שעונים.
נדב אני מכיר את המערכת מעולה . אני לא מתבלבל פשוט חשמל זה לא התחום שלי ,
אני פשוט מנסה להבין איך קורה שגם השעון וגם המנורה לא עובדים , אני רוצה פשוט להפעיל את השעון פיזית ע"י גישור לראות שמגיב אבל זה לא הולך כמו ברכבים אחרים כנראה .
תגובה: ווסת לחץ ושעון שמן לא עובדים
גם השעון וגם הנורה מופעלים ביחד ע"י היוניט.
1 קבצים מצורפים
תגובה: ווסת לחץ ושעון שמן לא עובדים
אתם מעצבנים, אתם :-)
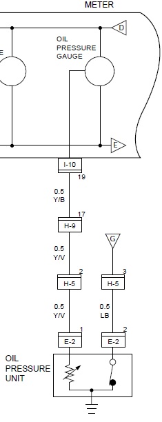
גם השעון, וגם המד שמן מקבלים את האפס (גוף) מהיוניט (ושניהם מקבלים פלוס, מאותו מקום, (fuse C-10) יחד עם שאר הנורות בדשבורד).
בהנחה ששאר הנורות (והספידומטר וכו' ) עובדים לך, זה נראה כאילו החיבור של היוניט לגוף נדפק.
יש לך שני חוטים, כי אחד הולך לנורה ואחד הולך לשעון, אין מה לגשר בינהם.
אתה צריך לגשר בין כל אחד מהם, לגוף! (לחוד).
באחד אמורה הנורה להדלק, ובשני הלחץ שמן יעלה לשמיים (תזהר, תעשה בדיקה קצרה).
קובץ מצורף 118637
תגובה: ווסת לחץ ושעון שמן לא עובדים
או
זה מה שרציתי לשמוע
זאת אומרת שם עובד הגישור לגוף אז הבעייה היונית
ואם לא אז יש בעייה של נתק מינוס באיזה שהוא מקום כי שנייהם לא עובדים
תקן אותי אם אני טועה ?
ד"א מהחוט מגיע מתח + ?
אם כן כמה צריך ליהיות בקונקטור ?
תגובה: ווסת לחץ ושעון שמן לא עובדים
ציטוט:
נכתב במקור על ידי
nlior
או
זה מה שרציתי לשמוע
זאת אומרת שם עובד הגישור לגוף אז הבעייה היונית
ואם לא אז יש בעייה של נתק מינוס באיזה שהוא מקום כי שנייהם לא עובדים
תקן אותי אם אני טועה ?
ד"א מהחוט מגיע מתח + ?
אם כן כמה צריך ליהיות בקונקטור ?
1- היוניט מקבל את המינוס מהגוף של המנוע (ואם מינוס של המנוע היה מנותק, אז גם דברים אחרים היו "קופצים" לך, ולכן אני מניח שלמנוע יש מינוס).
2- בשני החוטים יגיע +. שאתה מודד עם מד מתח (שיש לו התנגדות גבוהה - אין סופית), החוט של הנורה צריך להראות 12V וגם השעון קרוב לזה.
קצר אותם לגוף ותראה עם המנורה נדלקת. אם נדלקת (והשעון עולה) היוניט הלך.
אם אתה לבד, ויש לך בעיה לקצר, ולראות בו זמנית, תעביר את המד מתח, למצב של זרם, ותחבר אותו בין כל אחד מהחוטים (בתורו) לגוף.
תגובה: ווסת לחץ ושעון שמן לא עובדים
תגובה: ווסת לחץ ושעון שמן לא עובדים
שמתי לב עכשיו שאני פותח סוויץ השעון עושה פעולה הפוכה ( יורד טיפה )
וכשאני מכבה הוא חוזר ל0 שלו
תגובה: ווסת לחץ ושעון שמן לא עובדים
[
טוב אחרי בדיקה נמצאה הנבלה .
יונית לא תקינה .
תודה על העזרה .
יד אפשרות לשים חילופי?
המקורי אשש במחיר
תגובה: ווסת לחץ ושעון שמן לא עובדים
אין חליפי לדעתי.
צריך להיות לי משומש תקין, אם אתה מעוניין אני יבדוק.
תגובה: ווסת לחץ ושעון שמן לא עובדים
נדב
כמה צריך לעלות משומש ?
תגובה: ווסת לחץ ושעון שמן לא עובדים
בדרך כלל עד חצי מחיר מחדש...
תגובה: ווסת לחץ ושעון שמן לא עובדים
אני חייב להעיר משהו קטן - יוניט - לא יודע מה התרגום של זה אבל בעברית אתם מדברים על חיישן, חיישן זה הוא ולא היא ולכן יוניט תקין או מקולקל ולא תקינה או מקולקלת...
שיגעתם אותי עם זה :p