רעשים מכיוון גלגל שמאלי קדמי - טרופר בנזין 96
מפה לשם התחילו רעשים מכיוון הגלגל השמאלי הקדמי של הטרופר.
באו, הלכו, באו, הלכו.
מגיע למוסך - הכל פיקס. עושה חצי שעה סיבוב - שום דבר.
חוזר הביתה - רעשים של ברזלים, משהו זוועה.
פרקתי גלגל שמאלי קדמי, התחלתי לשחק קדימה אחורה, פתאום מגיע לנקודה שנתקע.
ראו סרטון:
https://youtu.be/BmsFr7uJ7SM
המוסכניק פחות מתלהב לטפל, בעיה להשיג חלקים, רכב ישן, וכו'...
פה אני צריך את עזרתכם.
כנראה שהלך אחד החלקים לכיוון הדיפרנציאל ( ובשאיפה, לא הדיפרנציאל. בכל מקרה צד ימין תקין).
אילו חלקים אני צריך להזמין מהתרשים?
אולי משהו אחר בכלל?
https://uploads.tapatalk-cdn.com/201...7003019de4.jpghttps://uploads.tapatalk-cdn.com/201...2a8575f9cf.jpg
Sent from my ONEPLUS A5000 using Tapatalk
תגובה: רעשים מכיוון גלגל שמאלי קדמי - טרופר בנזין 96
האם יש יחידת שילוב על הסרן (add) או שזהו סרן שהגיע במקור עם לוקרים ?
אם יש יחידת שילוב, בדוק את מצב השמן בתוכה.
היחידה משתמשת בשמן 80-90 כמו הדיפרנציאל אבל בחלל נפרד משמן הסרן.
יש סיכוי יותר מסביר, שאף אחד, מעולם, לא פתח ובדק את השמן הזה או החליף אותו. (פחות מחצי ליטר ).
ניתן לפתוח את היחידה ולבדוק מה המצב שם.
ראיתי יחידה כזו יבשה לחלוטין שגלגל השיניים המשלב נשרף לגמרי ושינה צבע לכחול.
תתחיל מהבדיקה הזו ותתקדם.
בברכה, טושי
תגובה: רעשים מכיוון גלגל שמאלי קדמי - טרופר בנזין 96
אין לוקרים.
יש ידית אחת מ2/4 ל4/4 high ואז ל4/4 low.
איפה נמצאת היחידה עם השמן?
Sent from my ONEPLUS A5000 using Tapatalk
תגובה: רעשים מכיוון גלגל שמאלי קדמי - טרופר בנזין 96
ציטוט:
נכתב במקור על ידי
tooshey
האם יש יחידת שילוב על הסרן (add) או שזהו סרן שהגיע במקור עם לוקרים ?
אם יש יחידת שילוב, בדוק את מצב השמן בתוכה.
היחידה משתמשת בשמן 80-90 כמו הדיפרנציאל אבל בחלל נפרד משמן הסרן.
יש סיכוי יותר מסביר, שאף אחד, מעולם, לא פתח ובדק את השמן הזה או החליף אותו. (פחות מחצי ליטר ).
ניתן לפתוח את היחידה ולבדוק מה המצב שם.
ראיתי יחידה כזו יבשה לחלוטין שגלגל השיניים המשלב נשרף לגמרי ושינה צבע לכחול.
תתחיל מהבדיקה הזו ותתקדם.
בברכה, טושי
+1.
תפרק את יחידת השילוב(4 ברגים של המשלב) ובדוק מה המצב שם.
יש לי סרן כזה מפורק של דיזל 2004, למעט יחסי העברה שהם שונים, אם שאר החלקים מתאימים לך צור קשר.
תגובה: רעשים מכיוון גלגל שמאלי קדמי - טרופר בנזין 96
ציטוט:
נכתב במקור על ידי
amitaikl
אין לוקרים.
יש ידית אחת מ2/4 ל4/4 high ואז ל4/4 low.
איפה נמצאת היחידה עם השמן?
Sent from my ONEPLUS A5000 using Tapatalk
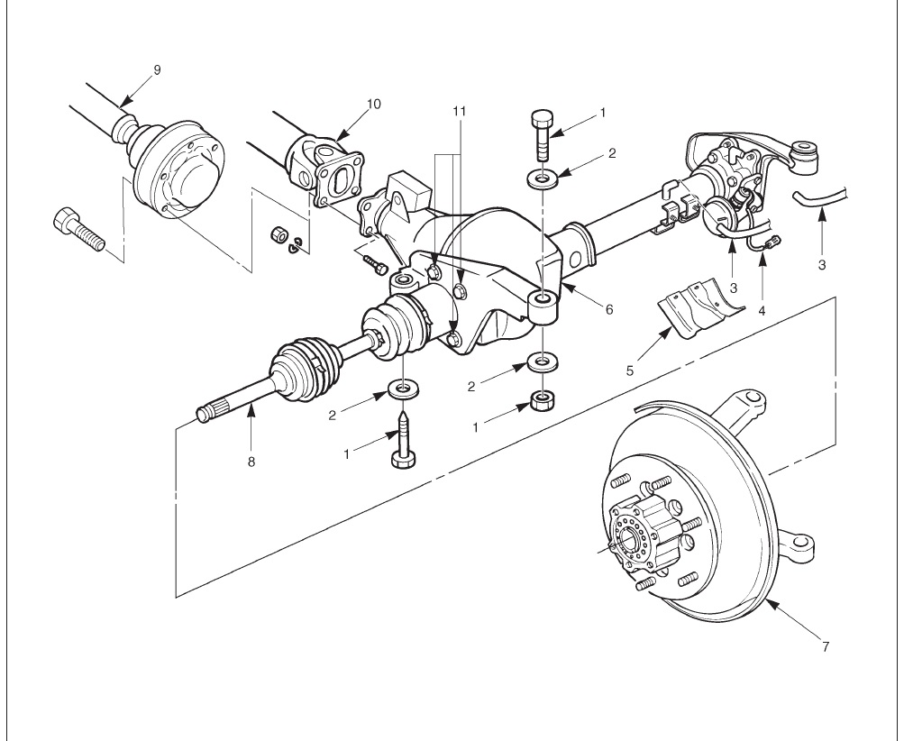
לוקרים / add - סרן קדמי.
ידית שילוב - טרנספר.
תסתכל על הסרן הקדמי בצד הנהג, לא תפספס אותה.
בשרטוט שצרפת חלקים מס 7, 26 וכל מה שבתוכם.
ה add מופעל ואקום בעזרת שני סולנואידים המקבלים פיקוד מיוניט 4x4 בטרנספר.
מערכת מטופשת שהומצאה עבור נהגים עצלנים .
(קיים גם בטויוטה,מיצובישי וניסן בגרסאות ואקום או חשמל ).
העדפה אישית שלי היא להרכיב לוקרים ידניים במקום הפלנג'ים בטבורים, לנעול את ה add משולב קבוע ולהעיף את כל החשמל והואקום.
פחות חלקים = יותר פשטות ואמינות.
בברכה, טושי
2 קבצים מצורפים
תגובה: רעשים מכיוון גלגל שמאלי קדמי - טרופר בנזין 96
תודה טושי ונדב!
מקווה למצוא את הזמן לזחול מתחת לרכב בשבת.
רק כדי לוודא שאני מסתכל על הדבר הנכון, אתם מתייחסים ליחידה שאליה מתחברים צינורות 3+4?
קובץ מצורף 126582
תגובה: רעשים מכיוון גלגל שמאלי קדמי - טרופר בנזין 96
תגובה: רעשים מכיוון גלגל שמאלי קדמי - טרופר בנזין 96
לפני שאני מתחיל לפרק,
פקק מילוי שמן זה מה שמסומן בצהוב?https://uploads.tapatalk-cdn.com/201...3cc802fecc.jpg
Sent from my ONEPLUS A5000 using Tapatalk
תגובה: רעשים מכיוון גלגל שמאלי קדמי - טרופר בנזין 96
כן.
אפשר למלא גם דרך הנשם, נימצא מעל המשלב.
תגובה: רעשים מכיוון גלגל שמאלי קדמי - טרופר בנזין 96
אתמול הגעתי לטפל בזה סוף סוף.
לקח הרבה זמן לאתר את מקום המילוי.
הכי נוח למלא היה להעביר צינור ארוך דרך המנוע.
הרעשים לא הפסיקו, מה שאומר שכנראה כבר נטחנו שם גלגלי שיניים - פאק שלי.
זה כבר יצריך כנראה מוסך.https://uploads.tapatalk-cdn.com/202...f284810531.jpghttps://uploads.tapatalk-cdn.com/202...2f204e29b3.jpg
Sent from my ONEPLUS A5000 using Tapatalk
תגובה: רעשים מכיוון גלגל שמאלי קדמי - טרופר בנזין 96
יש שם בפנים גם מייסב.
אם צריך חלקים יש אצלי, דבר איתי.
תגובה: רעשים מכיוון גלגל שמאלי קדמי - טרופר בנזין 96
ציטוט:
נכתב במקור על ידי
נדב ש.
יש שם בפנים גם מייסב.
אם צריך חלקים יש אצלי, דבר איתי.
תודה!
מצד אחד מדגדג לי בידיים לעשות את זה לבד, מצד שני צריך כל מיני חולצים שאין לי.
החלקים שיש אצלך הם לדיזל או בנזין? הם זהים?
Sent from my ONEPLUS A5000 using Tapatalk
תגובה: רעשים מכיוון גלגל שמאלי קדמי - טרופר בנזין 96
ציטוט:
נכתב במקור על ידי
tooshey
לוקרים / add - סרן קדמי.
ידית שילוב - טרנספר.
תסתכל על הסרן הקדמי בצד הנהג, לא תפספס אותה.
בשרטוט שצרפת חלקים מס 7, 26 וכל מה שבתוכם.
ה add מופעל ואקום בעזרת שני סולנואידים המקבלים פיקוד מיוניט 4x4 בטרנספר.
מערכת מטופשת שהומצאה עבור נהגים עצלנים .
(קיים גם בטויוטה,מיצובישי וניסן בגרסאות ואקום או חשמל ).
העדפה אישית שלי היא להרכיב לוקרים ידניים במקום הפלנג'ים בטבורים, לנעול את ה add משולב קבוע ולהעיף את כל החשמל והואקום.
פחות חלקים = יותר פשטות ואמינות.
בברכה, טושי
סליחה שאני מתעלק לך על השרשור.
טושי, יש דלר לעשות את זה גם בפאג'רו Q? לפי מה שהבנתי אין דרך לבטל את המשלבת ולשים לוקרים בלבד.
תגובה: רעשים מכיוון גלגל שמאלי קדמי - טרופר בנזין 96
ציטוט:
נכתב במקור על ידי
amitaikl
תודה!
מצד אחד מדגדג לי בידיים לעשות את זה לבד, מצד שני צריך כל מיני חולצים שאין לי.
החלקים שיש אצלך הם לדיזל או בנזין? הם זהים?
Sent from my ONEPLUS A5000 using Tapatalk
של דיזל 2004, אני מדבר רק על חלקי השילוב(לדעתי הם זהים), הדיפ' ויחסי העברה שונים.
תגובה: רעשים מכיוון גלגל שמאלי קדמי - טרופר בנזין 96
ציטוט:
נכתב במקור על ידי
ishc
סליחה שאני מתעלק לך על השרשור.
טושי, יש דלר לעשות את זה גם בפאג'רו Q? לפי מה שהבנתי אין דרך לבטל את המשלבת ולשים לוקרים בלבד.
אני לא מתעסק ולא מכיר פאג'רו אבל אני מניח שאם תפרק את המנגנון שמזיז את מזלג השילוב תמצא דרך לקבע אותו על מצב נעול.
בברכה,טושי
תגובה: רעשים מכיוון גלגל שמאלי קדמי - טרופר בנזין 96
ציטוט:
נכתב במקור על ידי
tooshey
האם יש יחידת שילוב על הסרן (add) או שזהו סרן שהגיע במקור עם לוקרים ?
אם יש יחידת שילוב, בדוק את מצב השמן בתוכה.
היחידה משתמשת בשמן 80-90 כמו הדיפרנציאל אבל בחלל נפרד משמן הסרן.
יש סיכוי יותר מסביר, שאף אחד, מעולם, לא פתח ובדק את השמן הזה או החליף אותו. (פחות מחצי ליטר ).
ניתן לפתוח את היחידה ולבדוק מה המצב שם.
ראיתי יחידה כזו יבשה לחלוטין שגלגל השיניים המשלב נשרף לגמרי ושינה צבע לכחול.
תתחיל מהבדיקה הזו ותתקדם.
בברכה, טושי
טושקה
תרשה לי לתקן אותך אב הסרן הקדמי משתמש ב 15w-40 וכך גם המשלב
תגובה: רעשים מכיוון גלגל שמאלי קדמי - טרופר בנזין 96
קצת קשה להבין מתוך המידע שאתה נותן מה הרעש אבל מהיכרותי עם הסרן הזה מקרוב , החלק שהוא בעל הסיכוי הגבוה ביותר להכשל ולהרעיש ואף יותר מזה הוא מסב הסיכות שנמצא בתוך יד הסרן ושתומך את פעמון הציריה החיצוני
מסב זה לא מטופל אף פעם ולא הרבה מכירים או מתייחסים אליו
עליך לפרק את יד הסרן לגמרי
נתק תפוח עליון תחתון והגה ואת הפלאנג' של הציריה עם טבעת האבטחה שלה
אין צורך לפרק את הנאבה אם כי זו הזדמנות טובה לאוברול מה גם שאינך יודע מה מצב המסבים /גריז וגם שם יכולה להיות הפתעה בדמות מסב גמור או אפילו גרוע מכך קסבה של מסב שמסתובבת בתוך הנאבה (היא אמורה להכנס בכח ולא להסתובב )
בהצלחה
תגובה: רעשים מכיוון גלגל שמאלי קדמי - טרופר בנזין 96
ציטוט:
נכתב במקור על ידי
ishc
סליחה שאני מתעלק לך על השרשור.
טושי, יש דלר לעשות את זה גם בפאג'רו Q? לפי מה שהבנתי אין דרך לבטל את המשלבת ולשים לוקרים בלבד.
יש דרך
אני לא בדעה של טושי
המערכת אצלי עובדת 15 שנה ללא דופי
מכיוון שבטרופר היא מאד פשוטה (מתג על הטרנספר שמפקד על ממסר שמאקטב את הסולנואיד הרלוונטי ) אני השתלטתי על החוטים של המשלב ובעצם מנטרל באמצעות כפתור את הלוקר השמאלי
עשיתי זאת כשהתקנתי נעילה אוטומטית קדמית וחשבתי שיהיה נחמד אם אצטרך לשחרר עומסים
בפועל מיותר כי הכל עובד כל כך טוב כולל הנעילה האוטומטית שמאפשרת היגוי ללא ניתוק שום ציריה
המקום היחיד שזה שימושי הוא כשלא רוצים נעילה קדמית בשפצ
תגובה: רעשים מכיוון גלגל שמאלי קדמי - טרופר בנזין 96
ציטוט:
נכתב במקור על ידי
amitaikl
אתה רץ מהר מדי למסקנות הסיכוי שה shift on the fly (כך זה נקרא בספרות של איסוזו) תקול
האם רוקנת שמן ?
מה היה צבעו ?
האם פתחת את המכסה (ארבעה ברגי 14 )?
מציע לך משהו פשוט יותר
פרק את שני הפלאנג'ים של הציריות (6 ברגי אלן 8 ממ בכל נאבה) שחרר את טבעות האבטחה וקח את הפלאנגים איתך
צא לנסיעת מבחן במצב 2*4
אם הרעש נעלם אין בעיה במסבי הגלגל עצמם והרעש נובע ממערכת ההינע (ציריות כולל מסב התמך שביד הסרן או המסב שב shift on the fly , או המסב שתומך את הפעמון הפנימי של הציריה לסרן ,או חס וחלילה סטליטים בדיפרנציאל )כי אלו החלקים שנעים כשהפלאנגים מחוברים
רק לסבר לך את האוזן בזמן נסיעה ב 2*4 הציריה הימנית (צד נוסע) מסתובבת קדימה ומסובבת את הסטליטים בדיפרנציאל שבתורם מסובבים את הציריה שבתוך הסרן (הציריה הארוכה שבציור) כנגד כיוון הנסיעה
הציריה השמאלית (צד נהג ) מסתובבת גם היא בכיוון הנסיעה
בזמן שילוב תוך כדי נסיעה הציריה השמאלית שמסתובבת קדימה צריכה להשתלב עם הציריה הארוכה שמסתובבת אחורה.....
המשלב בנוי בצורה קונית כך שכשהוא מתחיל את פעולת השילוב הוא בעצם עוצר את הציריה הארוכה שמשנה את כיוון הסיבוב שלה משווה את המהירות לזו של הציריה השמאלית ומאפשר שילוב ביניהן
חכם פשוט ואלגנטי
אני מהמר על 1) מסב סיכות ביד הסרן
2) מסב התמך של הפעמון הפנימי
כל השאר הרבה יותר נדיר ולשבור סטליטים צריך להיות נהג אגרסיבי
\
תגובה: רעשים מכיוון גלגל שמאלי קדמי - טרופר בנזין 96
ציטוט:
נכתב במקור על ידי
סוזי המשתוללת
אתה רץ מהר מדי למסקנות הסיכוי שה shift on the fly (כך זה נקרא בספרות של איסוזו) תקול
האם רוקנת שמן ?
מה היה צבעו ?
האם פתחת את המכסה (ארבעה ברגי 14 )?
מציע לך משהו פשוט יותר
פרק את שני הפלאנג'ים של הציריות (6 ברגי אלן 8 ממ בכל נאבה) שחרר את טבעות האבטחה וקח את הפלאנגים איתך
צא לנסיעת מבחן במצב 2*4
אם הרעש נעלם אין בעיה במסבי הגלגל עצמם והרעש נובע ממערכת ההינע (ציריות כולל מסב התמך שביד הסרן או המסב שב shift on the fly , או המסב שתומך את הפעמון הפנימי של הציריה לסרן ,או חס וחלילה סטליטים בדיפרנציאל )כי אלו החלקים שנעים כשהפלאנגים מחוברים
רק לסבר לך את האוזן בזמן נסיעה ב 2*4 הציריה הימנית (צד נוסע) מסתובבת קדימה ומסובבת את הסטליטים בדיפרנציאל שבתורם מסובבים את הציריה שבתוך הסרן (הציריה הארוכה שבציור) כנגד כיוון הנסיעה
הציריה השמאלית (צד נהג ) מסתובבת גם היא בכיוון הנסיעה
בזמן שילוב תוך כדי נסיעה הציריה השמאלית שמסתובבת קדימה צריכה להשתלב עם הציריה הארוכה שמסתובבת אחורה.....
המשלב בנוי בצורה קונית כך שכשהוא מתחיל את פעולת השילוב הוא בעצם עוצר את הציריה הארוכה שמשנה את כיוון הסיבוב שלה משווה את המהירות לזו של הציריה השמאלית ומאפשר שילוב ביניהן
חכם פשוט ואלגנטי
אני מהמר על 1) מסב סיכות ביד הסרן
2) מסב התמך של הפעמון הפנימי
כל השאר הרבה יותר נדיר ולשבור סטליטים צריך להיות נהג אגרסיבי
\
אתה פה? 😂😂
דיברתי עם אמיתי בטלפון, לפרק את הפלאנג'ים ולעשות סיבוב בלי זה גם מה שהצעתי לו.
אמר שהרעש נמצא גם ב 2x4 בלי לשלב בכלל....
שמוליק, נתקלתי כבר בכמה טרופרים שהמיסב הפנימי של הציריה הארוכה במשלב נידפק, כנראה שאחרי 20 שנה הגיע הזמן שלהם להחלפה/רענון סרן.
לדעתי הרעשים אצלו זה גם מייסב, רק נשאר לזהות איזה מהם.