1 קבצים מצורפים
מיק ייחודי למוטורולה ספקטרה או הסבה למע"ד רגילה.
אפילו לא בדקתי אם יש שרשור ישן, ברור לי שיש לי חד קרן.
המכשיר הוא מוטורולה אסטרה ספקטרה והוא יותר מתקדם קצת מהמקסטראק, עמיד באותה מידה, אצלי כבר 15 שנה.
רק בעייה אחת - חיבור המיק שלו שונה.
וזה פוגש אותי כך שבטיול אמש המיק החל לשדר עצמונית, גם בלי לחיצה. אחרי פתיחה - כנראה הכבל.
אם למצוא מיק של מקסטראק זה עניין של 10 $, מיק של אסטרה ספקטרה היא הרבה מעל 50$.
עלי המהיר, למיטב הבנתי וחיפושי - לא מחזיק כאלו.
גם לא כזה בטוח שלסניפי מוטורולה יש כאלו.
קובץ מצורף 139612
סוג החיבור נקרא בנראה HMN1080A, HMN1079A, HMN 1061A. שישה פיני חיבור.
פונה לחוה"ג (חוכמת המוני הגיפולוגים) - האם מישהו שמע, מכיר,יודע על כבלים כאלו ו/או על דרך להסבה למיק עם חיבור רגיל.
מיק ייחודי למוטורולה ספקטרה או הסבה למע"ד רגילה.
תגובה: מיק ייחודי למוטורולה ספקטרה או הסבה למע"ד רגילה.
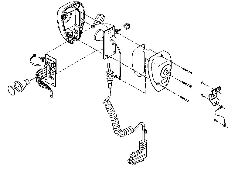
לפי השרטוט - אני הייתי מנסה לפתוח ולנקות/להחליף את המפסק, או לראות אם משהו אחר מקצר לך שם ...
תגובה: מיק ייחודי למוטורולה ספקטרה או הסבה למע"ד רגילה.
ציטוט:
נכתב במקור על ידי
נדב42
לפי השרטוט - אני הייתי מנסה לפתוח ולנקות/להחליף את המפסק, או לראות אם משהו אחר מקצר לך שם ...
כבר בוצע.
כרגע תקין.
הבעייה עם מרפי שהוא עובד כשנוח לו, ולכן הייתי שמח לדאוג למיק רזרבי או להסבה, ואז אהיה מוכן מראש.
תגובה: מיק ייחודי למוטורולה ספקטרה או הסבה למע"ד רגילה.
תגובה: מיק ייחודי למוטורולה ספקטרה או הסבה למע"ד רגילה.
תגובה: מיק ייחודי למוטורולה ספקטרה או הסבה למע"ד רגילה.
ככל הנראה, אם נדפק המיקרופון ולא הכבל/קונקטור, אז תוכל לקחת מיקרופון של מקסטרק ולהשתמש בכבל שלך. לפי הפורומים בחו"ל צבעי החוטים אמורים להיות תואמים ...
תגובה: מיק ייחודי למוטורולה ספקטרה או הסבה למע"ד רגילה.
יש לי כאלה רזרביים. דבר איתי באישי.
נמצא ביהוד.
צחי.
ביגפוט טכנולוגיות בטחון
תגובה: מיק ייחודי למוטורולה ספקטרה או הסבה למע"ד רגילה.
ציטוט:
נכתב במקור על ידי
bigfoot69
יש לי כאלה רזרביים. דבר איתי באישי.
נמצא ביהוד.
צחי.
ביגפוט טכנולוגיות בטחון
תודה רבה, כבר הוזמן והגיע, ויש רזרבי.
אזכור לעתיד....
תגובה: מיק ייחודי למוטורולה ספקטרה או הסבה למע"ד רגילה.
לאור העובדה שבעלי אפשר להשיג מיק למקסטראק גם ב6 (!) דולר
https://www.aliexpress.com/item/1005...L%215840368%21
הייתי שוקל להסב את שקע המיק בספקטרה ל RJ45 הסטנדרטי
תגובה: מיק ייחודי למוטורולה ספקטרה או הסבה למע"ד רגילה.
ציטוט:
נכתב במקור על ידי
biranit50
6 דולר זה רק הכבל, המיק עצמו זה 10 דולר שגם מחיר מצויין
Sent from my KB2003 using Tapatalk
תגובה: מיק ייחודי למוטורולה ספקטרה או הסבה למע"ד רגילה.
תגובה: מיק ייחודי למוטורולה ספקטרה או הסבה למע"ד רגילה.
ציטוט:
נכתב במקור על ידי
biranit50
אצלי הקלקה על הקישור לא מביאה למוצר אבל הקלדת 1005005803773900 (מספר המוצר ) בחיפוש הפנימי מביאה אליו
תגובה: מיק ייחודי למוטורולה ספקטרה או הסבה למע"ד רגילה.
תזמין באיביי מיק לספקטרה ואל תשבור את הראש
תגובה: מיק ייחודי למוטורולה ספקטרה או הסבה למע"ד רגילה.
ניתן להשיג אצלי מע״ד לספקטרה לכל מי שצריך
054-2283020