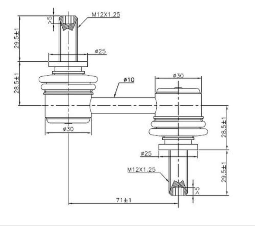
בתמונה מדובר באורך המקורי. אני צריך 4-5 ס"מ יותר ארוך. הקאצ' - קוטר הברגה 12 מ"מ.
תודה קובץ מצורף 144925קובץ מצורף 144926
Sent from my SM-F916B using Tapatalk
Printable View
בתמונה מדובר באורך המקורי. אני צריך 4-5 ס"מ יותר ארוך. הקאצ' - קוטר הברגה 12 מ"מ.
תודה קובץ מצורף 144925קובץ מצורף 144926
Sent from my SM-F916B using Tapatalk
לא יקרה.
Sent from my SM-F916B using Tapatalk
מממ...
Sent from my SM-F916B using Tapatalk
יש לי זוג מקורי של רנגלר
עוזר ?
Sent from my iPhone using Tapatalk
שלח מידות. כמו בתמונה?
Sent from my SM-F916B using Tapatalk
https://uploads.tapatalk-cdn.com/202...ef09c9c23d.jpg
Sent from my iPhone using Tapatalk
באינצים
Sent from my iPhone using Tapatalk
בוא נראה שהבנתי נכון -
מרכז בורג למרכז בורג 6 אינץ. המקורי הוא קצת פחות מ3 אינצ (71ממ).
לדעתי זה יותר מידי, צריך 5 אינץ לכל היותר. לא רואה התייחסות לקוטר בורג שצריך להיות 12 ממ.
בנוסף, הבורג התחתון שונה
קיצר לא
Sent from my SM-F916B using Tapatalk
ממרכז למרכז זה נראה 5״ (שים לב בתמונה כל אחד מהיחידות מודדת משהו אחר )
בשאר אתה צודק , אבל לשיקולך
Sent from my iPhone using Tapatalk