חג שמח
אולי למישהו יש סכמת חיבורים של בית ריליי של כננת מהסוג הנ"ל?
מה שאני צריך לדעת:
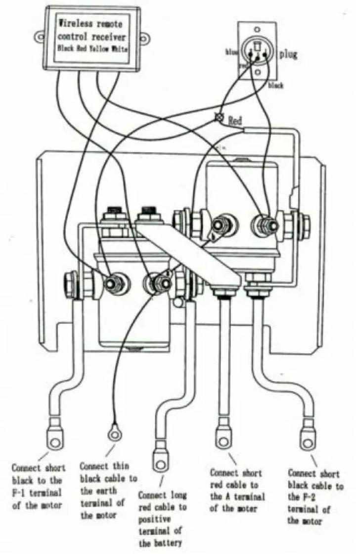
1) לאן הולך החוט הלבן למטה בתמונה
2) לאן הולך החוט השחור הדק למעלה בתמונה
3) לאן מתחברים שלושת החוטים של שקע השלט
תודה מראש
קובץ מצורף 146743
Printable View
חג שמח
אולי למישהו יש סכמת חיבורים של בית ריליי של כננת מהסוג הנ"ל?
מה שאני צריך לדעת:
1) לאן הולך החוט הלבן למטה בתמונה
2) לאן הולך החוט השחור הדק למעלה בתמונה
3) לאן מתחברים שלושת החוטים של שקע השלט
תודה מראש
קובץ מצורף 146743
זה סופרווינצ'?
)עריכה - התכוונתי רמזי. הם השתמשו תמיד בסולנואידים כפולים)
אסף.
לא, זו כננת של אספיר, as-9000 אבל בעצם זו כננת Comeup. אפשר גם לראות שכתוב על הריליים.
אני מוצא באינטרנט רק סכימות של הריליי פלסטיק, החדש יותר.
אמרת רמזי וזה עזר לי למצוא משהו, תודה
קובץ מצורף 146744
תחפש סכימת חיווט של סופרווינצ' x9 למשל או דגמי האסקי הישנים או של כננות רמזי הישנות יותר. זה אמור להיות אותו דבר.
אלו הכננות עם סולנואידים כפולים.
אסף.