1 קבצים מצורפים
פרשת קרבורטור - קרטר BBS (ומחפש בודי של קרבורטור כזה)
לפני 3 ימים החלה לי בעיה בקרבורטור - משך אויר, וקרטע בסרק ובטורים נמוכים, כך שלא היתה לי ברירה אלא למשוך קצת צ'וק.
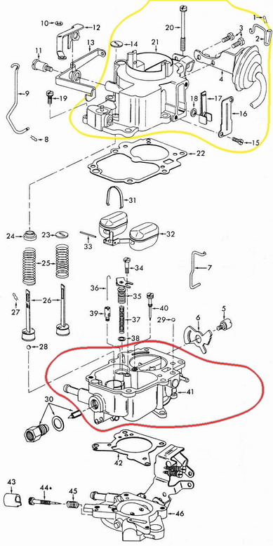
הקרבורטור - קרטר BBS, בעל לוע בודד, ולא כפול כמו במרבית הסיקסים.
תוך כדי פירוק, הלכה ההברגה בגוף של הקרבורטור, ההברגה של בית המחט, בכניסת הדלק (מסומן באדום, חור הכניסה ל חלק 30).
נאכלה.
בניתיים הותקן הולי 1920, שהוא הקרבורטור המקורי של המנוע הזה, אלא שיש לי תחושה שהמנוע סוחב פחות יפה.
בכל זאת הפרש של אי אילו 20 שנה בין שני הקרבורטורים.
יש לי סט שיפוץ לקרבורטור הזה, ואני מחפש בית חדש (חלק 41, מוקף באדום).
יש לפחות 3 וריאציות שונות של קרטר BBS, והשוני ביניהם הוא בעיקר ב"מכסה", בחלקו העליון של הקרבורטור, המוקף בצהוב.
http://www.jeepolog.com/forums/attac...tid=2119&stc=1
אם למישהו יש רעיון לתיקון ההברגה, פרט לאפוקסי/פרופוקסי ודומיו, אשמח לשמוע.
הסיבה לחוסר הרצון לתיקון באפוקסי ודומיו היא שהם מחזיקים מצויין ללא עומס, אולם במקרה זה, כיוון שזו אינה הברגה שסוגרים חד פעמית וגמרנו, ויש אחריה את הברגות של צינור הדלק, הנסיון לימד אותי שתיקון כזה לא מחזיק מעמד.
חוזר: פרשת קרבורטור - קרטר BBS (ומחפש בודי של קרבורטור כזה)
יש ל"רוטל" חומר שנראה כמו פרופוקסי אבל מכיל אבקה מתכתית, ומשמש לתיקון הברגות שעובדות בעומס. זה עובד. תפנה ל"רוטל" ותשאל אותם (אני לא זוכר איך החומר נקרא)..
אסף.
חוזר: פרשת קרבורטור - קרטר BBS (ומחפש בודי של קרבורטור כזה)
מה אם אופצייה של שתילת הליקויל?
עירא
חוזר: פרשת קרבורטור - קרטר BBS (ומחפש בודי של קרבורטור כזה)
עכשיו רק ראיתי על איזה חור מדובר, למה לא להבריז הברזה גדולה יותר עם ניפל דלק בעל הברגה יותר גדולה?
עירא
חוזר: פרשת קרבורטור - קרטר BBS (ומחפש בודי של קרבורטור כזה)
אגב, בהודעה המקורית רשמתי בטעות "חור הכניסה של 30", צ"ל "חור הכניסה של 37".
למה לא הברזה? כי חלק 37 הוא לא ניפל רגיל, אלא הבית של המחט שסוגרת את כניסת הדלק כאשר הכוסית מלאה.
הליכויל לא ילך כי החומר דק מדי.
לפחות ממעבר על החומרים שבאתר האינטרנט של רוטל, לא נראה חומר כזה, אבל ארים אליהם טלפון מחר או בתחילת השבוע ואשאל.
חוזר: פרשת קרבורטור - קרטר BBS (ומחפש בודי של קרבורטור כזה)
ציטוט:
נכתב במקור על ידי shmil
אגב, בהודעה המקורית רשמתי בטעות "חור הכניסה של 30", צ"ל "חור הכניסה של 37".
יחי ההבדל....
אם מדובר בהברגה שאליה נכנס חלק 37, באמת זו בעייה.
ד.א., זה BBS ולא BBD? (או שה-S לייד ה-D במקלדת?)
עירא
חוזר: פרשת קרבורטור - קרטר BBS (ומחפש בודי של קרבורטור כזה)
צר לי על ההטעייה בעניין מספר החלק, עירא.
הקרבורטור הוא קרטר BBS, זו לא טעות.
מכיר את הBBD, הוא 2BBL, לוע כפול כמו בסיקסים.
ולעומתו ה-BBS הוא 1 BBL- לוע בודד.
אולי ה-D וה-S מסמלים single ו-dual.
חוזר: פרשת קרבורטור - קרטר BBS (ומחפש בודי של קרבורטור כזה)
Quote:אולי ה-D וה-S מסמלים single ו-dual
Now you are thinking
Is that it?
http://cgi.ebay.com/ebaymotors/1961-...em300026152614
if so, ..It shouldnt be hard to find as its off a slant 6...look at all those D600
if not you can pick up a rebuilt on ebay for close to nothing
חוזר: פרשת קרבורטור - קרטר BBS (ומחפש בודי של קרבורטור כזה)
האם זה הקרבורטור שגם היה מורכב על ה - D200 ?
אם כן, יש לי חבר שיש לו כזה על הסיקס ועוד כמה ימים הוא צריך להחליף לBBD אז אני יכול לשאול אותו בשבילך.
חוזר: פרשת קרבורטור - קרטר BBS (ומחפש בודי של קרבורטור כזה)
ג'ו, בקישור שלך זו כבר וריאציה רביעית שאני רואה.
יש לי שני קיטים לשיפוץ שממתינים.
אין לי מושג, מוריס, אם זה הקרבורטור שהיה על ה-D200.
אם זה דומה לתרשים פיצוץ ולקישור של ג'ו, אז כן.;-)
חוזר: פרשת קרבורטור - קרטר BBS (ומחפש בודי של קרבורטור כזה)
ציטוט:
נכתב במקור על ידי tzagi
Quote:אולי ה-D וה-S מסמלים single ו-dual
Now you are thinking
Is that it?
http://cgi.ebay.com/ebaymotors/1961-...em300026152614
if so, ..It shouldnt be hard to find as its off a slant 6...look at all those D600
if not you can pick up a rebuilt on ebay for close to nothing
Hi Joe,
No luck here. 99% of slant sixes in Irael are choked by a tiny Holy 1920, so a Carter BBS on a Dodge is very hard to find.
חוזר: פרשת קרבורטור - קרטר BBS (ומחפש בודי של קרבורטור כזה)
Here is another
http://cgi.ebay.com/ebaymotors/CARTE...em140027979737
enter zip 76208 for shipping cost
Alex, i forgot about those,....the slants in the trucks were the economy/industial version.....
חוזר: פרשת קרבורטור - קרטר BBS (ומחפש בודי של קרבורטור כזה)
הקישור האחרון של ג'ו הוא אכן קרטר BBS.
יכול להיות שאקפוץ בתחילת השבוע לאונגר, בטוח יש לו באחת המכולות.
בינתיים בהולי 1920 שהרכבתי, נסתמה דיזת הסרק.
אכין היום/מחר הולי אחר, מתוך החמישה שיש לי....
1 קבצים מצורפים
חוזר: פרשת קרבורטור - קרטר BBS (ומחפש בודי של קרבורטור כזה)
טוב, ה-BBS עובד.
מסקנות:
יש כמה סוגי BBS, מאד דומים, אבל לא זהים. לא במבנה חיצוני, ולא בדיזות ובמצופים, פרט לדיזת הסרק.
במקום להכין הולי אחר, פשוט ישבתי לאט, בשקט וב ס ב ל נ ו ת , וסידרתי את שני ה-BBS.
איך הסתדרה ההברגה?
יש אפוקסי שנקרא locktite weld, של חברת locktite, שאמנם מתקשה תוך 10 דקות, אבל כתוב "allow 16 hours before returning part to service".
למרות עצות שקיבלתי שאין צורך ב-16 שעות - חיכיתי בסבלנות, ו.... לא נוזל.
http://www.jeepolog.com/forums/attac...tid=2153&stc=1
אז יש עכשיו BBS מורכב, ועוד BBS בסטנד ביי.
תודה על התגובות.