4 קבצים מצורפים
מידות בושינגים של קפיצי עלים
לCJ8 שלי יש ארבעה גדלים שונים של בושינגים בחיבור בין הקפיץ לשלדה (כולל השאקל).
מה הכוונה?
1. הבושינג שמחבר את הקפיץ לשאקל ואת השאקל לתושבת על השלדה - בקפיץ הקדמי ("בושינג שאקל קדמי").
2. הבושינג שמחבר את הקפיץ לשאקל ואת השאקל לתושבת על השלדה - בקפיץ האחורי ("בושינג שאקל אחורי")י.
3. הבושינג שמחבר את הקפיץ לתושבת הקבועה על השלדה לא דרך השאקל - בקפיץ הקדמי ("בושינג תושבת קדמי").
4. הבושינג שמחבר את הקפיץ לתושבת הקבועה על השלדה לא דרך השאקל - בקפיץ האחורי ("בושינג תושבת אחורי").
http://www.jeepolog.com/forums/attac...achmentid=4730
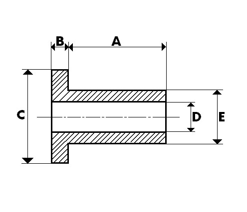
ישנן חמש מידות רלוונטיות לייצור הבושינג.
נתונים ידועים: קפיץ קדמי ברוחב של 2".
קפיץ אחורי ברוחב של 2.5".
לכן, לסוג הראשון של הבושינג - "בושינג שאקל קדמי", המידה A היא 1", B לא רלוונטי כ"כ. גם C לא ממש רלוונטי, אבל D ו-E כן. מה הקוטר החיצוני של הבושינג? האם יש הבדל בין בושינג של קפיץ אחורי לקדמי?
מידה D תלויה במוביל המתכתי שלי. קוטרו הפנימי של המוביל הוא 2\1".
לסוג השני של הבושינג - "בושינג שאקל אחורי", המידה A היא 1.25", B ו-C לא רלוונטי כי מייצרים לבד ואלו לא גדלים שנכנסים באפיצות כלשהי לקדח. השאלה כאן היא כאמור מהו הקוטר החיצוני של הבושינג והאם יש הבדל בין בושינג של קפיץ אחורי לקדמי?
לסוג השלישי של הבושינג, "בושינג תושבת קדמי", המידה A היא כמו אצל השאקל, 1", B רלוונטי לנו עכשיו כי המרווח בין הפאות של התושבת הוא 2.85" [ראו תמונה גם בתושבת הקפיץ האחורי וגם בקדמי זה אותו מרווח (2.85")] לכן B יהיה 0.425". מהמידה C לא אכפת לנו עדיין. לגבי D - קוטר הבורג כאן הוא כבר לא 1/2" אלא 0.7". לכן המידה D תיהיה בהתאם לעובי הדופן של מוביל המתכת. אותה שאלה נשארה לגבי המידה E. מהי? האם זהה בקפיץ האחורי והקדמי? ומשהו נוסף כאן - האם יש הבדל בקוטר החיצוני בתושבת הסטטית לשלדה לבין הקוטר בצד השאקל?
לגבי הסוג הרביעי - "בושינג תושבת אחורי" המידה A היא 1.25". B רלוונטי מאותה הסיבה הקודמת, לכן יהיה 2.85-2.5/2, וזה שווה ל-0.175" (בערך 4.5 מ"מ). C לא מעניין לנו את התחת. הוא תלוי, בכל ארבעת הבושינגים, בקוטר העין של המאיה, זהה לקוטר ואולי קצת גדול יותר. הסעיף לגבי D זהה כמו מקודם, בורג בקוטר 0.7", השאלה לגבי E נשארה עומדת.
הכוונה היא לייצר בושינגים, מובילים ושאקלים חדשים (מרחק בין חור לחור בשאקלים 110 מ"מ).
אשמח לעזרה לגבי המידות של הבושינגים.
חוזר: מידות בושינגים של קפיצי עלים
תאמת, לא הבנתי מה אתה רוצה.
חוזר: מידות בושינגים של קפיצי עלים
כנראה שניסחתי את זה בצורה מעורפלת משהו, העניין פשוט מאוד בעצם.
אני רוצה לייצר סט בושינגים לקפיצי העלים שלי.
יש בכל הסט ארבעה גדלים שונים שמאופיינים במידות שונות, על הגדלים השונים האלו כתבתי מקודם.
השאלות שלי, שורה תחתונה -
הקוטר החיצוני של הבושינגים בCJ, המידה E, זהה בכל הסט? אין הבדל בין קדמי לאחורי? בין תושבת סטטית לדינמית? מה היא המידה E (באינצ'ים או מילימטרים)?
אין מוביל מתכתי בבושינג של תושבת סטטית?
הסיבה שפירטתי כ"כ וזה נהיה מעורפל בהודעה הקודמת היא כדי שאם יש לי טעות בתכנון או בתפיסה הבסיסית, מישהו אחר יוכל לעלות עליה.
אמנון.
חוזר: מידות בושינגים של קפיצי עלים
ו....?
אתה רוצה לייצר כי בארעה דיזראעל אין בושינגים איכותיים?
חוזר: מידות בושינגים של קפיצי עלים
כי אני יכול לייצר לבד בעלות אפסית, לחסוך 500 שקל על סט פוליאוריטן ולהיתאמן בחריטה.
אתה אמור להכיר את המידות האלו עומר, מה אתה אומר?
חוזר: מידות בושינגים של קפיצי עלים
החלפתי את כל הבושינגים אצלי ברכב כמה פעמים. גם על סט הקפיצים הישן וגם על החדש.
אני לא זוכר שהיו שינויים בין הקפיצים עצמם. כלומר, הבושינגים של התושבות הקבועות שונים מהתושבים של התושבות הניידות אבל בתושבות הניידות כל הבושינגים היו זהים.
מה שכן, יש הבדלים בין העיניים של הקפיצים. כלומר, אם יש לך הבדל בין הבושינגים של אותם קפיצים (קדמיים ואחוריים) אז תבדוק שהקוטרים של העיניים בקפיצים שלך זהים.
בכל מקרה, אם אתה רוצה בושינגים אז אתה מוזמן לבוא אלי ולקבל. אמנם שחורים ורגילים אבל חדשים באריזה ואין לי מה לעשות איתם.
אגב, כשבררתי אצל חרט כמה יעלה לחרוט כאלו בושינגים הוא טען שזו בעיה מאחר והחומר מאוד רך. עד כמה שהבנתי מייצרים את הרכיבים האלו ביציקה או משהו כזה.
חוזר: מידות בושינגים של קפיצי עלים
לחרוט תותבים מאוקולון זה פטנט עתיק שעבר זמנו.
תקנה תותבים מפוליאוריטן ותתאים פטמות גירוז לברגים שלך.
מומלץ גם להחליף את השאקלים העקומים שלך במשהו בעובי שמונה מ"מ.
בברכה,טושי
חוזר: מידות בושינגים של קפיצי עלים
חבל שישר קופצים למסקנות. שום אוקולונים ושום בטיח. מדובר בחומר גלם אחר.
אכן השאקלים העקומים יוחלפו במהרה, כתבתי את זה כבר למעלה, זו בעצם הסיבה לסוגיית הבושינגים.
מישהו יכול לעזור עם מידות?
חוזר: מידות בושינגים של קפיצי עלים
אמר לך טושי ואני אחדד, בושינגים איכותיים מייצרים בהזרקה לתוך תבנית וטילטול להוצאת בועות אויר.
החומר שיש ךף הוא בלי בועות אויר?
אתה בטוח באיכות שלו?
אתה בטוח שהוא יעשה את העבודה?
רוצה להתאמן בחריטה, תכין מתאמים לדבלר.
אני חושב שחריטה של חומר כזה היא יותר מסובכת ממה שאתה חושב.
עכשיו בוא נעשה עסזק, אתה בשבוע הקרוב חורט סתם בושינג ללא מידות מדויקות, לניסיון, אני אדאג לך בשבוע הזה למידות.
תשאיר לי טלפון בה"פ ואפילו תקבל אותן בשיחה מעבר לים.
חוזר: מידות בושינגים של קפיצי עלים
אמנון,
אני או עומר יכולים לתת לך כל מידה שאתה רוצה,
אבל......למה?
סט לסרן מENERGY SUSPENSION
עולע פחות מ$25
אז אפילו ל2 ומישלוח, אתה לא מבקרב ל500 שקל....אולי אם יקרעו אותך במכס.....
כן, אתה יכול לחרוט אותם,
חומר גלם לא עולה כסף?
זמן זה לא כסף?
יש גם משהו ששחכת,
SLEEVES
זה הצינור מתכת שעובר בתושבת הקבועה....עובי לא סטנדרטי.
בכול מקרה, אישית אני חושב שזה בזבוז זמן......אבל עם אתה מתעקש.....תודיע לי. ותגיד אם אתה משתמש בשאקלים אורגינליים או AFTERMARKET
כן, הבושינגים שונים.
חוזר: מידות בושינגים של קפיצי עלים
סט פוליאוריטן אכן עולה 25$ לצד - 50$ לג'יפ. בכסף של היום זה 200 שקל. זה מה שעלה לי גם לפני 5 שנים כשאני החלפתי בפעם האחרונה לפוליאוריטן - שמחזיק מאז בצורה מצויינת! - לפני זה כל שנה הייתי מחליף בושינגים גומי רגילים של 15 שקל, זול זול אבל אורך החיים שלהם היה בין טסט לטסט בקושי.
כמו שעומר כתב - הבושינגים יצוקיםבתבנית, לא חרוטים, עבדתי פעם עם פוליאוריטן ולמיטב זכרוני החרט מאד לא אהב לעבוד עם החומר הזה. זאת בניגוד לפלסטיקים קשים כמו אצטל שהוא כן מאד אהב לעבוד איתם. לחומרים שונים יש תכונות שונות מאד גם בעיבוד.
חוזר: מידות בושינגים של קפיצי עלים
בכל מקרה, מידות:
http://www.jeepolog.com/forums/attac...achmentid=4730
מידות באינץ':
D=0.75
E=1.5
C=2
A וB אתה תקבע בשטח, לפי מידות הג'יפ שלך - לפי רוחב הקפיץ ולפי איפה אתה רוצה שהוא יהיה ימינה או שמאלה - תושבות פוליאוריטן שיש לי, מגיעות ככה שהקפיץ לא יושב בדיוק באמצע מבחינת התושבת. בעיקר אם אתה מאריך קפיצים, הכמה מ"מ לכאן או לכאן יכולים לעזור לתקן את הזוית של הקפיצים במבט על.
חוזר: מידות בושינגים של קפיצי עלים
ציטוט:
נכתב במקור על ידי Bulldog
רוצה להתאמן בחריטה, תכין מתאמים לדבלר.
יש לי שרטוטים בשבילך אם אתה רוצה להתאמן... :mrgreen:
חוזר: מידות בושינגים של קפיצי עלים
קודם תחליט באיזה שאקלים אתה משתמש, כמו שג'ו רשם יש הבדל בבושינג לשאקל מקורי או אפטרמרקט.
ישר את הקפיצים, כל בושינג שתרכיב יתעוות עם קפיצים כאלה.
הבושינג הקדמיים קצרים/צרים יותר מהאחוריים.
לבושינג מפוליאריטן צריך גריז סינטטי על בסיס סיליקון, גריז רגיל יגרום להתיבשות וגריז דיאלקטרי להתנפחות.
אל תבזבז זמן וכסף על יצור עצמי, המחיר זול מידיי מכדי להצדיק את הטרחה.
חוזר: מידות בושינגים של קפיצי עלים
לחדד קצת את הדברים;
בזבוז זמן\כסף זה לא. אין לכם מה לדאוג. גם חומר גלם לא עולה לי. ויש לי זמן לשרוף.
ג'ו, לא שחכתי את הסליבים. אם תקרא את ההודעה הראשונה שלי תראה שהתיחסתי אליהם.
גם כתבתי שאני מייצר שאקלים במיוחד. 110 מ"מ מחור לחור.
בנוגע לחומר גלם, חשבתי להשתמש בטפלון. אני אשמח להתייחסות מבעלי ניסיון עם החומר.
נמרוד, המידה של 1.5" לקוטר החיצוני זהה לכל העיניים של המאיה גם מקדימה וגם מאחורה?
זה מוזר כי יש לי בושינג גומי ביד והקוטר הוא 1.25" (זה בושינג של תושבת סטטית אחורית).
אלון, אתה מוזמן להעביר לי שרטוטים למתאמים. יש לי זמן.
חוזר: מידות בושינגים של קפיצי עלים
אמנון אני לא יכול להתחייב שהכל זהה - מדדתי בושינגים ישנים שהיו זרוקים אצלי במחסן. אתה יודע איך זה אצל הג'יפים - עדיף למדוד בשטח מאשר לנחש.
טפלון חומר קשה מדי. אם זה היה בושינג צירי כמו למשולש מתלה אז בסדר, והחומר האידיאלי הוא כנראה דלרין/אצטל שבטח גם יש לך ויותר קל לעיבוד (שוב, לפי מה שהחרטים אומרים, יצא לי לעבוד עם כל החומרים האלו לא מעט). אבל בושינג לקפיצי עלים עובד על הגמישות שלו בכל הכיוונים אחרת לא יהיה לך מהלך מתלה, ולכן דורש חומר גמיש - פוליאוריטן.
חוזר: מידות בושינגים של קפיצי עלים
כן דלרין זה כיף לא נורמאלי בחריטה.
אם המצב הוא כזה והטפלון שעמיד מאוד בסביבה עוינת ומצויין נגד שחיקה, באמת קשה מידיי, כנראה נרכוש פולי. משתלם יותר להזמין מחו"ל בימינו?
חוזר: מידות בושינגים של קפיצי עלים
ג'ו, איזה אתרים אמינים וטובים אתה מכיר שמוכרים מוצרים של ENERGY SUSPENSION? אולי אני אזמין גם תושבות מנוע וגיר באותה ההזדמנות.
צריך אתרים שמאפשרים תשלום בכרטיס אשראי בין לאומי.
חוזר: מידות בושינגים של קפיצי עלים
3 קבצים מצורפים
חוזר: מידות בושינגים של קפיצי עלים
כמה שאלות -
זו תמונה של הקיט לחלק הקדמי:
http://www.jeepolog.com/forums/attac...achmentid=4775
וזה האחורי:
http://www.jeepolog.com/forums/attac...achmentid=4776
אפשר לראות שבחלק האחורי אין סליבים לבושינגים של השאקלים.
למה?
נמרוד, גם אצלך זה ככה?
ב-Summit כתוב שזה מתאים לCJ5 ו-CJ7, בדקתי את המק"ט באתר של ENERGY SUSPENSION ושם כתוב שזה מתאים גם לסקרמבלר, CJ8 וגם CJ6. שורה תחתונה, זה יתאים לקפיצים אצלי, בוודאות?
משהו לגבי ההזמנה ב-Summit, מה שהם מכנים כ-Handling Charge, זה מחיר המשלוח?
http://www.jeepolog.com/forums/attac...achmentid=4777