קובץ מצורף 47694
בתוך העיגול האדום בסכימה, טעות לוגית.
אין לי ספרות ותרשימי חשמל אחרים.
מישהו יודע מה החיבור הנכון?
Printable View
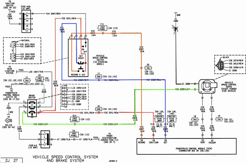
קובץ מצורף 47694
בתוך העיגול האדום בסכימה, טעות לוגית.
אין לי ספרות ותרשימי חשמל אחרים.
מישהו יודע מה החיבור הנכון?
בהצלחה :p
טל, לאיזה מודל הסכמה שלך? נראה לי שהיא ל97-98.
היי יואב
ZJ 96 מנוע 4 /5.2
דפים SERVICE 1-9 (מספור הדף בראש כל דף)
מוזר טל, כי בהגה ב-94 יש לחצנים שונים, וגם הסכימה לא ממש מתאימה.
אצלך זה מחשב עם מחבר אחד, או עם שלושה?
מכל מקום, הארת את עיני היכן לחפש, ומצאתי את השרטוט שהוא כנראה זה שיתאים:
קובץ מצורף 47818
גם קודי התקלות בדפים הנוספים שצירפת מראים כאילו זה OBDII ולא DRB...
אכן כן ,1996 מעבר ל OBDII