צר לי, אבל כבר שכחתי את כל האלקטרוניקה...
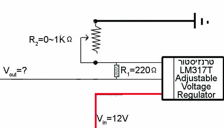
מה יהיה מתח המוצא של המעגל הזה כתלות בהתנגדות הרגעית של R2?
אם במקום R1 אשים 10R1=2200, ובמקום R2 פטנציומטר עד 10R2, כלומר 10K, מה יהיו מתחי המוצא?
קובץ מצורף 69166
Printable View
צר לי, אבל כבר שכחתי את כל האלקטרוניקה...
מה יהיה מתח המוצא של המעגל הזה כתלות בהתנגדות הרגעית של R2?
אם במקום R1 אשים 10R1=2200, ובמקום R2 פטנציומטר עד 10R2, כלומר 10K, מה יהיו מתחי המוצא?
קובץ מצורף 69166
מתח המוצא של המעגל הוא 1.25 פלוס 1.25 כפול R לחלק ל 220,
אם תכפיל את עכי הנגדים פי עשר המתח התיאורטי לא ישתנה אבל המתח המעשי כן ישתנה בגלל זרמי הזליגה.
ד"א - מעשית הייתי בונה את המעגל אחרת ומוסיף לו כבלי סינון, איזה תחום מתחים אתה צריך?
תודה, סדר גודל של 4-6 וולט.
צריכת הזרם זניחה, כמה עשרות מיליאמפרים גג.
שאלתי על הגדלת הנגדים כי יש לי פוטנציומטר יפה מדוייק וקטן, תעופתי, אבל הוא 10K.
מה יהיה השינוי המעשי?
קשה לדעת מה יהיה השינוי המעשי והוא ישתנה כתלות בטמפרטורה,
זרם הזליגה הוא 50-100 מיקרו אמפר, תכפיל את זה בעשרות קילו אוהם אז אתה יכול להגיע למאות מילי וולט ובמקרה הגרוע להתקרב לוולט,
בכל מקרה אם אתה מכייל את המתח אז אני לא מאמין שהשינוי הדינמי (כתוצאה משינוי תנאי סביבה) יהיה יותר מעשרות עד מאה מילי וולט.
אפליקציה נחמדה לאנדרויד שיכולה לעזור היא:
ElectroDroid
https://play.google.com/store/apps/d...ttronica&hl=en
יש שם אופציה לחישוב של Voltage Regulator שתחסוך ממך את החישובים.
מעבר לזה שיש שם כל מיני מחשבונים, פילטרים, צבעים של נגדים וקבלים, סימוני SMD
Pinout וכו'.