2 קבצים מצורפים
ידית אורות בעייתית בסמוראי
שלום לכולם!
יש לי סמוראי סללים עם בעיה באורות,
מצב אורות חניה (הקטנים) עובד , אורות נסיעה לא ואורות גבוהים עובד גם עם משיכה פנימה וגם במצב קבוע.
בדקתי את כל הפיוזים ועברתי קצת עם רב-מודד לבדוק איפה הבעיה ולערכתי היא או בידית אורות או במעגל פיקוד שנמצא מאחורי ההגה.
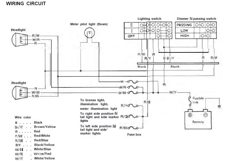
בספר רכב מצאתי את שתי השרטוטים המצורפים.
אין לי נסיון רב עם שירטוטים כאלה והשאלה היא כזאת: האם קיצור של חוט 18 בקונקטור הקטן לאדמה בצורה קבוע תביא אותי למצב שגם כאשר אני מסובב את ידית האורות לאורות חניה ידלקו לי גם אורות הנסיעה??
ד.א
אם למישהו יש רעיון / פיתרון אחר לבעיה אשמח לשמוע כיוון אחר :)
קובץ מצורף 75170קובץ מצורף 75171
תודה רבה!!
ליאב
תגובה: ידית אורות בעייתית בסמוראי
יכול להיות שהנורות עצמן נשרפו - בתוך הנורה יש 2 סלילים אחד לאור גבוהה והשני לאורות דרך - לכן אם האורות הגבוהים עובדים אז לוא דווקא האורות דרך תקינים גם הם.
תנסה להחליף לנורה תקינה (לפרק מרכב אחר או לקנות באיזה 20 שקל מקסימום ישאר ספייר)
והאם התקלה קרתה בבת אחת...? היו איזשיהם סימנים אחרים לפני שזה קרה..?
תגובה: ידית אורות בעייתית בסמוראי
זה קרה באותו זמן , ובתהליך של ידית כמעט עובדת - פחות עובדת - לא עובדת. שובהכוונה רק לארות הנסיעה , אורות חניה וגבוהים עובדים מצויין.
הנורות לא שרופות בדקתי אותם בנפרד עם בית מנורה אחר מחובר ל12v .
לקחתי רב מודד ואין הפרש של 12 וולט בהדקי הנורות כאשר אני משחק עם הידית - הבעיה במקום אחר :(
תגובה: ידית אורות בעייתית בסמוראי
הידית היא מאוד עדינה ומאוד יקרה,שילוב שגרם לי ללכת לחשמלאי רכב כשנתקלתי באותה בעיה בדיוק.
עניין של חצי שעה 150 שקל ואיזה קונקטור שהותך והוחלף.
תגובה: ידית אורות בעייתית בסמוראי
אתה יכול בבקשה לפרט לי על איך הקונקטור עכשיו? אולי תמונה.. וכרגע איך השליטה על האורות? כמו במצב תקין?
תגובה: ידית אורות בעייתית בסמוראי
עכשיו הכל תקין כמו במקור,לגבי צילום הקונקטור אה....,לצערי אינני זוכר איזה קונקטור ספציפי הוחלף, בזמן הזה שתיתי קפה :).