תגובה: ספייסר לדריישאפט...
תגובה: ספייסר לדריישאפט...
או לחילופין תייצר דרייבשאפט במידה הנכונה (יותר יקר אבל יותר נכון ובריא), אני מניח שזה נגרם כתוצאה מהגבהה ?
תגובה: ספייסר לדריישאפט...
כן, זה נגרם בעקבות הגבהה…
תגובה: ספייסר לדריישאפט...
בעיקרון הפתרון הנכון הוא להאריך את השיניים שבחלק הזכרי ובחלק הנקבי שבדריישפט.
ספייסר ייתן לך השלמה של החוסר באורך הדריישפט אך לא ישפר את נתוני הפתיחה של הדריישפט (מה שאתה נדרש כתוצאה מהגבהה שאני מתאר לעצמי ששיפרה את המהלכי מתלה)...
בהצלחה.
תגובה: ספייסר לדריישאפט...
אם אתה חותך את הצינור אתה לא משפר את ה'ביצועים' של הדריישפט. זאת אומרת שכאשר אתה מגביהה את האוטו ומשפר מהלכי מתלה אז הסרן יכול לרדת ולהיפתח יותר.
אם אתה מאריך רק את הצינור אז הדריישפט עדיין נפתח לאותו מהלך מקסימלי בהתאם להגבהה.
בקיצור- אם הגבהת את האוטו ליופי ולא עבור מהלכי מתלה שים ספייסר ותגמור סיפור, אם שיפרת את מהלכי המתלה והגבהה באה בעקבות זה - חייב להאריך את השיניים.
תגובה: ספייסר לדריישאפט...
דרך אגב מומלץ לעשות שינויים רק במקום שמורשה לכך...
2 קבצים מצורפים
תגובה: ספייסר לדריישאפט...
השיניים בחוץ כ-2 סנטימטר,
ההגבהה נעשתה ע"י הבעלים הקודם, אני קיבלתי את הרכב ככה.
ההגבהה היא ע"י ספייסרים.
המשפץ אמר שהאריכו את המוט אבל לא מספיק.
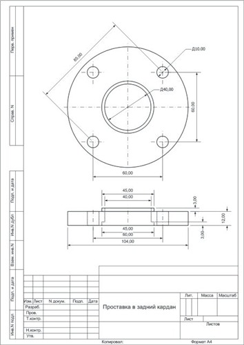
אני מצרף קבצי ספייסר שמצאתי. מקווה שיעזור למישהו.
אני אנסה מחר להשיג הצעת מחיר אצל חרט.
קובץ מצורף 92275קובץ מצורף 92274
תגובה: ספייסר לדריישאפט...
אם מדובר על הגבהה של 2" ועד RUF ולא SPOA המהלך של הזכר נקבה המקוריים מספקים בהחלט.
כן ספייסר או לא ספייסר? לא, לטובת זווית עבודה עדיפה לגל הינע, אם תאריך את הצינור תקבל זווית מתונה יותר מאשר אם תקרב לסרן את הפלאנג' של הטרנספר.
תגובה: ספייסר לדריישאפט...
עדכון: קיבלתי הצעת מחיר של 450 ש"ח, לא כולל מע"מ… נראה לי שאזמין מחו"ל
תגובה: ספייסר לדריישאפט...
תגובה: ספייסר לדריישאפט...
450 ש"ח כוללים ייצור החלק בלבד, מאלומיניום 6061.
תגובה: ספייסר לדריישאפט...
חפש באיביי, אני קניתי לפני כמה שנים, בסביבות 160 שקל..
תגובה: ספייסר לדריישאפט...
בזמנו מורי הזמין לי דרך חרט מאד מוכר מיהוד באיזור המאה שקלים... משהו לא מסתדר עם המחיר שציינת.
תגובה: ספייסר לדריישאפט...
תגובה: ספייסר לדריישאפט...
450ש"ח זו כבר העלות של הארכת הדרייבשאפט והחלפה של צלב מזדמן..
תגובה: ספייסר לדריישאפט...
בחו"ל זה נמכר בפחות ממאה ש"ח, רובם עם ציפויי אנודיז וכמובן ברגים… לא יודע איזה תחשיב הוא עשה.
תגובה: ספייסר לדריישאפט...
ציטוט:
נכתב במקור על ידי
e-Pit@m
צריך לחתוך את הצינור של הדרייבשאפט ולרתך חדש במידה הנדרשת.
לא לגעת בזכר נקבה..
אם אתה מאריך את הצינור ולא את השיניים, אתה צריך לבדוק שטווח התנועה נשאר מתאים לרדיוס המשתנה של עבודת הסרן.
שלא יהיה מצב שהמהלך כניסה של הגל-הינע נסגר, והסרן עדיין נע אחורה, ודופק את הטרנספר.
זה יכול להגיע לשבר של הטרנספר.
תגובה: ספייסר לדריישאפט...
עדכון: הוזמן חלק אצל חרט אחר, מחיר עוד לא סגור (לא רוצה לקחת כסף, מכיר את החבר'ה אצלי בעבודה. אני לא מוכן לא לשלם… ) בסוף אחרי חששות מלדפוק את הטרנספר, הזמנתי בעובי 2 סנטימטר.