שלום,
פירקתי את היחידה הפנימית הפנימית (דשבורד רנגלר) כדי להחליף עם יחידת פרומולה.
אני לא מצליח למצוא ברשת דיאגרמה כדי לגעת איזה חוט שייך למה.
אם מישהו יודע, אשמח.
תודה
אסף
קובץ מצורף 100519קובץ מצורף 100520
Printable View
שלום,
פירקתי את היחידה הפנימית הפנימית (דשבורד רנגלר) כדי להחליף עם יחידת פרומולה.
אני לא מצליח למצוא ברשת דיאגרמה כדי לגעת איזה חוט שייך למה.
אם מישהו יודע, אשמח.
תודה
אסף
קובץ מצורף 100519קובץ מצורף 100520
יש לי איפושהו ספר מוסך מקורי של רנגלר 94. אם אתה לא מסתדר אני אחפש אותו..
אסף.
תראה אם זה עוזר לך..
אסף.
קובץ מצורף 100579
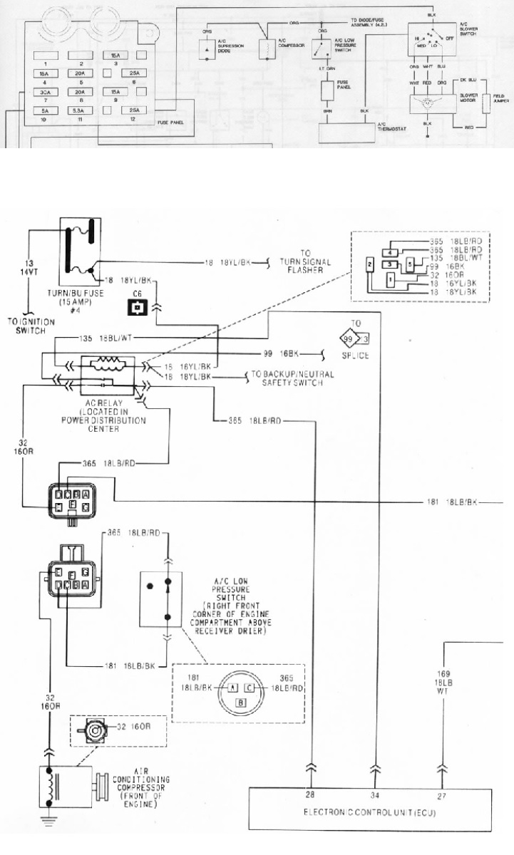
אסף תודה,
הדיאגרמה קצת שונה משלי, אצלי בחיבור 6 פינים ולא 7.
מצאתי כאן: http://home.comcast.net/~laybackman/94_YJ_AC.pdf דיאגרמה עם חיבור כמו אצלי, 6 פינים.
גם הצבעים והמיקומים שלהם זהים:
קובץ מצורף 100914קובץ מצורף 100915
ביחידת הפורמולה יש 2 חוטים בלבד, אדום (פלוס) וירוק - כנראה הטרמוסטט, ומינוס דרך הגוף של היחידה.
אני רוצה להשתמש בקונקטור המקורי. פלוס אני אמצא, האם לחבר את החוט הירוק של הפורמולה לרגל F?
תודה