ואו, מטורף!
נסה להשיג ממנו לפחות את הקבצים ואישור להדפיס עותק משלך....
נשלח מהנייד
Printable View
ואו, מטורף!
נסה להשיג ממנו לפחות את הקבצים ואישור להדפיס עותק משלך....
נשלח מהנייד
[emoji50]
וואוו!
קשה לתפוס את רמת הפירוט והדיוק. איך עושים דבר כזה?
הוא לא הדפיס! הכל עבודת יד מ polystyrene.
השלדה מאלומיניום ויש כמה חלקי ברזל.
יש לו אלבומים שלמים של התהליך בפייסבוק
קובץ מצורף 125911
קובץ מצורף 125912
קובץ מצורף 125913
קובץ מצורף 125914
הבחור ישב בחושך בקור לבד...
Sent from my LON-L29 using Tapatalk
וואו!
משוגע לגמרי.
מצאתי דגם של היילקס ישן ואני עובד לאט לאט לבנות אותו כהעתק, וזה קשה.
מה שהוא עשה כאן מדהים.
Slowly..
מרשים מאוד.
אני מחפש רפליקה של 1:33 של JK.
Sent from my iPhone using Tapatalk
עוד כמה עדכונים.
1- החלפת משאבת בלם.
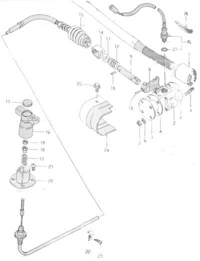
את המשאבה שיפצתי לפני כמה שנים. היא הייתה תקינה עוד לפני שיפוץ הטנדר אבל החלפתי את הגומיות והאטמים הפנימיים במהלך השיפוץ. לאחרונה נתגלו סימני רטיבות באזור הבוכנה והמשאבה הוחלפה. לצערי נוזל הבלמים הספיק להסיר את הצבע בכמה מקומות מסביב לחיבור הבוכנה. תיקוני צבע, החלפת המשאבה במקורית חדשה ורענון נוזל הבלמים במערכת כולה.
קובץ מצורף 125935 קובץ מצורף 125938 קובץ מצורף 125932
2- עוד קצת מנפלאות האינטרנט, גילתי שבאירופה נמכרו סמוראים עם סרן צר ונעילת דיפרנציאל מכאנית נשלטת. בחור איטלקי עם SJ410 פתוח שעוקב אחרי העמוד של הטנדרים בפייסבוק פרסם בקבוצה תמונה של חיווי מקורי לנעילת דיפרנציאל. במהלך השיפוץ ראיתי שבפאנל החיווי יש הכנה ל-3 נורות: איתותי אזהרה, 4WD, ועוד חלונית ריקה שעד עכשיו לא ידעתי למה משמשת. האיטלקי פתר לי את החידה כששלח לי תמונה של פאנל החיווי בסמוראי שנמכר במקור עם נעילה, בנוסף הוא שלח לי תמונה של הידית בין ההנדברקס לידית ההילוכים. התלהבתי מהגילוי ואמרתי לו שאצלי מותקנת נעילה אוטומטית, האיטלקי בקש את הכתובת ושלח לי פאנל חיווי עם שלושת המצבים.
קובץ מצורף 125934
קובץ מצורף 125937
קובץ מצורף 125936
3- עוד כמה תמונות מהרפליקה 1:10
קובץ מצורף 125933
קובץ מצורף 125939
קובץ מצורף 125940
קובץ מצורף 125941
ד"ש.
עכשיו תשיג נעילה כזו ותתקין מקדימה (כי הרי הדיפ זהה אצלך)
חשיבה מעניינת, אהבתי אך לא מרגיש שום צורך בנעילה קדמית, אני מגיע לכל מקום שאני רוצה עם האחורית ויחסי העברה הנמוכים.
אם להשיג אחת כזו, הייתי מעיף את הנעילת סטודנטים שיש לי מאחורה (לוקרייט) ועובר לנשלטת. מעניין אם זה מוצר טוב או נסיון כושל.
פרויקט...ים...מדהימים ומעוררי השראה.
כל הכבוד על עבודת השורשים!
אני בטוח שהרבה בעלי SJ כולל אני לא חשבו בכלל על האפשרות הזאת.
Sent from my H3123 using Tapatalk
רציתי לדעת מאיפה הזמנת את המשאבת ברקס החדשה? אצלי עושים המון בעיות עם המשלוח של זה לארץ
עוד פרטים לגבי הנעילה המכאנית של הסמוראי.
ככה זה נראה מבחוץ, לצערי לא מצאתי תמונות או תרשים פיצוץ שיסבירו איך זה עובד.
כרגע אני לא יודע אם אוכל להתאים את זה לסרן שלי או שאצטרך להחליף את כל הסרן. אבל איתרתי מישהו שמוכר.
קובץ מצורף 126319
קובץ מצורף 126318
ירד מהרכב הזה:
קובץ מצורף 126320
אשכרה...
פעם מורי סיפר לי שיש נעילה מקורית של סוזוקי לסמוראי אבל הייתי סגור שהוא מערבב אותי.
Sent from my Redmi Note 5 using Tapatalk
מריח לי שזו הולכת להיות הוצאה גדולה מאוד ואולי גם הכי מיותרת ומגניבה יחד :)
תביא - אבל את כל הדיפרנציאל והציריות לא רק חלק. בקיצור הכל חוץ מהבית סרן.
ולהתאים לסרן שלך..... נו... תמיד יש דרך.
אסף.
אולי כבר אקח את הטנדר לשם?
אם השילוב הוא על הצירייה אז יכול להיות. אם היינו יודעים היה יותר פשוט.
אם זה מופיע בקטלוג חלקי חילוף תוכל לראות אם המקט משותף.
אסף.
זהו, שעדיין לא מצאתי את זה. תוכל להסביר איך עובדת נעילה כזו עם שילוב על הצרייה?
אהלן, זכרתי שלפני כמה שנים ראיתי דיון על הנושא בפורום זר. השמועה הלא מבוססת גורסת שסוזוקי יצרו את הסרן הנעול עבור השוק הגרמני, שכן על פי התקן הגרמני בלם החנייה צריך לעבוד גם כשיש גלגל באוויר/ללא אחיזה.
משום שבSJ בלם היד נמצא ביציאה מהטנספר, הוא לא עובד כשיש גלגל באוויר. לכן, נדרש הפתרון הזה. מצאתי את הדיון (כולל תרשימים):
https://r.tapatalk.com/shareLink/top...ink_source=app
בפורום נוסף יש תמונות של הסרן מבפנים:
http://forum.difflock.com/viewtopic....4d3b8dda83ba37
משלבת את הצירייה לבית הסטליטים. מספיק לנעול צירייה אחת ואז כל הבית מסתובב יחד. זו שיטת הנעילה הכי פשוטה - יעילה - חזקה, וזה מה שרוב היצרנים יעשו כפיתוח מקורי ולא רטרופיט.
אסף.
נייס! מה דעתכם, שווה את ההשקעה?
מצורפות תמונות של הדיפ והצרייה.
קובץ מצורף 126331
הצרייה:
קובץ מצורף 126323
האוזינג:
קובץ מצורף 126325
השרוול:
קובץ מצורף 126327קובץ מצורף 126324קובץ מצורף 126326קובץ מצורף 126328
המנגנון מבחוץ:
קובץ מצורף 126329קובץ מצורף 126330
- - - Updated - - -
איזה מלך!