כננות רמזי עם פיקוד קצת שונה. נדמה לי שמישהו כאן שיפץ כזו והעליתי את הסכימה. אם לא תמצא אני אחפש.. אבל אמור להיות ברשת.
אסף.
Printable View
כננות רמזי עם פיקוד קצת שונה. נדמה לי שמישהו כאן שיפץ כזו והעליתי את הסכימה. אם לא תמצא אני אחפש.. אבל אמור להיות ברשת.
אסף.
אם זה 2 חוטים זה קל, הצלבת קוטביות פשוטה.
יש באלי ממסרים ייעודים לזה, אבל לא מצאתי עדיין עם הספק מעל 150 אמפר
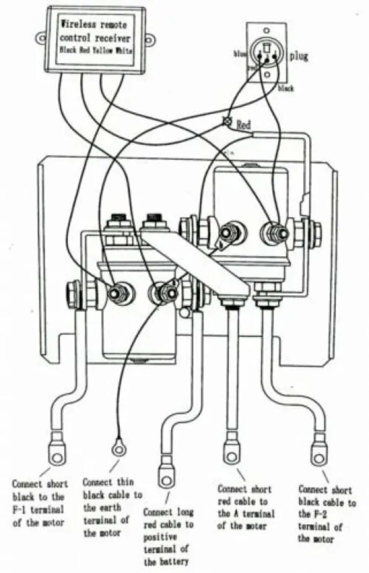
האמת שבסםר שממנו האיור - יש בעמוד 11 את התרשים פיצוץ של קופסת הסולנואידים..... יותר מזה לא צריך.
אסף.
מוטי , קופסת הפיקוד שהצעתי לך מכילה זוג ממסרים כפולים ( שני ניתוקים או חיבורים במקביל ) מיועדים לעבודה רציפה של נדמה לי 300A .
נרכשו בזמנו מגרינוואלד בתל אביב .
אילן
תודה לכולם,
אני שם את זה בצד בינתיים, אני בפוקוס על תקלת הסלד הגבוה קודם,היום חוויתי איבודי כוח מעל 2200 סלד מעצבן נורא אבל זה מורגש יותר אז זה טוב.
אתחיל בהחלפת מסנן סולר שלא החלפתי מאז הקניה, הוא במחסן מחכה לי.
וגם הכנה לטסט חצי שנתי ואחרי שתהיה חותמת אתעסק בכננת, אחכ בקיץ אתעסק עם ההחלפות של פגושים אישורים וכו,או אם תגיע מוזה מטורפת לדיסק ורתכת
עוד משימה שהייתה תקועה לי בראש, אפשר לעשות V
יש חיווי לאור גבוה!
על הדרך החלפתי נורות רקע גם במסך lcd.
תאורות רקע החלפתי רק נורה העברתי את הכיסוי קונדום הירקרק , תאורת lcd הבאתי חדש מחנות חלפים הקרובה, כולל בית.
נורת אור גבוה לא היה בכלל בית נורה [emoji2357] והבית של תאורת lcd לא מתאים, אז נזכרתי שיש לי לוח שעונים קומפלט של ד1, והנורת אור גבוה שלו מתאימה בול
עוד משימה שהייתה תקועה לי בראש, אפשר לעשות V
יש חיווי לאור גבוה!
על הדרך החלפתי נורות רקע גם במסך lcd.
תאורות רקע החלפתי רק נורה העברתי את הכיסוי קונדום הירקרק , תאורת lcd הבאתי חדש מחנות חלפים הקרובה, כולל בית.
נורת אור גבוה לא היה בכלל בית נורה [emoji2357] והבית של תאורת lcd לא מתאים, אז נזכרתי שיש לי לוח שעונים קומפלט של ד1, והנורת אור גבוה שלו מתאימה בול https://uploads.tapatalk-cdn.com/202...b78c812ef1.jpg