1 קבצים מצורפים
תגובה: צ׳רוקי XJ - נורות לא נדלקות בלוח השעונים וכמובן שלא מתניע
סופסוף הצלחתי למצוא את ספרות היצרן לשנתון הספציפי, שהוא שונה מזה שלפניו וגם מזה שאחריו, כמובן ...
https://ia804603.us.archive.org/34/items/96-jeep-cherokee-sm-with-supplement/96%20Jeep%20Cherokee%20SM%20with%20Suppl ement.pdf
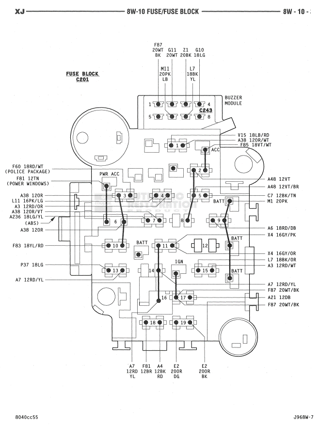
ומתוכה שרטוט של קופסת הפיוזים:
קובץ מצורף 140450
נראה שהחיבור בין נקודת IGN לבין היציאה של פיוז 17 אמורה להיות בקופסת הפיוזים עצמה.
אנסה להציץ בצד האחורי עם מראה או מצלמת סיב ונראה מה אמצא שם (כי לפרק זה כלבת, מצריך לפרק את משאבת הקלאץ' העליונה, ועדיין זה יהיה כלבת ...)
אני מפספס משהו ?
תגובה: צ׳רוקי XJ - נורות לא נדלקות בלוח השעונים וכמובן שלא מתניע
כנראה שכן.
תחליף פיוז , הגיוני שהוא שרוף על אף שנראה שלם,\ או שהוא לא יוצר מגע טוב עם הרגל.
רציפות בין 17 ל-IGN תבדוק ללא פיוז בפנים.....
צ׳רוקי XJ - נורות לא נדלקות בלוח השעונים וכמובן שלא מתניע
ומה שאתה אומר זה שב 17 יש פלוס וב IGN אין?
איפה אתה מוסיף פלוס והכול מסתדר?
נסה לסכם מחדש ואולי אפילו על גבי השרטוט
צלם בבקשה גם את קופסת הפיוזים
https://uploads.tapatalk-cdn.com/202...8666f4ebfb.jpg
תגובה: צ׳רוקי XJ - נורות לא נדלקות בלוח השעונים וכמובן שלא מתניע
בדיוק. בפיוז 17 יש חשמל וב- ign אין.
לפני שהחלפתי משאבת דלק גם בפיוז 17 לא היה חשמל
צילום של הקופסה יש בהודעה הראשונה.
חיבור חשמל ל- ign מחזיר את הנורות.
תגובה: צ׳רוקי XJ - נורות לא נדלקות בלוח השעונים וכמובן שלא מתניע
ציטוט:
נכתב במקור על ידי
shmil
כנראה שכן.
תחליף פיוז , הגיוני שהוא שרוף על אף שנראה שלם,\ או שהוא לא יוצר מגע טוב עם הרגל.
אני בודק עם נורת ביקורת, אז זה לא עניין של ניראות.
צ׳רוקי XJ - נורות לא נדלקות בלוח השעונים וכמובן שלא מתניע
ציטוט:
נכתב במקור על ידי
נדב42
בדיוק. בפיוז 17 יש חשמל וב- ign אין.
לפני שהחלפתי משאבת דלק גם בפיוז 17 לא היה חשמל
צילום של הקופסה יש בהודעה הראשונה.
חיבור חשמל ל- ign מחזיר את הנורות.
בשרטוט נראה בבירור גשר בינהם.
קצר מאוד.
זה כנראה כל המקטע החשוד.
נראה לי שזה לא יקך לך הרבה זמן לפתור זאת .
מה זה החוט החום או האדום הזה שנכנס ל 16? זה חלק מהבדיקות שלך?
https://uploads.tapatalk-cdn.com/202...ca6486dc8b.jpg
תגובה: צ׳רוקי XJ - נורות לא נדלקות בלוח השעונים וכמובן שלא מתניע
הבעייה היא שמאוד מורכב לשחרר את קופסת הפיוזים ממקומה, ואני פוחד לשבור קליפסים בדרך, כך שגם אם אזהה את הניתוק ולא אמצא דרך לתקן אותו במקום, אז אעדיף לעשות מעקף חיצוני ולסגור את הפינה הזו.
הרכב הזה מלא קומבינות חשמל ואין לי זמן ליישור קו כרגע...
לגבי החוט האדום, עניתי קודם, אין לי מושג ...
תגובה: צ׳רוקי XJ - נורות לא נדלקות בלוח השעונים וכמובן שלא מתניע
תגובה: צ׳רוקי XJ - נורות לא נדלקות בלוח השעונים וכמובן שלא מתניע
ציטוט:
נכתב במקור על ידי
shmulikbg
בדקת רציפות בין 17 לIGN?
ה IGN מוזן מ 17 והוא מת בלי שלנדב יש גישה לאחורי הקופסא בשביל לתקן את המגעים שם.
אז אכן אפשר לעשות גישור מלפנים.
מציע לך בהמשך להשתמש בפיוז שק קמח כאלו ולחבר בינהם את החוטים. ככה לפחות זה יהיה יציב לאורך זמן.
https://uploads.tapatalk-cdn.com/202...90a86306c6.png
תגובה: צ׳רוקי XJ - נורות לא נדלקות בלוח השעונים וכמובן שלא מתניע
ציטוט:
נכתב במקור על ידי
נדב42
לגבי החוט האדום, עניתי קודם, אין לי מושג ...
החוט האדום מקורי, הולך לפיקוד חשמלי של כסא הנהג, או לפאנל קונסולה מרכזית בספסל אחורי. זה מחיפוש קצרצר בגוגל. יש הרבה מידע בפורומים בחו"ל, תכתוב בגוגל AMC fuse box ותמשיך משם..
Sent from my SM-J710F using Tapatalk
תגובה: צ׳רוקי XJ - נורות לא נדלקות בלוח השעונים וכמובן שלא מתניע
זה אכן נראה כמו משהו מקורי ולא קומבינה, קבלו תמונת תקריב ...https://uploads.tapatalk-cdn.com/202...f4db169e2e.jpg
תגובה: צ׳רוקי XJ - נורות לא נדלקות בלוח השעונים וכמובן שלא מתניע
ציטוט:
נכתב במקור על ידי
shmil
או שהוא לא יוצר מגע טוב עם הרגל.
לא סתם יש בטאפאטוק סמלון של מלך ליד השם שלך [emoji4]
מגע של הפיוז [emoji1751]
ללחוץ לא עזר, אבל להוציא, לרסס ספריי מגעים בנדיבות ולהחזיר בחזרה - עבד כמו גדול [emoji4]
תודה [emoji4]
תגובה: צ׳רוקי XJ - נורות לא נדלקות בלוח השעונים וכמובן שלא מתניע
אין לי מושג על איזה סמלון אתה מדבר, כי אני לא רואה אותו, אבל - שמח שנמצאה הבעייה!
ואגב, לכל מה שדיברנו על סויץ וכדומה, מהיום כדאי תמיד לציין שזה OBDII, או DRBII, וכמעט כל דבר שונה ממה שמוכר בסופות או בצ'רוקים עד 96.
יש המכנים את הצ'רוקי שלך "מודל 96.5 ומעלה", כי בתחילת 96 הם עוד היו DRB בלבד, ולכן תואמי סופה בגדול.
תגובה: צ׳רוקי XJ - נורות לא נדלקות בלוח השעונים וכמובן שלא מתניע
תגובה: צ׳רוקי XJ - נורות לא נדלקות בלוח השעונים וכמובן שלא מתניע
ציטוט:
נכתב במקור על ידי
shmil
יש המכנים את הצ'רוקי שלך "מודל 96.5 ומעלה", כי בתחילת 96 הם עוד היו DRB בלבד, ולכן תואמי סופה בגדול.
הממ... לא בדיוק... לא "ומעלה" ...
97 זה כבר חיה אחרת, השרטוטים שונים מאוווד ...
מעתה אמור: מודל 96.5 או Second edition [emoji1751]
תגובה: צ׳רוקי XJ - נורות לא נדלקות בלוח השעונים וכמובן שלא מתניע
ברור שהייתי חייב לקנות רכב ייחודי, שיוצר לתקופה קצרה עם הבדלים בינו לבין אלו שיוצרו מספר חודשים לפניו או אחריו ...
כשאני חושב על זה, גם הויטארה היא מבציר כזה ...
אבל אני אוהב את שניהם [emoji4]
אולי הבעייה היא לא ברכבים ... [emoji1751]
תגובה: צ׳רוקי XJ - נורות לא נדלקות בלוח השעונים וכמובן שלא מתניע
בכל מקרה, הוחלפו כל הפיוזים שהיו בקופסה - חלקם התפרקו לי ביד או שהיו משותכים קלות למגענים שלהם, וחלק היו בערכים לא נכונים.
עכשיו כולם חדשים, תואמים לערכים שקבע היצרן, ואחרי ניקוי מגעים ופינוק נדיב בספריי מגעים "יבש".
נקווה לשקט בגיזרה [emoji4]https://uploads.tapatalk-cdn.com/202...3b45d283f2.jpghttps://uploads.tapatalk-cdn.com/202...8acb100ff0.jpghttps://uploads.tapatalk-cdn.com/202...62a10fff3b.jpg
תגובה: צ׳רוקי XJ - נורות לא נדלקות בלוח השעונים וכמובן שלא מתניע
בדיוק בזמן לחשבון נפש.....
תגובה: צ׳רוקי XJ - נורות לא נדלקות בלוח השעונים וכמובן שלא מתניע
לא בטוח שיהיה שקט בגזרה.
לפעמים מה שמתעייף הוא בית הפיוז עצמו. המגעני נקבה מתעייפים והפתח שלהם מתרחב וכבר לא יוצר אחיזה ומגע מספיק טובים.
תגובה: צ׳רוקי XJ - נורות לא נדלקות בלוח השעונים וכמובן שלא מתניע
בדקתי כמובן, המגעים הדוקים, לא הייתי משאיר את זה אם היו רפויים, תמיד אפשר לדחוף חתיכת גומי מהצד לתמיכה ...
תגובה: צ׳רוקי XJ - נורות לא נדלקות בלוח השעונים וכמובן שלא מתניע
ציטוט:
נכתב במקור על ידי
shachar
בדיוק בזמן לחשבון נפש.....
למה אתה מתכוון ?
תגובה: צ׳רוקי XJ - נורות לא נדלקות בלוח השעונים וכמובן שלא מתניע
בדיחה על יום כיפור.
Sent from my SM-N986B using Tapatalk