10 קבצים מצורפים
תגובה: המדריך לפגרואיסט המתחיל
החלפת ידית דלת חיצונית
לא כזה כיף לפתוח את הדלת מבחוץ ולשמוע את קליק השבירה של המנוף הפנימי, במיוחד אם מופעל בדלת מנגנון הילדים. למזלנו יש לרכוש ברשת סטים שלמים של ידיות בעלות יחסית נמוכה (90-120 ש"ח) לצערנו איכות הידיות סבירה מינוס ויתכן כי הידית תישבר שוב.
כלים שצריך:
מברג פליפס ראש בינוני
מברג שטוח דק
ידית או בוקסה + מאריך 10 מ"מ
ההליך:
קובץ מצורף 107628
1. נפתח את המאפרה, נוציא אותה ונניח בצד. נפתח את הבורג שמחזיק את הבית שלה ונניח את החלקים בצד (עדיף בשקית שלא נתבלבל).
קובץ מצורף 107629
2. נפתח את בורג הידית ונסיר את חלק הפלסטיק, נניח את החלקים בצד (עדיף בשקית שלא נתבלבל).
קובץ מצורף 107630
קובץ מצורף 107631
3. בעזרת מברג שטוח דק נסיר את כיסויי הברגים שעל הידית ונפרק את הברגים שבפנים.
קובץ מצורף 107632
4. ננתק את דיפון הדלת מהדלת עצמה וננתק את מחבר חלון החשמל מהדיפון, נניח את הדיפון בצד בזהירות. הדלת מתנתקת על ידי משיכה של פיני הפלסטיק שמחזיקים אותה ולאחר מכן דחיפה קלה מעלה. זהירות- אלה חלקים בני 15 שנה ולא צריך הרבה בשביל שישברו.
קובץ מצורף 107633
5. ישנה יריעת ניילון שתפקידה למנוע מלחות לחדור לרכב, ייתכן ונגלה כי היא כבר פורקה בעבר, אם לא - נפתח אותה ונדאג גם להחזירה למקום בסוף ההתקנה.
קובץ מצורף 107635
6. בעזרת מפתח 10 נפרק את הברגים של מנוע הנעילה המרכזית ונזיז אותו הצידה קלות – המנוע מסתיר לנו את הבורג הימני של הידית עצמה.
קובץ מצורף 107634
קובץ מצורף 107636
7. נפרק את הידית עצמה על ידי פתיחת שני ברגים שמחזיקים אותה, בצד שמאל ישנו חור ייעודי לכך בדלת, נוריד את מנוף המנעול עם היד ונפתח את הבורג. זהירות – זה לא כיף, כשבורג או בוקסה נופלים לתוך הדלת.
קובץ מצורף 107627
8. אפשר לחבר את הידית החדשה, לוודא שמנגנון המנוף של הדלת נמצא מתחת למנגנון המנוף של הידית, לסגור את הדלת ולבדוק אם הידית מתפקדת – רוב הסיכויים שלא. מה שקורה זה שעם הזמן המנגנון מתעייף וצונח, הדרך היחידה שאני מכיר לתיקון הנושא היא עיבוי המנוף של הידית בדרך כלל על ידי ליפוף איזולירבנד עליו.
9. לאחר הגענו למידת העיבוי הנכונה של הידית והפתיחה של הדלת הולכת חלק, נהדק את ברגיי הידית, נחזיר את מנוע הנעילה למקומו ונהדק את ברגיו, נסגור את הפתח הניילון, נחזיר את דיפון הדלת ( לא לשכוח לחבר מחבר מתח חלונות חשמל) בלחיצה מדויקת על פיני בפלסטיק, נחזיר את המאפרה, פלסטיקת הידית הפנימית , ברגיי ידית האחיזה והכיסוי שלהם.
5 קבצים מצורפים
תגובה: המדריך לפגרואיסט המתחיל
החלפת שמן טרנספר
החלפת שמן טרנספר:
ספר הרכב קובע החלפת שמן טרנספר כל 48-45אלף ק"מ או 3 שנים. אישית אני מחליף שמן אחת לשנה. סוג השמן - 80-90, כמות – 2.6~ ליטר.
על מנת לבצע החלפת שמן לטרנפסר נצתרך קודם כל לפרק את פלטת המיגון האורגינלית שלו, שם לב – במהלך השנים הברגים נוטים להיהרס או לעבור התעללות, אם בזמן פירוק הפלטה הברגים כבר משוחררים כדאי מאוד להחליפם, כמו כן ייתכן כי האומים המרותכים בצד השני כבר הרוסים אף הם, אם כך – מומלץ להשתמש בברגים חדשים – ארוכים יותר ולסגור עם אום חדש מהצד השני – בנוסף על האום המרותך או להחליף ברגים בקוטר קטן יותר ולסגור עם אום מהצד השני.
כלים:
בוקסה 14 מ"מ (אם אני זוכר נכון) לפתיחת פלטת המיגון.
בוקסה 24 מ"מ ומאריך לבורג המילוי.
מפתח 24 מ"מ לבורג הריקון.
כלי לאיסוף שמן
מזרק למילוי שמן או כל אביזר מתאים אחר.
ההליך:
1. נעמיד את הרכב על משטח מפולס, לרוב לא נדרש להרים את הרכב באוויר אבל חובה לוודא שהרכב עם בלם יד משוך ובמצב P ובכל מקרה לא להשאיר את המפתחות בתוך הרכב.
קובץ מצורף 107682
2. נפרק את פלטת המיגון ונניח אותה ואת הברגים שלה בצד.
3. נבחן את הטרנספר ונחפש עדויות לרטיבות/נזילות בעיקר בנקודות חיבור הדרייבשאפטים. נוודא כי תושבת הטרנספר איננה קרועה ומחוזקת כראוי.
4. מומלץ מאוד להניח ניירות או חתיכת קרטון על מנת למנוע מהשמן לטפטף על הרצפה, נניח מתחת לאזור פקק הריקון מיכל עם משפך או כל דבר אחר אשר יאסוף את השמן הישן.
קובץ מצורף 107683
5. ננקה את אזור בורג המילוי, בעזרת בוקסה 24 מ"מ נשחרר את בורג המילוי שממוקם בצידו האחורי של הטרנפסר - בחלקו האמצעי.
קובץ מצורף 107684
6. ננקה את אזור בורג הריקון ובעזרת מפתח רינג 24 מ"מ נפתח את הבורג שממוקם בצידו שמאלי של הטרנספר, שם לב - עקב הקרבה למוט הפיתול אין מקום לבוקסה באזור זה.
7. לאחר שהחלה זרימת השמן נפתח את בורג המילוי ונסירו לגמרי.
8. נבחן את בורג הריקון המגנטי, נמרח וננקה את הבורג על מגבת נייר – האם הוא מכיל שבבי מתכת?, משחה שמנונית שמצטברת היא עניין קביל. ניתן אם רוצים בשלב זה לעבור הליך המורחב להחלפת השמן.
9. לאחר שכל השמן יצא מן הטרנפסר נחזיר את בורג הריקון למקומו ונהדק – זהירות שלא להדק ייתר על מידה, אין גישה במקום זה למפתח מומנט וגם בספר לא כתוב ערך.
10. בעזרת מזרק השמן נמלא שמן דרך פתח המילוי – עד אשר השמן יגיע לשפת הפתח ונסגור את בורג המילוי.
הרחבת החלפת השמן בטרנספר:
קובץ מצורף 107686
קובץ מצורף 107685
אם מתחשק לך להשקיע אז לטענת האוסטרלים ישנה דרך טובה יותר להחליף שמן בטרנספר -
לאחר ריקון השמן דרך בורג הריקון (בורג 62) יש לפתוח את פתח השירות שמוקף באדום כאשר יש כלי לשמן מתחתיו. יצא משם לא מעט שמן צמיגי/משחתי שהצתבר עם השנים ולא מתנקז דרך הבורג. סוגרים מחדש לאחר מריחת RTV סביב האטם.
4 קבצים מצורפים
תגובה: המדריך לפגרואיסט המתחיל
תושבת צד טרנפסר:
קובץ מצורף 107695
זהו לרוב אחד החלקים המוזנחים ונשכחים ביותר ברכב. מדובר בתושבת שתפקידה למנוע גלגול של הטרנספר. אורך החיים של התושבת הוא קצר מאוד (בתמונה – פחות מחצי שנה)
קובץ מצורף 107696
הרבה אוסטרליים פשוט לא מחליפים אותה, חלקם בנו תושבות מאולתרות וחלקם חיזקו את התושבת הקיימת, הגומי הדק שבתושבת פשוט נקרע.
קובץ מצורף 107697
החלפת התושבת הינה הליך מהיר מאוד.
התושבת מוחזקת על ידי שני ברגים – האחד לשלדה ושני עובר דרך הטרנספר.
להסרת/הרכבת התושבת :
1. בעזרת מפתח 14 מ"מ ובוקסה 14 מ"מ נשחרר את הבורג שעובר דרך התושבת והטרנספר ונניח אותו בצד.
קובץ מצורף 107694
2. בעזרת בוקסה 14 מ"מ נשחרר את האום אשר מחזיק את התושבת לשלדה ונסיר את התושבת.
3. סדר ההרכבה - נמקם את התושבת במקום, נחבר את הבורג שעובר דרך התושבת והטרנספר ונהדק, נהדק את הבורג שמחבר את התושבת לשלדה.
תגובה: המדריך לפגרואיסט המתחיל
כל בעל פאגרו מכיר את החוויה של הידלקות נורות הסליל, מפלס שמן, טעינה ו-A/T לאחר מעבר מים בחורף. הסיבה היא השפרצת מים אל תוך האלטרנטור - כאשר זה קורה - לא לכבות את הרכב (!) אלא להמשיך לנסוע כרגיל, מים זה לא נורא - אבנים, בוץ וחצץ שמגיע עם המים זה מה שגורם לנזק.
האלטרנטור ממוקם במקום יחסית פגיע וחשוף, יש שהוסיפו מיגון בדמות גומי אשר מונע השפרצה ישירה על האלטרנטור.
שיפוץ אלטרנטור:
תאמת שאין לי הרבה מה להוסיף על הסרטון, רק לזכור שצריך מלחם גיבור. אין ממש טעם לתרגם ואין צורך להסבר עם תמונות, הבחור מכסה את כל מה שצריך.
https://www.youtube.com/watch?v=qOo0iSnmwP4
החנות שלו שיש בה כל מה שצריך לשיפוץ ועוד:
http://stores.ebay.ie/goldlion-autoelectrics
יש באינטרנט וגם בארץ תואמים סיניים אשר איכותם ירודה בהרבה מן המקורי.
https://www.alibaba.com/trade/search...ero+alternator
עוד מידע:
http://www.jeepolog.com/forums/showt...97%D7%9C%D7%94
תגובה: המדריך לפגרואיסט המתחיל
תודה רבה תותח!!!
אני בטוח שאני אשתמש בזה הרבה
מחכה להמשך
בדיוק קניתי ☺
תגובה: המדריך לפגרואיסט המתחיל
2 קבצים מצורפים
תגובה: המדריך לפגרואיסט המתחיל
הזמנה מאתרי חלקים בחול
האינטרנט הוא מקור יחסית קל וזול להשגת חלקי חילוף עבר הרכב המזדקן.
אתרי קניות לחלקים מקוריים:
https://www.megazip.net/
https://www.amayama.com/en/
קובץ מצורף 108823
בשני האתרים הללו נידרש להזין את דגם הרכב ותת דגם. הנתונים הללו מופעים על גבי לוחית שמורכבת על מכסה המנוע. אני מעדיף את מגה זיפ מאחר והתת דגם ברור יותר לבחירה ובאתר הזה יש תרשימי פיצוץ שמאוד קל להבין. מומלץ לאחר שהשגת את המק"ט שנדרש לך (לדוגמא: MR776263 ) לבצע השוואת מחירים בין האתרים השונים. אתר אחד עשוי שלא להחזיק את המוצר למכירה בעוד שאחר כן ועשויים להיות גם פערים במחיר.
במגה זיפ בנוסף לעלות החלק והמשלוח שמחושבים בעת התשלום ישנה גם עמלה בארץ שעומדת על 36 ש"ח, כמו כן תידרש להצהיר כי אינך מוסך, שהחלק לשימוש אישי ולמסור מספר רכב – כל זה יעשה בטלפון והמשלוח יגיע אליך הביתה עם שליח (לפחות בכל המקרים שלי). כל החוקים בדבר שחרור מהיר וחלפים שמותר ואסור לייבא חלים.
עוד מידע בנושא כאן:
http://www.jeepolog.com/forums/showt...91%D7%95%D7%A8
בעלי אקספרס המוצרים לרוב אינם מקוריים, האתר מאוד חזק בפאגרו וחברים כבר הזמינו לא מעט חלפים, חלקים ופיציפקס לשביעות רצונם.
דוגמאות:
מאורר מזגן תחליפי תואם:
http://www.aliexpress.com/item/Air-C...5-b24a816047bc
אי ביי:
באי ביי ניתן למצוא לא מעט חלפים ולהבדיל משאר האתרים גם חלקים משומשים
שחקן מאוד חזק באי ביי הוא MITZY BITZ הבריטי
http://www.ebay.com/sch/mitzybitz/m....1&_ipg=&_from=
חובה לבדוק שהחלק שאתה מעוניין בו תואם לדגם שלך לחלוטין, דוגמא לפנס אחורי שלא תואם לפנסים שמורכבים בארץ מאחר ובפנסים שלנו אין איתות:
קובץ מצורף 108822
יש לזכור:
בחלקי פח - חוץ יש הבדל בין דגם מנופח (WIDE) לרגיל, כנ"ל לחלקי דאשבורד מסויימם.
גם מה שכתוב בתאור המוצר הוא לא חקוק באבן. מוכרים טועים לעיתים בתיאור, הדרך הכי טובה להימנע מטעויות היא לקבל המלצה מחבר שכבר הזמין, קיבל והרכיב.
הפאגרו נפוץ באוסטרלייה ואנגליה שם ההגה בצד השני. אם התיאור כולל passenger side/driver side חובה לוודא שזה תואם לרכב שלך.
7 קבצים מצורפים
תגובה: המדריך לפגרואיסט המתחיל
אילתור תיקון מראת צד
מראת צד רוקדת היא תופעה דיי שכיחה בפאגרו, המנגנון החשמלי מחובר לזכוכית עצמה והוא עצמו מתחבר לגוף המראה על ידי בורג תחתון ושני אוזניים, מה שקורה בדרך כלל הוא שלפחות אחת מן האוזניים נשברת והמראה מתחילה לרקוד בבית. לצערי לא מצאתי באתרים היפנים או באיביי מראה מקורית או תחליפית חדשה שכוללת את המנגנון, יש משומשות באיביי עם כל המשתמע מכך - חובה לשים לב למנגנון – אוטומטי/ידני, עם חימום או בלי חימום וכמובן אפשר למצוא בפרוקיות.
קובץ מצורף 108862
קובץ מצורף 108863
התיקון הוא בעצם הדבקת המראה חזרה לתושבת שלה.
כלים לתיקון:
מברג פיליפס.
דבק אלסטי – אני השתמשתי בסופר 7.
מסקינטייפ, איזוליר בנד וכו.
משהו שייצר לחץ על המראה בזמן ההדבקה.
1.בתחתית המראה יש חור דרכו נכניס את המברג ונפתח את בורג הפיליפס. זהירות, רוב הסיכויים שברגע שנפתח את הבורג ההברגה שלו תישבר. ככה זה פלסטיק בן 15...
קובץ מצורף 108857
קובץ מצורף 108859
2.בשלב זה אפשר להוציא את המראה החוצה מן הבית, שם לב שהיא עדיין מחוברת בכבל חשמלי לבית.
קובץ מצורף 108858
3.ננקה את אזורי ההדבקה ונמרח דבק על כולם.
קובץ מצורף 108860
4.נחזיר את המראה למקום. אם תושבת הבורג לא נשברה נבריג אותו חזרה למקומו.
5.בעזרת האיזולירבנד וספוג או כל דבר אחר נייצר לחץ על המראה וניתן לדבר לעשות את שלו.
קובץ מצורף 108861
4 קבצים מצורפים
תגובה: המדריך לפגרואיסט המתחיל
החלפת יוניט לחץ שמן
אם פתחתם את מכסה המנוע לבדיקה שגרתית ומצאתם את כל צד ימין (צד נהג) רטוב משמן יש מצב טוב שהיוניט לחץ שמן שלכם נוזל. בגלל שמדובר על יוניט שנבנה בתוכו לחץ שמן ובזכות הקרבה למאוורר והרצועות הוא ידאג למלא לכם לפחות חצי מתא המנוע בשמן.
את היוניט תמצאו מאחורי הרדיאטור בצידו הימני של תא המנוע מתחת לאינטרקולר ואם הוא מוצף שמן אז הסבירות שהוא נוזל היא כבר די גבוהה.
ההחלפה פשוטה ודורשת את הכלים הבאים:
1. בוקסה 27 מ"מ, רצוי ארוכה
2. ידית ראצ'ט
3. מפתח מומנט
קובץ מצורף 108884
בתמונה ניתן לראות את היוניט מציץ מבין הצינורות.
נקו את כל האיזור, אני השתמשתי בספריי להסרת שומנים ממנועים. נתקו את החוט שמגיע ליוניט ופרקו את היוניט (הברגה רגילה, פתיחה נגד כיוון השעון).
בספר הרכב מופיע שיש להשתמש בחומר איטום מסוג 3M ATD 8660 או מקביל. אני לא מצאתי חומר כזה ולאחר התייעצות עם מנהל העבודה במוסך מיצובישי בו רכשתי את היוניט החלטתי להרכיב ללא חומר איטום (בעצתם). הבריגו את היוניט החדש, הדקו במומנט 15NM וחברו את הסופית חזרה.
נכון לימים אלו עלות יוניט מקורי היא 121 ש"ח לפני מע"מ, אני העדפתי במחיר כזה (ושתחליפי בבאיביי עולה 100 ש"ח) לרכוש מקורי.
מצ"ב תמונות של היוניט + אריזה עם מספרי מק"טים:
קובץ מצורף 108885
קובץ מצורף 108886
קובץ מצורף 108887
תגובה: המדריך לפגרואיסט המתחיל
מדריך למנוע 4M40 או בעברית דיזל 2.8 של מיצובישי.
יש פה הרבה נתונים שימושיים כמו מומנטים של סגירת ברגים וכדומה.
http://www.lilevo.com/mirage/Manuals...9409%2011A.pdf
1 קבצים מצורפים
תגובה: המדריך לפגרואיסט המתחיל
תוספת להחלפת מכסה שסתומים:
במהלך שיטוט בפורומים בחו"ל נתקלתי במידע הבא – בתוך מכסה השסתומים ישנו פילטר, אחת מהסיבות לפריצת שמן מהאטם הינה סתימה שלו. מי שמחליף את האטם חובה שיבצע את ההליך הבא בנוסף:
קובץ מצורף 109017
1.לאחר פירוק המכסה יש להפוך אותו ובעזרת מברג שטוח דק לפתוח את מכסה הפילטר.
2.המכסה של הפילטר מחובר בלחץ עם פינים אל מכסה השסתומים, חובה להיזהר בהסרתו, גם אם התעקם קלות ניתן ליישרו בטרם ההרכבה חזרה.
3.בצידו השני של הפלטה מודבקים חתיכות גזה אותן יש לנקות, זהירות שלא לתלוש אותן, ניקוי בעזרת אלכוהול, סולר וכו.
4.יש לספוג את שאריות נוזל הניקוי בטרם החזרת הפילטר למקומו.
5.נחזיר את הפילטר למקומו ונמשיך בהרכבת המכסה כפי שמתואר מספר דפים אחורנית.
6.לא נחבר את צינור הנשם אל מכסה השסתומים בתום סיום ההרכבה – לאחר שה-RTV התייבש נניע את הרכב, נעלה סל"ד ונוודא שכל שאריות חומר הניקוי התאדו/התפזרו ואינם בטרם נחבר את צינור הנשם חזרה.
החברים מעבר לים מדווחים ירידה משמעותית מאוד בצריכת השמן בעקבות הניקוי והחלפת האטם.
4 קבצים מצורפים
תגובה: המדריך לפגרואיסט המתחיל
ניתוק פירוק וחסימת EGR
exhaust gas recirculation
תפקידו של רכיב/שסתום זה הינו הורדת רמת זיהום האוויר במנוע. לא ניכנס להסבר המלא של איך השסתום עובד – מידע לגבי נושא זה ניתן למצוא ברשת, המערכת מבצעת החזרה של גזי הפליטה מסעפת הפליטה חזרה אל המנוע דרך סעפת היניקה.
קובץ מצורף 109021
סיבות לחסימה:
* אחת ממחלות הילדות של הרכב הינו עישון יתר, חסימת ה-EGR יכולה להפחית דרמתית את כמות העשן ברכב אך איננה הגורם היחידי אפשרי לתופעה.
* השסתום נוטה להיסתם או להיתקע עקב משקעי הפיח.
* המערכת מחדירה פיח וחלקקים חזרה לסעפת היניקה ועלולה לסתום או למלא אותה במשקעים.
דרכים לחסימה:
ישנם מספר דרכים לחסום את השסתום:
1.אלתור ביתי על ידי חתיכת מתכת – יש כאלה שהתשמשו בפחית קולה או כל דבר אחר דומה.
2.חסמה עם קיט קנוי.
ההבדל בדרך כלל הינו שקיט קנוי יגיע עם פלטות חסימה עבות וסט אטמים. אי אפשר להרכיב את הקיט ואז להרכיב את השסתום חזרה משמע – השסתום מפורק מהרכב יש מי יגיד שזה יכול להיות בעייתי במבחן הרישוי.
כשבונים לבד צריך ככל הנראה גם להחליף את האטמים לחדשים – מנייר קלינגרית וכו – לא תמיד קל להשיג.
בשני המקרים חובה לנתק ולחסום את צינורית השסתום.
אני בחרתי לחסום עם קיט קנוי.
לדוגמא:
http://www.ebay.com/itm/EGR-BLANKING...lTcgXb&vxp=mtr
http://www.ebay.com/itm/84-EGR-valve...BUv~KM&vxp=mtr
אופן הרכבת הקיט:
כלים נדרשים
ידית ראצט, בוקסה 12 ממ ומאריך , מפתח רינג 12 ממ משתמשים בשניהם כי בצד אחד הצנרת מפריע לראצט ובצד השני אין מקום למפתח. אין צורך להסיר אינטרקולר
1.ננתק את הצינורית שמתחברת לשסתום, נחבר בקצה הצינור את הבורג או חתיכת גומי שמסופקים עם הקיט על מנת לחסום/יסגור אותו .
2.נפרק בעזרת הכלים את שסתום הEGR ונניח אותו בצד.
3.זה השלב להביט עם פנס אל תוך סעפת היניקה ולראות האם היא מלאה בהצתברות בפיח או לא.
4.נמקם את האטמים ועליהם את לוחות החסימה, הקיט מגיע עם אומים וברגים. בסעפת הפלטה נשתמש באומים ובסעפת היניקה נשתמש בברגים.
קובץ מצורף 109018
קובץ מצורף 109019
קובץ מצורף 109020
רוב מי שביצע את החסימה בנוסף על שיפור בכמות העשן גם על שיפור קל בחסיבה. אצלי המערכת הייתה חסומה מלכתחילה (בצורה רשלנית אמנם) אז לא הרגשתי שינוי כלל.
יש כאלה שבוחרים להשאיר את השסתום מחובר, לפרקו ולנקותו כל כמה עשרות אלפי קילומטרים.
7 קבצים מצורפים
תגובה: המדריך לפגרואיסט המתחיל
מספר נקודות חשובות לקיץ.
צינור מים עליון – חיכוך עם תושבת אינטרקולר.
קובץ מצורף 109415
אחד מנקודות התורפה של הרכב היא שצינור המים העליון עובר בסמוך מאוד לתושבת האינטרקולר ועשוי בהתקנה לא נכונה להשתפשף על התושבת עד כדי פיצוץ בצינור.
הבדיקה היא פשוטה, תוכל לראות סימן שפשפוף ברור בנקודת המגע בין הצינור לתושבת.
קובץ מצורף 109413
הפתרון הוא לפתוח מעט את הבנד של הצינור בצד של הרדיאטור ולסובב קלות את הצינור ככה שלא יוכל להיות מגע בין השניים, צינור שעבר שפשפוף מומלץ להחליפו בחדש, יש כאלה שאילתרו שם הגנה בדמות בנדים עבים או חתיכות צינור ישן שעוטפות את הצינור עצמו.
חצי ירח בכונס הרדיאטור
נדיר למצוא היום פאגרו Q עם רדיאטור מקורי, רובם החליפו לפחות רדיאטור אחד במהלך חייהם אם לא יותר. קורה בשכיחות דיי גדולה שמי שביצע את החלפת הרדיאטור שכח להחזיר את חצי הירח שיושב בחלקו התחתון של כונס המאורר, תפקידו של חצי הירח להשלים את הקפת המאורר וליצור שאיבה טובה דרך הרדיאטור. הבדיקה היא פשוטה – כאשר המנוע כבוי מביטים למטה עם פנס או ממששים ובודקים שהחלק נמצא.מקט החלק - MB890970 עלות החלק בחול – כ-20$ (מקורי, כולל משלוח ולא כולל עמלת חברת שילוח – כ35 ש”ח נוספים), ניתן להשיג גם בארץ אצל היבואן בעלות של כ-100 ש"ח. החל מתחבר לכונס על ידי קליפסים.
https://www.megazip.net/zapchasti-dl...7#/il-43155475
קובץ מצורף 109416
פקק מיכל עודפים
מחלקו העליון של הרדאטור - סמוך לפקק יוצא צינור אל מיכל העודפים, תפקידו להעביר את נוזל הקירור מ-ואל הרדיאטור, כאשר הלחץ ברדיאטור עולה העודפים יוצאים אל המיכל, הרדיאטור גם שואב בחזרה את הנוזל מאותו המיכל, תקלה שכיחה היא סדק/שבר בחיבור אותו צינור לפקק מה שמאפשר עדיין לרדיאטור לפנות נוזל עודף אך לא לשאוב אותו חזרה למיכל – למעשה הוא שואב אוויר. אינדיקציות לבעיה שכזו – מיכל עודפים מלא ורדיאטור עם חוסר נוזל קירור, אזור מיכל העודפים מלא בשאריות נוזל קירור.
מקט החלק - MB598036 עלות החלק בחול – כ-24$ (מקורי, כולל משלוח ולא כולל עמלת חברת שילוח – כ35 ש”ח נוספים), ניתן להשיג גם בארץ בעלות של כ-100 ש"ח.
פיתרון דרך כאשר מזהים את הביעה בשטח – ניתן לתקן זמנית את החיבור בעזרת רסקיו טייפ ודומיו, איפוקסי פלסטלינה וחבריו או לחבר צינור ארוך יותר לרדיאטור – לדאוג שהצינור יגיע לתחתית מיכל העודפים ולסגור את הפתח של המיכל עם איזולירבנד וכו, מה שחשוב בשלב זה הוא האטימות של הצינור, כאשר שינו סדק או פתח קטן לא תתבצע שאיבה חזרה לרדיאטור, על הפקק ישנו עוד צינור שתפקידו לפנות את העודפים בצורה נקיה לרצפה במידה והם הגיעו לחלקו העליון של מיכל העודפים, אין סיבה שדבר כזה יקרה כאשר המערכת תקינה או כאשר בוצע תיקון שטח בצורה טובה.
https://www.megazip.net/zapchasti-dl...7#/il-43155475
קובץ מצורף 109414
קובץ מצורף 109419
קובץ מצורף 109420
קובץ מצורף 109418
ישנן עוד סיבות מדוע מיכל העודפים מלא עד הסוף על כך נדבר בפרק אחר.
אלה הן רק חלק מהנקודות שיש לשים אליהן לב, עוד נקודות - בהמשך.
תגובה: המדריך לפגרואיסט המתחיל
מדריך מפורט וברור. תודה.
אגב, על איזה רכב אתה עובד? 2500/2800, קצר / ארוך?
תגובה: המדריך לפגרואיסט המתחיל
האם הקיט הזה לביטול EGR מתאים לדגם 2500 קצר?
http://www.ebay.com/itm/EGR-REMOVAL-...9SD7pW&vxp=mtr
הוא זול מאלה שרשמת והמשלוח חינם.
תודה
תגובה: המדריך לפגרואיסט המתחיל
ציטוט:
נכתב במקור על ידי
opl
תושבת צד טרנפסר:
קובץ מצורף 107695
זהו לרוב אחד החלקים המוזנחים ונשכחים ביותר ברכב. מדובר בתושבת שתפקידה למנוע גלגול של הטרנספר. אורך החיים של התושבת הוא קצר מאוד (בתמונה – פחות מחצי שנה)
קובץ מצורף 107696
הרבה אוסטרליים פשוט לא מחליפים אותה, חלקם בנו תושבות מאולתרות וחלקם חיזקו את התושבת הקיימת, הגומי הדק שבתושבת פשוט נקרע.
קובץ מצורף 107697
החלפת התושבת הינה הליך מהיר מאוד.
התושבת מוחזקת על ידי שני ברגים – האחד לשלדה ושני עובר דרך הטרנספר.
להסרת/הרכבת התושבת :
1. בעזרת מפתח 14 מ"מ ובוקסה 14 מ"מ נשחרר את הבורג שעובר דרך התושבת והטרנספר ונניח אותו בצד.
קובץ מצורף 107694
2. בעזרת בוקסה 14 מ"מ נשחרר את האום אשר מחזיק את התושבת לשלדה ונסיר את התושבת.
3. סדר ההרכבה - נמקם את התושבת במקום, נחבר את הבורג שעובר דרך התושבת והטרנספר ונהדק, נהדק את הבורג שמחבר את התושבת לשלדה.
תיקון עוול לנושא תושבת הצד של הטרנספר.
לאחר קריאה יותר מעמיקה – אין חשיבות להחלפת חלק זה, הוא בכלל לא תושבת, תפקידו הוא למנוע גלגול של הטרנספר במקרה של קריסה של התושבת התחתונה של הטרנספר איך הוא כשלעצמו איננו תומך בשום משקל ולא מבצע שום ריסון של רעידות, הגומי שמחזיק את התותב המרכזי הוא רק לעזר בעת ההתקנה.
5 קבצים מצורפים
תגובה: המדריך לפגרואיסט המתחיל
החלפת בית פילטר דלק
תודה לצחי שצילם ועזר בעריכה
קובץ מצורף 109479
בית פילטר הדלק ממוקם על קיר האש צמוד לבוסטר הבלם בחלקו השמאלי של הרכב. לבית הפילטר מספר תפקידים – החזקת פילטר הסולר של המנוע במקומו, הבית מכיל פומפה ידנית שמשמשת לניקוז אוויר במערכת הדלק וכמו כן בתוך הבית ישנו שסתום אשר מונע מהדלק לחזור למיכל. לעיתים קורה שנדרש להחליף את הבית עקב כשל של אחד המרכיבים – לרוב השסתום מתעייף, אחד הסמפטומים לתקלה – הנעה קשה לרוב בבוקר לאחר שהשסתום כשל והדלק חזר למיכל. לתופעה זו ישנם מספר סיבות אפשריות כאשר כשל בבית הפילטר הוא רק אחד מהם, מומלץ לבדוק; את כל צנרת הדלק הגמישה, עבודה תקינה של פלגי החימום, רטיבות והזעת דלק מאיזור משאבת הסולר, קו העודפים שעל המזרקים והידוק ראוי של קוי ההזנה למזרקים.
כלים נדרשים:
סט בוקסות – 12 ממ לברגי התושבת, 10 ממ לאום ניקוז האוויר
מאריך לידית ראצאט – 5 ס"מ או דומה.
בוקסות עבור הבנדים של הצנרת או מברג שטוח/פיליפס – אני מעדיף לפתוח ולסגור בנדים עם בוקסה.
מפתח תוכי - רצוי לטובת פירוק חיישן המים.
מלחם, בדיל, בידוד מתכווץ
מלחציים
מפתח פילטרים
קאטר
חושף חוטים
בית פילטר ליונדאי H1/100 וחיישן מים בסולר – לעיתים השניים מגיעים ביחד כקיט ולעיתים לא
מומלץ מאוד בנוסף להחלפת בית הפילטר להחליף גם את צנרת הדלק הגמישה על כך נצטייד גם בצינור דלק ורבעיית בנדים רעננה.
ההליך:
1.נפרק את תושבת האינטרקולר כפי שהוסבר בעבר.
קובץ מצורף 109478
2.בעזרת ראצאט או מברג נפתח את הבנדים וננתק את הצנרת מבית הפילטר, מומלץ לצלם או לסמן איזה מן הצינורות הינו צינור הכניסה מהמיכל ומי צינור היציאה למשאבה, על רוב בתי הפילטר יש סימון בעזרת חיצים לכיון זרימה.
3.בעזרת הראצט, מאריך ובוקסה 12 ממ נפתח את הברגים שמחזיקים את התושבת למקומה.
4.בתחתית בית הפילטר ישנו חיישן מים, חיישן זה מתחבר אל הרכב בעזרת קונקטור, בזהירות ננתק את מחבר הקונקטור – המחבר נמצא על קיר האש מאחורי הפילטר.
קובץ מצורף 109476
5.נוציא את היחידה במלואה מתא המנוע זהירות שלא לשפוך סולר.
קובץ מצורף 109481
6.אם בחרת להחליף את חיישן המים - בתוך כלי נפרק את חיישן המים מהפילטר, אם החיישן מסרב להתנתק נשתמש בתוכי – פלייר מתכונן על מנת לשחררו.
הקונקטור של חיישן המים החדש לרוב אינו מתאים לקונקטור שברכב, נחתוך את הקונקטור מחישן המים הישן – עם תוספת חוט מספיקה, בעזרת המלחם, הבדיל והבידוד המתכווץ נבצע החלפת קונקטור בין החיישן החדש לישן. הקונקטור מבצע למעשה סגירת מעגל כך שאין חשיבות לסדר החוטים.
7.ננתק את הפילטר מבית הפילטר, לרוב ניתן לעשות זאת בעזרת כוח היד אך לעיתים זה לא הולך בקלות על כן נשתמש במלחציים ובמפתח פילטרים, ניתן ורצוי לשחרר את הפילטר בעזרת המפתח כשהוא עדיין מורכב עם בית התושבת על הרכב אך לעיתים נגלה שאני מספיק מקום לתמרון מפתח הפילטרים.
8.זהו הזמן לבצע את החלפת הצנרת הגמישה, ננתק כל צינור ישן בתורו – נחתוך צינור חדש באותו האורך כמו הצינור הישן. את הצינור החדש שמגיע מהמיכל נחבר בצד אחד ואילו את הצינור שבין הפילטר למשאבה נניח בינתיים בצד.
9.ניקח את בית הפילטר החדש, נמקם אותו במקומו ברכב ונסגור את ברגי התושבת.
10.נוודא שטבעת האטימה שבתחתית החיישן יושבת במקומה ושברז החיישן סגור, נחבר את חיישן המים החדש לתחתית הפילטר ונהדק קלות עם רגש, נבריג את הפילטר חזרה אל בית הפילטר ונחבר את הקונקטור של חיישן המים בסולר.
11.נחבר אל בית הפילטר את צינור הדלק שמגיע ממיכל הדלק, נחבר את הצינור שיצוא מבית הפילטר אל המשאבה רק בצידו של בית הפילטר.
קובץ מצורף 109480
12.נניח את קצה הצינור שמתחבר אל המשאבה בתוך כלי או כוס חד פעמית ובעזרת המשאבה הידנית שעל בית הפילטר נפמפם עד שיצא מקצה הצינור סולר, נוסיף מספר פימפומים ונחבר את הצינור אל המשאבה. נפמפם עוד מספר פעמים עד להתקשות המשאבה הידנית.
אם בחרת שלא להחליף את צנרת הדלק פתח עם מפתח או בוקסה 10 ממ את בורג ניקוז האוויר שעל בית המשאבה עצמו בצע פימפום עד ליציאת סולר, סגור את האום, בצע פמפום עד להתקשות המשאבה.
13.נוודא חיזוק של כל הברגים והבנדים ונניע את הרכב, ייתכן וההנעה תהייה מעט קשה בהתחלה, מומלץ לצאת לנסיעה קצרה וחובה לבצע מעקב על אזור העבודה בימים הקרובים לחיפוש נזילות.
תגובה: המדריך לפגרואיסט המתחיל
מוסיף את עלות החלקים:
בית פילטר + חיישן מים + 2 מטר צנרת 135 ש״ח כולל
6 קבצים מצורפים
תגובה: המדריך לפגרואיסט המתחיל
ממשיכים עם מערכת המים:
נקודת ביקורת משאבת מים
על משאבת המים ישנם שני חרירי בדיקה לנזילת מים, כאשר מתפתחת שחיקה במשאבה והחרירים מתחילים להזיל מים זה הזמן להחליף משאבה. למשאבה המים בפאגרו שני חרירים שכאלה, תחתון וצידי, לרוב מסתכלים על הצידי שיחסית בולט לעין ומתעלמים מן התחתון למרות שהוא הראשון לנזול ברוב המקרים.
קובץ מצורף 109551
צנרת מים
חוץ מצינור ראשי עליון וצינור ראשי תחתון ישנם עוד המון צינורות מים נוספים מכל צדדיו של המנוע, חלקם גמישים וחלקם קשיחים אך על כולם מומלץ לעבור בבדיקה התקופתית.
מקומות מועדים לבעיות – צנרת הטרמוסטט, צנרת BYPASS שליד בית הטרמוסטט, צינור שרץ מעל למשאבת הסולר, צנרת שהולכת לרדיאטור חימום ועוד.
קובץ מצורף 109549
קובץ מצורף 109547
קובץ מצורף 109550
קובץ מצורף 109548
קובץ מצורף 109552
8 קבצים מצורפים
תגובה: המדריך לפגרואיסט המתחיל
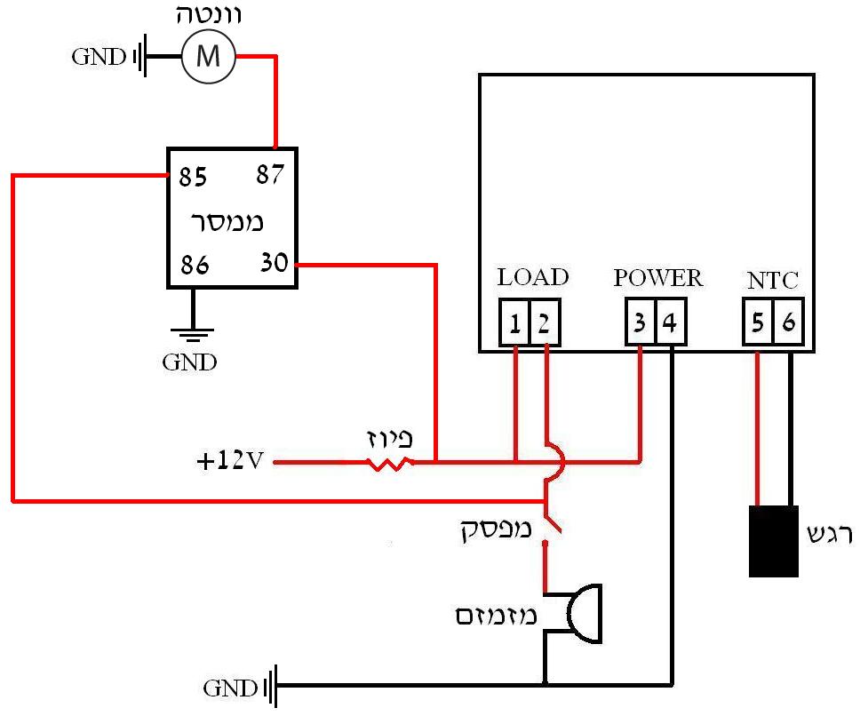
התקנת בקר טמפרטורה דיגיטלי
קובץ מצורף 109797
הפאגרו מרובה צנרת מים- תחזוקה לקויה, פאן קלאטש עייף, יום חם ופתאום צינור שעלותו 10 שקלים גורם לנזק באלפים. בקר טמפרטורה הפך להיות כמעט בגדר חובה לכל בעל רכב מיושן. כנהוג מד הטמפרטורה המקורי לא כולל שום חיווי חיצוני. אם לא הסתכלת לא ידעת שאתה בדרך לבעיה רצינית. חוזקתו של הבקר בהיבט הזה היא שבקלות ניתן להוסיף לו חיווי בצורת צליל ואפילו נורה אם רוצים.
האופציות השכיחות להתקנה נעות בין בקר מהרשת והתקנה עצמית בעלות של כ-45 ש"ח לבין בקר מהארץ לרוב מחברת דיקסל בעלות של כ-300 ש"ח לא כולל התקנה. המוצרים אמנם נראים יחסית דומים אך אינם זהים. המוצר מהרשת כבר הותקן בעשרות אם לא מאות רכבים שונים ואליו נתייחס במדריך.
http://www.ebay.com/itm/Digital-MH12...IAAOSwy5ZXBzKC
הבקר – MH1210A הבקר נפוץ מאוד ונמכר על ידי מספר רב של מפיצים במגוון אתרים.
מי שמחליט לרכוש בקר אחר חשוב שיקפיד על המאפיינים הבאים:
מתח הפעלה – 12V
ערכי מדידה – לפחות עד 120 מעלות צלסיוס
הצגת מעלות בצלסיוס או אפשרות לבחירת פורמט
סוג החיישן – עדיפות לחיישן NTC - מגוון תחליפיים בשוק
ראש חיישן ממתכת
למה בקר ולא מד טמפרטורה:
היתרון של הבקר הוא שבניגוד למד טמפרטורה שמבצע הצגה בלבד של הערך הנמדד (ואולי גם התרעה) הבקר גם יכול לבצע פועלות על ידי תכנותו ורכיבים חיצוניים, לבקר יציאת מגע יבש משמע הוא סוגר מעגל כאשר החיישן מגיע לטמפרטורה שהוגדרה מראש, סגירת מעגל זו מאפשרת לנו לבצע מספר פעולות – הפעולה הבסיסית היא הפעלת זמזם שיתריע על טמפרטורה גבוהה, תפקידו של הזמזם היא לבטל את הצורך של המשתמש לנטר בעצמו את המד מה שיגרום לפזילה,לתאונה או לפספוס הכשל, למעשה ברגע שהותקן הזמזם ניתן - אם רוצים - להסליק את הבקר ואין צורך שיהיה גלוי לעין. אישית אני מעדיף את הבקר גלוי וכך גם רוב המשתמשים. הזמזם מתריע למשתמש על חריגה/חציית סף מתוכנת והמשתמש הוא זה שנוקט בפעולות על בסיס שיקול דעת – כיבוי מזגן, הורדת העומס מהמנוע וכו. מומלץ מאוד כאשר מחברים זמזמם לחבר גם מפסק, את המפסק נשאיר במצב דלוק קבוע אך לאחר שהזמזם יחל לצפצף יתכן ונרצה לכבות את פעולתו מאחר ותשומת ליבנו כבר הושגה.
חשוב לדעת שהרכב מתוכנן כך שכאשר הטמפרטורה עולה אל הקו האדום והמזגן עובד המדחס מתנתק והוונטה מתחילה לפעול אוטומטית (גם אם המזגן לא עובד) אך בלא מעט מקרים בוצע מעקף לחיישן עקב כשל ברכיב. כמובן שאין דין התרעה על טמפרטורה גבוהה במהלך טיפוס באמצע הקיץ להתרעה במהלך שיוט בכביש מהיר, שם ככל הנראה מדובר על כשל של צינור או רכיב.
הרמה היותר גבוהה של שימוש בבקר כוללת זמזם והפעלת וונטות (מקוריות או לא) לטובת קירור המנוע, לדוגמא חיבור היציאה לממסר חיצוני שיפעיל במקביל את וונטת המזגן – גם כאשר המזגן כבוי.
בכל אופן בכל שימוש שחורג מצריכת זרם של מזמם ורכיבים קטנים מומלץ עד כדי חובה להשתמש בממסר חיצוני כאשר הבקר משמש כפקד. למרות שמצוין שהבקר עומד בזרמים של עד 10 אמפר הנסיון מראה שלעיתים רבות הבקר קורס ומפסיק לסגור מעגל.
מה מזין את הבקר?:
כשלעצמו הבקר הוא צרכן דל הספק, אפשר לקחת מתח מקו הרדיו או מחיבור שקע מצית כמובן שעדיף למשוך קו חדש שפעיל רק אחרי ה-ACC – סוויטש פתוח.
איך מחווטים את הבקר?:
חיבור עם נורה ומפסק:
קובץ מצורף 109795
חיבור עם ממסר וונטה (שרטוט עקרוני):
קובץ מצורף 109796
לרוב הממסר יישב בתא המנוע ועל כן רצוי שההזנה שלו תהיה ישרות מהמצבר ועם פיוז נפרד מהבקר שלא כמו באיור.
לאן מחברים את החיישן?:
לראש, על הראש ישנם מספר נקודות מתאימות לחיבור החיישן – בתלות בתצורת החיישן, יש שמחברים את החיישן המקורי לסופית אלקטרוניקה על ידי לחיצה, הלחמה וכו, לעיתים נדרש לאלתר.
לא מחברים את החיישן למכסה השסתומים – הטמפרטורה שם לא משקפת את טמפרטורת הראש.
לא מחברים לאזור הבלוק.
לא מחברים לאגן השמן.
לא מחברים לכל מני תושבות חיצוניות למנוע.
נדאג לנתב את חוט החיישן כך שלא יגיע באזורים חמים (סעפת פליטה, טורבו וכו), מומלץ להוליך את החוט על כבילה קיימת עם אזיקונים.
מיקום לדוגמא:
בצידו השמאלי של המנוע - משמאל לצינור המים הראשי
קובץ מצורף 109801
סנסור תחליפי:
קובץ מצורף 109798
ניתן לרכוש סנסור תחליפי בנפרד, סוג החיישן – NTC.
באם אורך הכבל המסופק אינו מתאים או שסיומת הסנסור לא מתאימה. ישנם סנסורים שמסתיימים בשייבה, ישנם שמסתיימים בהברגה, הסנסור המקורי הוא מוט מתכת קטן. ניתן גם להאריך את כבל הסנסור המקורי.
נקודת הכניסה לתא המנוע:
קובץ מצורף 109800
קובץ מצורף 109799
נקודת העברת החוטים המועדפת נמצאת בצד ימין של הרכב על קיר האש וליד הכנף. יש להסיר בעדינות את כיסוי הגומי, אי אפשר להעביר את הכבלים דרך הגומי ונאלץ לעשות חור קטן, על מנת להחזיר את הגומי למקום נשלוף את החלק הלבן החוצה בזהירות – נלביש עליו חזרה את הגומייה ונחזיר הכל למקום, מומלץ למרוח קצת RTV סביב אזור כניסת הכבל.
תכנות הבקר (תודה לצביקה- תבדוק שלא טעיתי כי זה קצת שונה אצלי מאצלך):
לאחר שהבקר נדלק נלחץ על – S למשך 4 שניות עד להופעת HC על המסך:
לחיצה נוספת מקנפגט את הערך הנבחר, כך נדפדף בין המשתנים:
HC=C
CP=1
LA=-40
HA=120
PU=0
CA=0
לחיצה קצרה על S קובעת את טמפרטורת הסף:
רוב האנשים מכניסים ערך בין95-105.
הוראות ההפעלה המקוריות:
קובץ מצורף 109794
מקום הבקר עצמו ברכב:
לרוב מתקינים את הבקר במשטח הפלסטיק שמתחת לתא הניירת – מימין לשקע המצית.
פותחים בעזרת סכין יפנית פתח – בזהירות – הפלסטיק עדין יחסית. על הבקר עצמו ישנם שני קליפסים כתומים אותם מסירים לפני ההתקנה ומרכיבים לאחר מיקום הבקר בפתח שיצרנו, הפלסטיקים מקבעים את הבקר למקום כך שאין צורך בברגים.
קישורים לדוגמא:
בקר:
http://www.ebay.com/itm/12V-10A-LED-...kAAOSwbsBXkgLk
זמזם:
http://www.ebay.com/itm/Piezo-Electr...YAAOSwzgRW1HzO
זמזם משולב עם מנורה:
http://www.ebay.com/itm/1Pcs-Buzzer-...IAAOxyBXNSZkdz
מפסק:
http://www.ebay.com/itm/New-Blue-Car...FWNFoS&vxp=mtr
תגובה: המדריך לפגרואיסט המתחיל
יפה מאוד!
Sent from my iPhone using Tapatalk
1 קבצים מצורפים
תגובה: המדריך לפגרואיסט המתחיל
תודה רבה
בטעות העלתי חוברת הפעלה של בקר אחר, זאת החוברת של הבקר שבמדריך:
קובץ מצורף 109803
תגובה: המדריך לפגרואיסט המתחיל
מצויין, תודה רבה.
מרוב השעונים/בקרים שיש לא ידעתי מה לבחור.
נחמד לקבל המלצה ועוד עם הוראות התקנה!
תגובה: המדריך לפגרואיסט המתחיל
OPL - קבלתי את הקיט ביטול EGR. כמה קשה לפרק את ה EGR ולהרכיב אותו?
האם ביטול EGR יכול להשפיע על דברים אחרים? נזקים כלשהם?
האם הוא יכול לגרום לבעיה בטסט? אני מניח שאם הרכב יעשן פחות זה יעזור, אבל מה עם שאר הגזים שבודקים?
תודה
1 קבצים מצורפים
תגובה: המדריך לפגרואיסט המתחיל
לא קשה בכלל, אם הברגים קצת מסרבים להיפתח - WD40 - התזה קלילה.
אני לא מכיר נזק במנוע הזה שיכול להיגרם על ידי ביטול הEGR או השפעה על דברים אחרים - במנועים מתקדמים יותר - כן.
הבעיה היחידה שאולי תהיה בטסט זה שיראו (אם יחפשו) שאין EGR, כל המוסכניקים שדיברתי איתם על זה אמרו שזה שטויות ושזה לא מעניין את הטסטר, אני בינתיים כבר שנתיים עובר ככה, בזמנו חשבתי להרכיב לטסט ולחסום עם פח דק ולאחר מכן להחזיר את הקיט, לא עשיתי זאת מעצלות וטרם נכשלתי.
לא לשכוח לסגור את הצינורית
השם ירחם
קובץ מצורף 110011
תגובה: המדריך לפגרואיסט המתחיל
Sent from my Redmi Note 2 using Tapatalk
תגובה: המדריך לפגרואיסט המתחיל