מתקן את עצמי, צריך להחליף לאלטרנטור 12V הסטרטר כבר 12V.
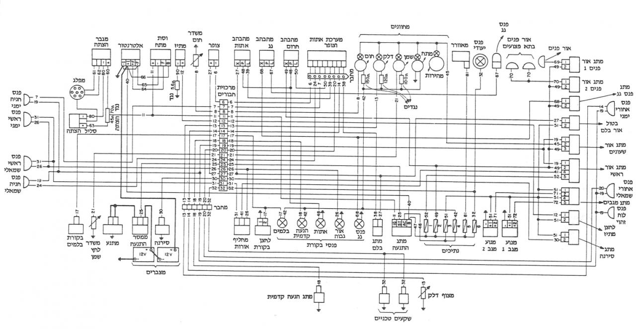
מצרף דיאגרמת חשמל אם עוד מישהו יחליט אי פעם להשמיש נ.נבולנס...קובץ מצורף 144308
Printable View
מתקן את עצמי, צריך להחליף לאלטרנטור 12V הסטרטר כבר 12V.
מצרף דיאגרמת חשמל אם עוד מישהו יחליט אי פעם להשמיש נ.נבולנס...קובץ מצורף 144308
שים לב גלעד שרוב המערכות הן 12 וולט כולל כל הדשבורד. מה ש24 אתה ממילא לא משתמש.
כל שנשאר הוא להחליף את האלטרנטור ולנתק את המצבר המיותר. זה הזזה של חוט אחד וכל הכלי יהיה 12 וולט.
אסף.
כן אני מבין מה אתה אומר.
מה לגבי לוח המכוונים אני אצטרך להחליף את הנגדים לחצי מהערך הנוכחי לא ?
אתה צריך קודם לבדוק אם הם קיימים.
אם כן - נראה לי שכשתמדוד תראה שלפני הנגד יש 24 ואחריו 12. כלומר צריך לבטל אותם.
(כי המחוונים הם 12 וולט כמו בננ ישן)
אסף.
אוקי זה מאוד הגיוני תודה אסף.
אם למישהו יש דגמים או המלצות לאלטרנטורים 12V שמתאימים ל225 אשמח לדגם- קישור אמזון/ איביי.
תנסה פה ברוקאוטו לפי דודג' W300 225 L6.
לפי המקטים שם אפשר לחפש באמאזון.https://uploads.tapatalk-cdn.com/202...64478cddc7.jpg
Sent from my M2102J20SG using Tapatalk
למיטב זכרוני אלטרנטור מופאר 'רגיל' כולם אותו דבר (כלומר מנבלת די300 או ג'יפ וכן הלאה). מה שכן מציע לך להיצמד לאלטרנטור עם ווסת חיצוני לטובת האופציה להסבה לריתוך אם תרצה בעתיד.
אסף.
הסבה לריתוך? אסף, תסביר בבקשה.
Sent from my M2102J20SG using Tapatalk
זה הסבר אחד אבל זה די פשוט.
https://youtu.be/ZKSXgTEx3mQ
הסבר שלי על רגל אחת:
אלטרנטור הוא גנרטור זרם חילופין עם מיישר ועם ווסת שקובע את המתח על ידי שינוי מתח השדה.
אם תנתק את הווסת ותשנה את מתח השדה עד 12 וולט הוא יוציא מתח ישר גבוה מאוד. בשביל זה צריך לנתק את הווסת ולווסת מתח שדה אחר (עם ראוסטט) או סתם לתת לו 12 וולט מהמצבר, ואז צריך מיישר שהדיודות שלו מתאימות למתח הגבוה
עכשיו מה שעושים זה מפסק שברגיל הווסת מחובר וכשרוצים לרתך המצבר מחובר ישירות לשדה. במקביל מנתקים את כל הצרכנים מהאלטרנטור כדי לא לטגן אותם - אפשר להשאיר אותם מחוברים למצבר (אם חייבים 12 וולט למחשב הזרקה למשל).
זה עובד הכי טוב ברכב טיפש בלי אלקטרוניקה בכלל למשל ננ.
אסף.
יש הרבה מידע באנגלית על בניה של רתכת אלטרנטור
הרבה פעמים במנותק מרכב
מצרף קישור שמרחיב בנושא
http://www.opensourcemachinetools.or...TIG-Welder.pdf
Sent from my iPhone using Tapatalk
בנוסף שרשורים מפורומים אמריקאים בנושא:
https://weldtalk.hobartwelders.com/f...ernator-welder
https://www.cnczone.com/forums/weldi...onversion.html
מאמר על המרת אלטרנטור לרתכת במנותק מרכב
https://www.farmshow.com/a_article.php?aid=24300
Sent from my iPhone using Tapatalk
תודה רבה שחר ואסף מאוד מעניין הנושא.
וגם דיי פרקטי, כנראה שאשנה כייון באמת ואחפש במקביל אלטרנטור ללא ווסת לצורך תשתית עתידית.
כרגע נשאר לסיים את נושא הבלמים.
ומשם להמשיך לחבר שוב את רכבת הכוח והחשמל.
למי שתוהה למה עצרתי כרגע את הרכבת הטרנספר היא שאחרי שראיתי כמה צפוף האזור אני מעדיף קודם לסיים את צנרת הבלמים ובלם החנייה ורק לאחר מכן להחזיר את רכב הכוח.
עכשיו השלדה חשופה יחסית ונוחה לעבודה.