קובץ מצורף 4605912345
Printable View
קובץ מצורף 4605912345
אם המרובעים הללו הם שסטומים
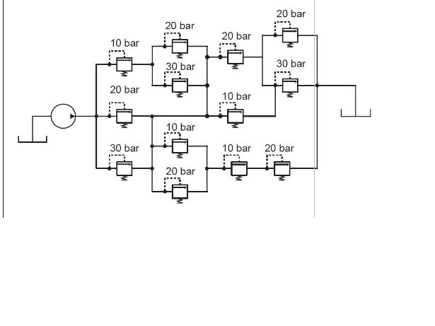
בלחץ 20 באר המערכת תפרץ ליציאה משלוש ענפים שונים (לא דרך שסטומי 30 באר)
איפה הקטצ' ?
123456
אבל אחרי העשרים יש שלושים ...
למה ?
למיכל שמן ביציאה יש התנגדות?
50 במשאבה. אני מזהה מסלול אחד - המרכזי - של 20 --> 10 --> 20 עליון לפני היציאה.
אצלי בדיפנדר הוא יוצא כבר בדרךךךךךך
בהנחה ואלו שסתומי לחץ (נפרצים בלחץ מינ') -
20
20 באר במשאבהקובץ מצורף 46070
שבעל החידה יכנס ויסביר
גם לדעתי התשובה היא 20
לפי דעתי השמן יזרום דרך המסלול התחתון מכיוון שהלחץ ההתחלתי הגבוה יוכל להתגבר על שאר השסתומים בדרך עד ליציאה ואני גם חושב שהלחץ ביציאה יהיה 20 באר.
קבל :
חבר'ה
את הלחץ בכל הענפים קובע השסתום עם לחץ הפריצה הגבוה ביותר אשר נימצא לפני היציאה למיכל.
היציאה היא קילוח חופשי.
בכל הענפים עד לפני היציאה מהשסתום האחרון יהיה 20 באר,חוץ מהענפים אשר יושבים עליהם שסתומים של 30 באר -שם לא תהיה זרימה מפני שהקילוח החוצה החל ב 20באר.(משאבה כן?)
כל זאת בתאורייה,במציאות הלחץ יהיה קצת יותר גדול בגלל הפסדים על השסתומים....
טל
נמרוד היחיד שלא פיספס מאפיין קריטי בשסתומים הנ"ל:
הם מפילים עליהם את הלחץ ברמה הנקובה. הלחץ לפני שסתום של 20 באר הוא גבוה ב20 באר ביחס ללחץ אחריו. אם עברתם שסתום של 20 באר כשהלחץ הראשוני שלכם הוא 20 באר אתם נשארים עם לחץ 0 שלא יכול לעבור את השס' הבאים.
זה לא אומר שהתשובה של נמרוד היא הנכונה (לדעתי היא נכונה). המדריך שלי בקורס הידראוליקה חושב אחרת. אנחנו מחכים לתשובה החלטית מג'יפולוג על מנת שנדע מי חייב למי ארוחה.
חנן,אין לזה אח ורע במציאות.
יש הפסדים על שסתומים וצמצמים ,לא עד כדי כך.
זו המציאות המדויקת. נבדק על ידי אתמול והיום במעבדה מעשית. לצערנו לא היו לנו מספיק שסתומים ושעוני לחץ בשביל לבנות את המעגל המדובר אחרת היינו סוגרים את הויכוח בבדיקה מעשית.
במחשבה שניה (או חמישית..) אני עבדתי עם צמצמים בעבר.
כניראה שבמיקרה של שסתומים אתה צודק .
אפשר להבין את זה עם אנאלוגיה לחשמל -דיודות זנר למשל.
כל קפיץ של שסתום "גונב" את לחץ פריצתו.
סליחה ובתאבון...
טל
Sequence Valve
When the inlet pressure overcomes the opposing force of the spring, the valve opens permitting flow from the outlet port
לפי הסמל האוניברסלי אלה SEQUENCE VALVES
ולכן, כמו שחנן הסביר, הלחץ הסופי זה אפס.(בלי קשר ללחץ היציאה אגב, השסתום רק מרשה זרימה, הוא לא מבקר לחץ)
(לדעתי, תרגיל (לא החידה) דבילי , כשמדובר על מבחן בבית ספר.)
זה מזכיר לי משהו ממבחן בכיתה י"א...
האמת שאז זה היה יותר ברור לי.
הציור מתייחס לסימון הסטנדרטי של שסתומי הקלה, pressure relief valve, אלו שסתומים עם טובלן שנדרש לחץ פיילוט כדי להחזיק אותם פתוחים. הסימון הוא של שסתומים שלא נדרש הפרש לחצים כדי להחזיק אותם פתוחים - מה שפותח את השסתום הוא הלחץ בכניסה, שמחובר לקו הפיילוט ולכן הוא לחץ הפיילוט הפועל מול הקפיץ ומזיז את הטובלן שבתוך השסתום. ברגע שהלחץ בכניסה לשסתום דרך הפיילוט מתגבר על הקפיץ - השסתום נפתח ונשאר פתוח כל עוד הלחץ בפיילוט מספיק גבוה. כשהשסתום סגור לחץ הפיילוט לא תלוי בלחץ שבצד היציאה של השסתום - כלומר השסתום ייפתח לא כתלות בהפרש הלחצים אלא בלחץ הכניסה. זה בניגוד לcheck valve (שסתום של גולה וקפיץ) שבו באמת הפתיחה תלויה בהפרש הלחצים. כשהשסתום פתוח לרווחה לחץ הפיילוט משתווה כמובן ללחץ היציאה אם הלחץ ביציאה נמוך יותר, ואז יש משמעות ללחץ בצד היציאה - כלומר הוא משפיע על הסגירה של השסתום אבל לא על הפתיחה שלו.
זה מהזכרונות שלי מכיתה י"א, ועכשיו אני מפנה זמן ביומן כדי לפתור את התרגיל...
אסף.
אסף, ראה פה: http://www.patchn.com/index.php?opti...d=30&Itemid=31
הסימן לPRV הוא שונה
ידעת שהתעסקתי באינסטלציה תעשייתית(הידראולית ופנומטית) כ10 שנים?