3 קבצים מצורפים
מכונית המירוץ של אוניברסיטת בן גוריון BGR 2012
אחרי ההצלחה של הפרויקט של שנה שעברה, החלטתי לפתוח שרשור ייעודי לתיעוד הפרויקט ובניית המכונית השנייה שתשתתף בתחרות ה-FSAE. השנה אני חלק מקבוצה של ארבעה חבר'ה שאחראים על המתלים, אז מטבע הדברים על זה יושם הדגש בהודעות שלי.
במהלך חודשי הקיץ קראנו מספר ספרים על מנת להבין את הנושא יותר לעומק, וגם לאחר שלושה ספרים (מי שמעוניין בהמלצות לספרים מעניינים בנושא מוזמן לפנות) ונבירות שממשיכות כל הזמן בשני פורומים שונים (FSAE.com ו-F1technical.net - אתר מעולה למי שמתעניין ברכבי כביש, בטח יש פה איזה שניים שלושה:rolleyes:) יש עוד המון המון מה ללמוד. אחד מהמטרות שלי השנה היא פיתוח מודל דינמי של הרכב בעזרת אדמס\קאר, תוכנה שכבר הוזכרה בשנה שעברה אבל טרם נעשה בה שימוש ממשי בפרויקט. זו תוכנה שמאפשרת לבנות את האוטו ולדמות אותו בצורה מדויקת יחסית, כך שניתן לבחון שינויים והחלטות תכנוניות מבלי לבנות עוד ועוד אבי טיפוס. היום הצלחתי להפעיל את התוכנה (אתגר לא קטן כשלעצמו) עם מכונית FSAE גנרית, משהו שהחברה מספקת באתר שלה וממנו אפשר להתחיל לבנות את הרכב כרצוננו. התוכנית כרגע היא להתחיל במידול הרכב שהשתתף באיטליה, ולצאת ממנו כבסיס לשיפורים.
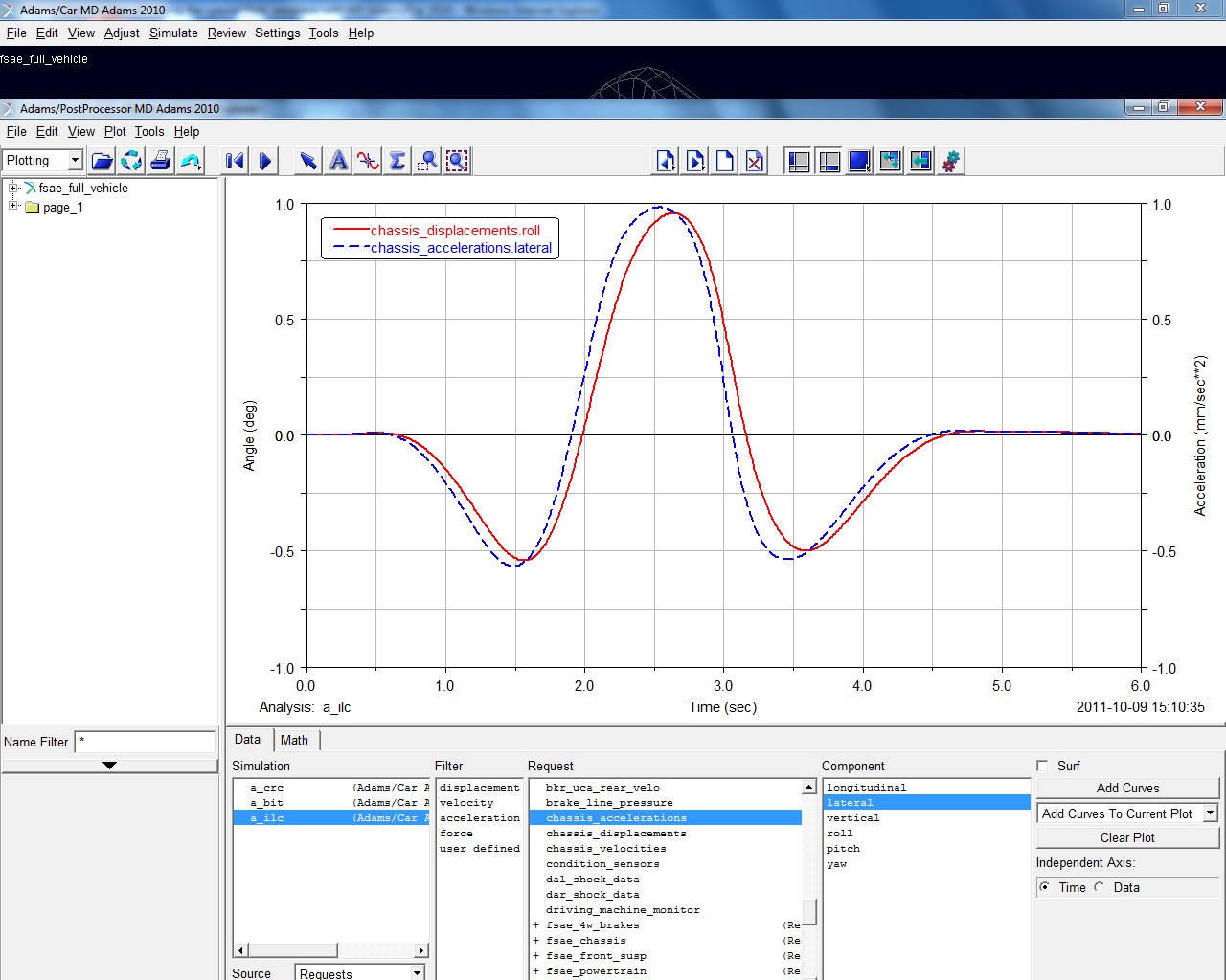
בתמונות אפשר לראות את הרכב וגרפים של התאוצה ושל זוית הגלגול במהלך תמרון של מעבר נתיב וחזרה. אפשר לראות במרחק בין הגרפים את זמן התגובה של המתלים לשינויים בכוחות שפועלים על הרכב.
קובץ מצורף 49789 קובץ מצורף 49790 קובץ מצורף 49791
מעבר לפינה שלי, כמה שינויים שכבר הוחלט שייעשו השנה:
א. החלפת הדיפרנציאל מהטורסן שהיה לנו לדיפרנציאל מוגבל החלקה של דרקסלר. זהו דיפרנציאל מ"ה די רגיל, כלומר קלאצ'ים ודיסקיות חיכוך כמו ברוב הטנדרים. היתרון טמון במשקל קטן יותר ובאפשרויות כיוונון שלא היו בטורסן וכן קיימות בדרקסלר.
ב. מעבר לחיבור גלגלים עם 'גוז'ון' אחד - 'Single Nut': במקום חיבור חמש האומים שיש כרגע - חיסכון במשקל בלתי מוקפץ ו-'וואסח' לא נורמלי.
ג. הוספת מוטות מייצבים: המוטות נותנים עוד אפשרות לכיוונון האיזון של האוטו מבחינת תת היגוי-היגוי יתר מבלי להחליף קפיצים, עבודה שלוקחת הרבה זמן וגם משנה את התנהגות הרכב כאשר שני קפיצים על ציר מתכווצים-נמתחים (כמו בבלימה או בתאוצה בקו ישר).
זה על רגל אחת לבינתיים. כמובן שהערות שאלות וסתם הודעות סטייל ברוך (שבסוף יצא מלך והביא ספוג נגד שכשוך למיכל דלק :cool:) יתקבלו בברכה. בתקווה שהשנה ילך טוב לפחות כמו בשנה שעברה!
תגובה: מכונית המירוץ של אוניברסיטת בן גוריון BGR 2012
חג שמח
קודם כל מברוק על הרכב של השנה!
אני גם קצת התעסקתי עם אדמס וזו אכן תוכנה עם המון יכולות אבל צריך גם לדעת להפעיל אותה... ולפי המודל נראה שהצלחתם לא רע.
נשמח לשמוע פה עדכונים לגבי ההתקדמות שלכם.
כפי שאמרתי לתמיר, הספר שהכי עזר לי היה של מיליקן והפורום של FSAE.
יש לכם מסקנות מתכנון המתלים של שנה שעברה? (פרט לגוזון)?
תגובה: מכונית המירוץ של אוניברסיטת בן גוריון BGR 2012
אהלן רני,
דבר ראשון והכי חשוב , בהצלחה בגדול .
דבר שני , מסורת זו מסורת , מיכל דלק עלי .
ועם צריך עוד משהוא אתה מכיר את הטלפון שלי ;)
עידו
תגובה: מכונית המירוץ של אוניברסיטת בן גוריון BGR 2012
ציטוט:
נכתב במקור על ידי
Omer
חג שמח
קודם כל מברוק על הרכב של השנה!
אני גם קצת התעסקתי עם אדמס וזו אכן תוכנה עם המון יכולות אבל צריך גם לדעת להפעיל אותה... ולפי המודל נראה שהצלחתם לא רע.
נשמח לשמוע פה עדכונים לגבי ההתקדמות שלכם.
כפי שאמרתי לתמיר, הספר שהכי עזר לי היה של מיליקן והפורום של FSAE.
יש לכם מסקנות מתכנון המתלים של שנה שעברה? (פרט לגוזון)?
קודם כל תודה על הברכות. אני משתמש בעיקר במיליקן ובסדרה של קרול סמית. גילספי עוזר לי להירדם כשיש לי נדודי שינה. אין כל כך מסקנות כרגע, כי לא יצא לנו לעשות טסטינג ופיתוח מסודר לאוטו, כך שכל המידע שהתקבל הוא מידע ויזואלי ופידבק מהנהגים שמטבע הדברים לא נהגו על שום דבר דומה בחייהם. לקח אחד שאני רוצה לקחת בחשבון הוא אופציה לכוונן את הגאומטריה. ברכב הזה לא היו לנו כל כך דרכים לשינוי מהיר של דברים כמו קאמבר. חוץ מזה גם מוט מייצב הוא כנראה מאסט וגם אותו נוסיף לרכב.
ציטוט:
נכתב במקור על ידי עידו לוריה
תודה רבה!
אין כמוך. אני בטוח שעוד נשתמע וניפגש במהלך הדרך. אגב אתה אורח כבוד בטקס שיערך באוניברסיטה, נשמח לראות אותך ולתת לך כבוד על התרומה לפרויקט שנגמרת בהרבה יותר ממיכל דלק.
בשבוע הבא אני אחזור למעבדה לעוד זמן איכות עם האדמס, אנסה לחזור לפורום עם מזכרות ותובנות, בתקווה שאני אתחיל לבנות את הרכב של הקבוצה ולבנות את מסלולי התחרות בתוכנה.
תגובה: מכונית המירוץ של אוניברסיטת בן גוריון BGR 2012
תגובה: מכונית המירוץ של אוניברסיטת בן גוריון BGR 2012
משהו קצר,
בהמשך לשנה שעברה, אני ממש גאה בכם. זהו
whisky
תגובה: מכונית המירוץ של אוניברסיטת בן גוריון BGR 2012
וויסקי והתייש, תודה רבה. מחמם את הלב.
תגובה: מכונית המירוץ של אוניברסיטת בן גוריון BGR 2012
תודה לכולם על הפירגונים והעזרה ותודה ענקית ומיוחדת לעידו! עומר אתה מוזמן (כמו כולם פה) למעבדה למסע שורשים והיכרות עם הקבוצה ועם הרכב.
סרט נהיגה קצר. כבר ממנו אפשר להתחיל להבין מה צריך לשנות ולשפר במתלים:
http://www.youtube.com/watch?v=lE2tH...&feature=feedu
תגובה: מכונית המירוץ של אוניברסיטת בן גוריון BGR 2012
סופסוף סרטון נהיגה בפיתולים.
חבל שזה מסלול מותווה קונוסים ולא קבוע כמו למשל בכוכב יאיר, שם ניתן כבר להשוות זמנים,
על פניו נראה שלרכב יש קצת יותר מידי זוית גלגול, לא יודע איזה צמיגים ומה רמת האחיזה במסלול, אבל נראה שאין הרבה ממנה.
יש לכם אפשרות למדוד במדויק מהירות ותאוצה צידית בפניות ?
תגובה: מכונית המירוץ של אוניברסיטת בן גוריון BGR 2012
ציטוט:
נכתב במקור על ידי
BackDoorMan
סופסוף סרטון נהיגה בפיתולים.
חבל שזה מסלול מותווה קונוסים ולא קבוע כמו למשל בכוכב יאיר, שם ניתן כבר להשוות זמנים,
על פניו נראה שלרכב יש קצת יותר מידי זוית גלגול, לא יודע איזה צמיגים ומה רמת האחיזה במסלול, אבל נראה שאין הרבה ממנה.
יש לכם אפשרות למדוד במדויק מהירות ותאוצה צידית בפניות ?
המסלול הותווה בקונוסים כדי לדמות את המסלולים שהמכונית הזו יועדה לנסוע בהם. בתחרויות המסלולים צפופים מאוד ואין ישורות או סיבובים מהירים כ"כ. בונוס נחמד הוא שבמקרה של טעות נהג הסיכוי לרדת מהמסלול ולהזיק לאוטו קטנים בהרבה. בקשר לזוויות הגלגול נראה שאתה צודק, אולם הבעיה שנראית יותר חריפה היא קמבר חיובי חזק בגלגל האחורי החיצוני לפנייה. בעיית הגלגול גם קשורה ישירות לעובדה שברכב לא מותקנים מוטות מייצבים כך שטיפול בגלגול ע"י הקשחה של המתלים היה גורר גם ביצועים פחות טובים תחת בלימה ותאוצה. הרכב נוסע על צמיגי סליקס ייעודיים של מישלין. תאוצה מדדנו בעבר והתוצאות היו סביב 1.4 ג'י בסיבובים. לצורך השוואה מכונית "רגילה" אוחזת בסביבות ה-0.8, מכוניות על רציניות נעות סביב ה1 ג'י עגול.
תגובה: מכונית המירוץ של אוניברסיטת בן גוריון BGR 2012
1.4G זה מכובד, אני לא חושב שבמציאות התאוצה הצידית קבועה ביחס למהירות, לפחות לא על פני טווח מהירויות רחב יותר ממה שניתן לפתח במסלול הקונוסים.
מכונית כמו האודי קוואטרו ספורט מ 1985 רשמה כבר תאוצה צידית של -1.2 1.4 G בפניה של 140 קמ"ש, מיני קופר S משופרת קלות רשמה תאוצה צידית של 1.1G
בגומי רגיל ולפי הערכה עם תרכובת R אמורה להגיע ל 1.3G לא ממש מכונית על.
http://www.dpcars.net/mini2/m082.jpg
תגובה: מכונית המירוץ של אוניברסיטת בן גוריון BGR 2012
ציטוט:
נכתב במקור על ידי
BackDoorMan
1.4G זה מכובד, אני לא חושב שבמציאות התאוצה הצידית קבועה ביחס למהירות, לפחות לא על פני טווח מהירויות רחב יותר ממה שניתן לפתח במסלול הקונוסים.
מכונית כמו האודי קוואטרו ספורט מ 1985 רשמה כבר תאוצה צידית של -1.2 1.4 G בפניה של 140 קמ"ש,
מיני קופר S משופרת קלות רשמה תאוצה צידית של 1.1G
בגומי רגיל ולפי הערכה עם תרכובת R אמורה להגיע ל 1.3G לא ממש מכונית על.
לפי מה שאני מכיר, התאוצה הצידית כן אמורה ליהיות קבועה בקירוב ביחס למהירות, כל זאת כשמדובר בצמיג אחד שנמצא בזווית החלקה מסוימת ומופעל עליו עומס מוגדר. הכל משתנה כשמדובר במכונית עם אפקט אוירודינמי, שבמהירויות שאנחנו מדברים עליהן אצלינו אני מזניח כרגע. ברור שלמאפיינים כמו סיבוב ספציפי על מסלול יש אפקט גדול גם כן. בקשר לאודי, ראית את החבילה האוירודינמית של האוטו הזה? כל השוואה של המכונית שלנו עם מכונית ראלי גרופ B היא מחמאה ענקית מבחינתי.
תגובה: מכונית המירוץ של אוניברסיטת בן גוריון BGR 2012
ציטוט:
נכתב במקור על ידי
רני דקל
לפי מה שאני מכיר, התאוצה הצידית כן אמורה ליהיות קבועה בקירוב ביחס למהירות, כל זאת כשמדובר בצמיג אחד שנמצא בזווית החלקה מסוימת ומופעל עליו עומס מוגדר. הכל משתנה כשמדובר במכונית עם אפקט אוירודינמי, שבמהירויות שאנחנו מדברים עליהן אצלינו אני מזניח כרגע. ברור שלמאפיינים כמו סיבוב ספציפי על מסלול יש אפקט גדול גם כן. בקשר לאודי, ראית את החבילה האוירודינמית של האוטו הזה? כל השוואה של המכונית שלנו עם מכונית ראלי גרופ B היא מחמאה ענקית מבחינתי.
בוא ניקח פניה ברדיוס 10 מטר ופניה ברדיוס 30 מטר, האם התאוצה הצידית המקסימלית האפשרית לרכב נתון זהה בשתיהן?
התכוונתי לאודי שנמכרה לקהל הרחב
http://upload.wikimedia.org/wikipedi...MB_quattro.jpg
אני מניח שאתה התכוונת לזאת
http://upload.wikimedia.org/wikipedi..._(cropped).jpg
תגובה: מכונית המירוץ של אוניברסיטת בן גוריון BGR 2012
ציטוט:
נכתב במקור על ידי
BackDoorMan
בוא ניקח פניה ברדיוס 10 מטר ופניה ברדיוס 30 מטר, האם התאוצה הצידית המקסימלית האפשרית לרכב נתון זהה בשתיהן?
התכוונתי לאודי שנמכרה לקהל הרחב
לפי הידוע לי בקירוב טוב לא צריך ליהיות הבדל משמעותי. כמו שהסברתי ממה שאני מכיר היכולת של צמיג לספק אחיזה צידית תלויה בעיקר בזוית ההחלקה שלו ובעומס האנכי המופעל עליו. אין פה התייחסות לרדיוס הסיבוב או למהירות הגלגול. יש קצת בעייתיות בדוגמא כי 10 מטר הוא רדיוס קטן יחסית לרכב בגודל מלא ודורש זווית הגה די גדולה. לצורך העניין אני מתייחס לדוגמאות של סיבובים בטווח מהירויות של 50-200 קמ"ש בערך.
בהסתכלות על הטבלה הנ"ל
http://www.roadandtrack.com/content/download/109098/2629043/version/1/file/Dec-2011_datapanel.pdf
קשה לי להאמין בנתון שהבאת. יכול ליהיות שזה נערך על סיבוב עם שיפוע חיובי ?
שים לב שבתחתית הטבלה יש נתון של אחיזה לבאמוו M5 מודל 90, מכונית שהייתי מצפה שנתון האחיזה שלה יהיה באותו סדר גודל לפחות לזה של האודי היות ומדובר בתקופות דומות ומאפיינים דינמיים קרובים יחסית. נתון האחיזה לM5 הוא 0.8 ג'י.
אגב, מה המקור לגרפים שהעלית?
שמח על הדיון, בתקווה ללמוד משהו חדש!
תגובה: מכונית המירוץ של אוניברסיטת בן גוריון BGR 2012
טוב, אני מניח שאתה צודק אם כי הייתי שמח ללינק עם נוסחאות והסבר פורמלי.
לגבי הנתון שהבאתי, שלפתי אותו מהזכרון, מכתבה מתורגמת של CAR מגזין הבריטי שהופיעה בגיליון 1 או 2 של "אוטו" ב 85'.
המקור לגרפים שהעליתי הוא מחלק העוסק במיני קופר S המשופרת מהאתר של פלטוב (מהנדס מרשים ביותר שהספיק לבנות גם כמה מכוניות פורמולה מתכנון עצמי)
הניווט באתר לא נוח במיוחד ולא ניתן לתת לינק כי כל הדפים מופיעים תחת אותה כתובת ראשית,
פשוט כנס ל http://www.dpcars.net/ בסרגל האנכי בצד שמאל לחץ על PAST , רד למטה בחלון הראשי עד שתראה את המיני קופר S,
ולחץ , הגרפים נמצאים באחד העמודים מתוך ה 9 המתארים את לולאת השיפור, בדיקה הסקת מסקנות וחוזר .
תגובה: מכונית המירוץ של אוניברסיטת בן גוריון BGR 2012
ציטוט:
נכתב במקור על ידי
BackDoorMan
טוב, אני מניח שאתה צודק אם כי הייתי שמח ללינק עם נוסחאות והסבר פורמלי.
לגבי הנתון שהבאתי, שלפתי אותו מהזכרון, מכתבה מתורגמת של CAR מגזין הבריטי שהופיעה בגיליון 1 או 2 של "אוטו" ב 85'.
המקור לגרפים שהעליתי הוא מחלק העוסק במיני קופר S המשופרת מהאתר של פלטוב (מהנדס מרשים ביותר שהספיק לבנות גם כמה מכוניות פורמולה מתכנון עצמי)
הניווט באתר לא נוח במיוחד ולא ניתן לתת לינק כי כל הדפים מופיעים תחת אותה כתובת ראשית,
פשוט כנס ל
http://www.dpcars.net/ בסרגל האנכי בצד שמאל לחץ על PAST , רד למטה בחלון הראשי עד שתראה את המיני קופר S,
ולחץ , הגרפים נמצאים באחד העמודים מתוך ה 9 המתארים את לולאת השיפור, בדיקה הסקת מסקנות וחוזר .
לינק אין לי לתת, אבל נתקלתי בהמון הסברים בנושא בכל ספר שקשור בדינמיקה של רכב. הספר של האחים מיליקן הכי מקיף (הוא נחשב ובצדק לדעתי התנ"ך של התחום) http://www.amazon.com/Race-Car-Vehicle-Dynamics-R146/dp/1560915269
יש עוד המון ספרים כמו סידרת ה'טו ווין' של קרול סמית' http://www.amazon.com/s/ref=nb_sb_noss?url=search-alias%3Dstripbooks&field-keywords=to+win&x=0&y=0#/ref=nb_sb_noss?url=search-alias%3Dstripbooks&field-keywords=tune+to+win&rh=n%3A283155%2Ck%3 Atune+to+win
גם הסדרה הזו מאוד מומלצת לדעתי, הכתיבה של סמית' מאוד מעניינת ופחות כבדה מבחינה מתמטית. עובדה מעניינת היא שבכל הספרים שנתקלתי הסופרים מודים בעובדה שצמיגים הם במידה רבה 'מגיה שחורה'. המנגנונים שמצמידים צמיג לכביש לא מובנים עד הסוף ויצרני הצמיגים שומרים כל התקדמות טכנולוגית קרוב מאוד לחזה. בכל זאת ההתקדמות בצמיגים לאורך השנים לא פחות ממדהימה ולא נראה רף עליון באופק. קראתי איפשהו שמקדם החיכוך של צמיגי פורמולה 1 יכול להגיע גם עד 1.5, נתון שהיה נחשב בלתי אפשרי בכלל לפני כמה עשרות שנים.
תגובה: מכונית המירוץ של אוניברסיטת בן גוריון BGR 2012
יש לי את הספר כ PDF איפשהו במחשב, אני אבדוק.
B.A במתמטיקה ופיסיקה מספיק בשביל הרמה שלו ?
תגובה: מכונית המירוץ של אוניברסיטת בן גוריון BGR 2012
רמת האחיזה תלויה במקדם החיכוך של הצמיגים אבל גם של המשטח.
המגיית צמיגים שחורה כי מדובר במשוואות המתארות דינמיקה של גוף לא קשיח,
אאל"ט זה תמיד מסתובב סביב וורסיות שונות של נוויאר-סטוקס או בקיצור CFD .
תגובה: מכונית המירוץ של אוניברסיטת בן גוריון BGR 2012
ציטוט:
נכתב במקור על ידי
BackDoorMan
יש לי את הספר כ PDF איפשהו במחשב, אני אבדוק.
B.A במתמטיקה ופיסיקה מספיק בשביל הרמה שלו ?
אתה אפילו קצת אובר קווליפייד :)
ציטוט:
נכתב במקור על ידי
BackDoorMan
רמת האחיזה תלויה במקדם החיכוך של הצמיגים אבל גם של המשטח.
המגיית צמיגים שחורה כי מדובר במשוואות המתארות דינמיקה של גוף לא קשיח,
אאל"ט זה תמיד מסתובב סביב וורסיות שונות של נוויאר-סטוקס או בקיצור CFD .
בוודאי שרמת האחיזה תלויה גם במקדם החיכוך של המשטח. דוגמאות למצבים בהם צמיג פורמולה 1 לא בעל מקדם חיכוך 1.5:
http://www.youtube.com/watch?v=Lb3HSs8TJ8w
http://www.youtube.com/watch?v=az65aNRM_aU
בספר 'Tune to Win' קרול סמית' ממליץ על הספרים הללו בכל הנוגע להבנת הצמיגים:
The Unified Theory of
Tire and Rubber Friction by H. W. Kummer and W. E Mayer, and The Physics of Tire Traction, edited by D. F.
Hays and A. L. Brooke
בפעמים שאני נתקלתי בהן משוואות נבייה סטוקס תיארו זרימה, פה לא בדיוק מדובר על נוזל או גז. ממה שאני מבין (ואני די מצטט פה את סמית' בתרגום חופשי) האחיזה של הצמיג נובעת מ'תפיסה' מכנית של כל מיני בורות ובליטות מיקרוסקופיים בכביש ע"י החומר האלסטי בצמיג (כמו מטפס הרים שנתפס בכל סדק ובליטה בהר) ומאדהזיה מולקולרית בין המשטחים שבאה לידי ביטוי בעומסים גבוהים.