1 קבצים מצורפים
חשמל בCJ8 1989 (מד טעינה)
שלום שלום,
אז יש לי את הג'יפ שבועיים ואני רוצה להתחיל לסדר כמה דברים... אבל אני ללא ניסיון בכלל לא במכניקה ולא בחשמל ממש ממש בור.
השעון מד מתח לא עובד ,גם המד דלק ועוד כמה דברים ....
בחרתי להתחיל עם המד מתח ואני מתכנן לעבוד עליו בשבת הקרובה.
1. היום השגתי וולטומטר ונורת ביקורת
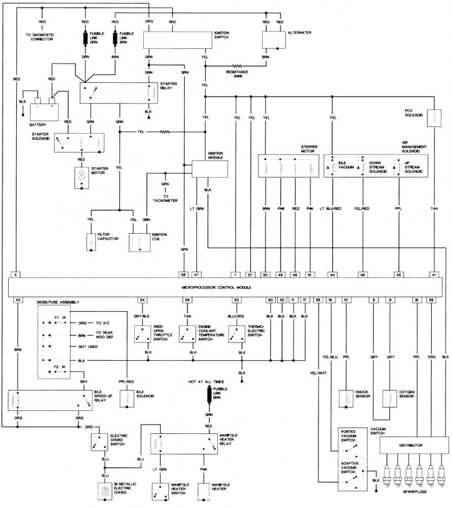
2. מצאתי תרשים חשמל לwrangler 1989קובץ מצורף 95688 מהאתר הזה: http://www.autozone.com/repairguides...00c1528008ad56 . האם התרשים מתאים לגיפ שלי? כבר בדרך אני רוצה להבין לאן הולך כל חוט חשמל. וגם מה המספרים בתוך המלבנים מציינים.
3. איזה חוט חשמל עליי לקנות? כמה מ"מ?
4. אם יש עוד משהו שאני צריך לדעת אשמח לשמוע
תודה
ניר
*נ.ב בטח יהיו לי עוד כמה שאלות. לדוגמא אני עדיין צריך להבין איך הוולטומטר הזה עובד ועל מה לכוון אותו
תגובה: חשמל בCJ8 1989 (מד טעינה)
תרשים של רנגלר לא מתאים.
אתה צריך תרשים חשמל של CJ.
כנס לסיפריית ההורדות באתר, יש שם ספר טיפולים צבאי מלא בעברית לג'יפ CJ.