Close
ξφιβ ϊεφΰεϊ 1 ςγ 2 ξϊεκ 2
  1. #1

    αψιψϊ ξηγμ ηωξμ αCJ8 1989 (ξγ θςιπδ)

    ωμεν ωμεν,
    ΰζ ιω μι ΰϊ δβ'ιτ ωαεςιιν εΰπι ψεφδ μδϊηιμ μργψ λξδ γαψιν... ΰαμ ΰπι μμΰ πιριεο αλμμ μΰ αξλπιχδ εμΰ αηωξμ ξξω ξξω αεψ.

    δωςεο ξγ ξϊη μΰ ςεαγ ,βν δξγ γμχ εςεγ λξδ γαψιν ....
    αηψϊι μδϊηιμ ςν δξγ ξϊη εΰπι ξϊλπο μςαεγ ςμιε αωαϊ δχψεαδ.

    1. διεν δωβϊι εεμθεξθψ επεψϊ αιχεψϊ
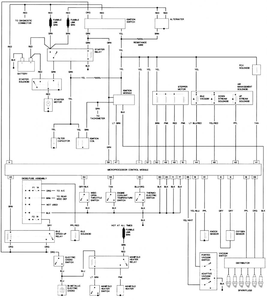
    2. ξφΰϊι ϊψωιν ηωξμ μwrangler 1989Click image for larger version. 

Name:	controls-1989 with 4.2L engine.jpg 
Views:	170 
Size:	95.5 χιμεαιιθ 
ID:	95688 ξδΰϊψ δζδ: http://www.autozone.com/repairguides...00c1528008ad56 . δΰν δϊψωιν ξϊΰιν μβιτ ωμι? λαψ αγψκ ΰπι ψεφδ μδαιο μΰο δεμκ λμ ηεθ ηωξμ. εβν ξδ δξρτψιν αϊεκ δξμαπιν ξφιιπιν.
    3. ΰιζδ ηεθ ηωξμ ςμιι μχπεϊ? λξδ ξ"ξ?
    4. ΰν ιω ςεγ ξωδε ωΰπι φψικ μγςϊ ΰωξη μωξες

    ϊεγδ
    πιψ
    *π.α αθη ιδιε μι ςεγ λξδ ωΰμεϊ. μγεβξΰ ΰπι ςγιιο φψικ μδαιο ΰικ δεεμθεξθψ δζδ ςεαγ εςμ ξδ μλεεο ΰεϊε

  2. #2
    ηαψ ψωεν six 4 life's Avatar
    ϊΰψικ δφθψτεϊ
    Dec 2002
    ξιχεν
    ξψλζ
    δεγςεϊ
    5,648

    αψιψϊ ξηγμ ϊβεαδ: ηωξμ αCJ8 1989 (ξγ θςιπδ)

    ϊψωιν ωμ ψπβμψ μΰ ξϊΰιν.
    ΰϊδ φψικ ϊψωιν ηωξμ ωμ CJ.
    λπρ μριτψιιϊ δδεψγεϊ αΰϊψ, ιω ων ρτψ θιτεμιν φαΰι ξμΰ αςαψιϊ μβ'ιτ CJ.

πεωΰιν γεξιν

  1. λξεϊ*περςιν*ξεβαμϊ*εαςιεϊ*ψιωει*αCJ8
    ςμ ιγι romeroh780 ατεψεν τεψεν ψλα ωθη 4X4 λμμι
    ϊβεαεϊ: 1
    ςγλεο ΰηψεο: 21-07-11, 21:26
  2. ξεθ δβδ εϊιαϊ δβδ λη αCJ8 89
    ςμ ιγι boba banay ατεψεν τεψεν β'ιτ ριχρ CJ
    ϊβεαεϊ: 10
    ςγλεο ΰηψεο: 07-10-08, 08:27
  3. ωεα αςιιϊ θςιπδ-δτςν ςεγσ θςιπδ
    ςμ ιγι elitkh ατεψεν τεψεν β'ιτ ρετδ εψπβμψ YJ/TJ
    ϊβεαεϊ: 4
    ςγλεο ΰηψεο: 11-07-07, 15:11
  4. ξδ γςϊλν ςμ δψλαϊ ξςψλϊ ωξς αCJ8 β'ιτ ξχεφψ, τϊεη ?
    ςμ ιγι yarinet ατεψεν τεψεν β'ιτ ριχρ CJ
    ϊβεαεϊ: 11
    ςγλεο ΰηψεο: 28-09-04, 01:40
  5. ςγ λξδ χωδ μδψλια δβδ λη αCJ8
    ςμ ιγι orion22 ατεψεν τεψεν β'ιτ ριχρ CJ
    ϊβεαεϊ: 2
    ςγλεο ΰηψεο: 04-09-03, 00:35

δψωΰεϊ τψρεν

  • ΰιο αΰτωψεϊκ μτψρν πεωΰιν ηγωιν
  • ΰιο αΰτωψεϊκ μτψρν ϊβεαεϊ
  • ΰιο αΰτωψεϊκ μφψσ χαφιν
  • ΰιο αΰτωψεϊκ μςψεκ ΰϊ δεγςεϊικ
  •