-
תגובה להודעה: שיפוץ מע' החשמל ב-CJ
הראשונה רלוונטית לCJ עם קרבורטור מבוקר מחשב, בדיאגרמה משורטט הקונקטור למחשב ולאן הוא מחובר.
השניה תעזור לך יותר, תוכל להשתמש גם בזה ובספר הצבאי.
מתג ההתנעה והחיווט בו זהה לחלוטין בדגם האמריקאי מבוקר המחשב לזה הישראלי, תשתמש בדיאגרמה שנוחה לך.
קח נייר דבק, זהה חוט (לאן מחובר/תפקידו) רשום על נייר הדבק והדבק על החוט. אחרי שתזהה 40% מהחוטים השאר כבר יזרום מעצמו.
-
תגובה להודעה: שיפוץ מע' החשמל ב-CJ
-
תגובה להודעה: שיפוץ מע' החשמל ב-CJ
אשר, הדיאגרמה שצירפתי, של הספר הצבאי, אתה יודע להגיד בכמה היא שונה מהמצב בפועל (אם בכלל)?
אני אעשה את הזיהוי עם תגיות כמו שהמלצת.
הבעיה היא לא לזהות חוטים כמו שהיא לעבוד לפי הדיאגרמה ולאתר את השוני בין הדיאגרמה למצב הקיים.
חיים, אתה קצת מתבלבל.
הסכימה שצירפתי היא של ברירת מצבים בין אור נמוך לגבוה. ולא מתג אורות ראשי (זה שיש לו 2 מצבים של חצי משיכה ומשיכה מלאה).. אני מכבה את האורות עם המתג הראשי.
מיכה, אין מצב שאני קונה צמת חשמל מוכנה, כשאני יכול להכין אחת לבד ולהבין את המערכת באותה ההזדמנות.
נכון, אני לא ממש מצליח נכון לעכשיו ומתקשה עם זה, אבל לא מוותרים...
תודה!
-
תגובה להודעה: שיפוץ מע' החשמל ב-CJ
הכי חשוב זה לא לוותר :-)
בכל מקרה, יש לי 2-3 צמות חשמל שבזמנו היו תקינות. כיום הן בערימה גדולה במחסן שלי. אם אתה צריך חלקים אז אולי יש לי בשבילך.
-
2 קבצים מצורפים
תגובה להודעה: שיפוץ מע' החשמל ב-CJ
ציטוט:
נכתב במקור על ידי
lizard
אמנון אני באמת שלא מבין אותך. כלומר, כן אין כמו לעבוד על הג'יפ לבד ובכיף אבל יש קרבות שאולי בכלל לא צריך להכנס אליהם, בטח לא כיום שאפשר להזמין מהאינטרנט הכול.
הנה 2 צמות חשמל חדשות שמצאתי באיביי. אחת של 12 מעגלים והשניה של 22 מעגלים. לדעתי זו של ה12 מעגלים מספיקה לך. היא גם זולה מאוד לדעתי.
שלי אגב, 12 מעגלים של אותה חברה, עלתה פי שניים.
ציטוט:
נכתב במקור על ידי
lizard
אני מנצל את השירשור להודות לאשר על כל העזרה האדירה שהוא הגיש לי. בלעדיו הרכב היה עדיין בלי חשמל בכלל.
תודה רבה אשר
מיכה, להזכירך זה לא מספיק לקנות את הצמות ב-EBAY, גם צריך לדעת מה לעשות איתן, וכאן אין הבדל אם הצמה חדשה או ישנה.
לעניינינו, הנה שתי סכמות של CJ שנת 82, דומה מאוד למה שהלך אצלי בג'יפ.
עירא
-
תגובה להודעה: שיפוץ מע' החשמל ב-CJ
ציטוט:
נכתב במקור על ידי
עירא
מיכה, להזכירך זה לא מספיק לקנות את הצמות ב-EBAY, גם צריך לדעת מה לעשות איתן, וכאן אין הבדל אם הצמה חדשה או ישנה.
עירא
דבר ראשון אתה צודק, אשר עזר לי ברמה שלא הכרתי עד אז. הוא התקין את הצמה בצורה מופלאה.
אבל מה עירא, למדתי מאז דבר או שניים. אז להתנצח איתי על משהו שהיה לפני שנתיים בערך, טוב אם זאת הגישה שלך אז שיהיה לך לבריאות.
בתכל'ס, לדעתי האישית כל השקעה של זמן וכסף בצמות הישנות של הסיקס היא מיותרת לחלוטין.
בטח כשאפשר להביא צמה קומפלט ג'נרית מאיביי. כל נסיון להבין מה הולך שם בצמה המקורית פשוט מיותר לדעתי.
-
תגובה להודעה: שיפוץ מע' החשמל ב-CJ
ציטוט:
נכתב במקור על ידי
אמנון
אשר, הדיאגרמה שצירפתי, של הספר הצבאי, אתה יודע להגיד בכמה היא שונה מהמצב בפועל (אם בכלל)?
אני אעשה את הזיהוי עם תגיות כמו שהמלצת.
הבעיה היא לא לזהות חוטים כמו שהיא לעבוד לפי הדיאגרמה ולאתר את השוני בין הדיאגרמה למצב הקיים.
פשוט תתחיל לזהות חוטים, עם ההתקדמות כבר תגלה איזו דיאגרמה מתאימה, צבע, מיקום וכו.
-
תגובה להודעה: שיפוץ מע' החשמל ב-CJ
מיכ אל תיעלב,
כוונת המשורר (שמסתבר לא כל כך ברורה כשהו כותב ב-1:30 בלילה) הייתה שקניית צמה חדשה אומנם תחסוך את הבלאגן שכרוך בהלחמות ולחיצת סופיות לגידים וכו'
אבל תייצר צרות חדשות בצורת הרכבת הצמה. למי שעדיין לא ביצע החלפת מערכת חשמל, שתי הפעולות הן באותה רמת סיבוכיות, רק מה, הראשונה יותר זולה.
ולכן אינני רואה יתרון בקניית צמה חדשה אם ממילא נשארים אם אותה הבעייה של הרכבה, מה הולך לאן, התאמה לסכמות וכו'.
עירא
-
תגובה להודעה: שיפוץ מע' החשמל ב-CJ
ציטוט:
נכתב במקור על ידי
עירא
מיכ אל תיעלב,
כוונת המשורר (שמסתבר לא כל כך ברורה כשהו כותב ב-1:30 בלילה) הייתה שקניית צמה חדשה אומנם תחסוך את הבלאגן שכרוך בהלחמות ולחיצת סופיות לגידים וכו'
אבל תייצר צרות חדשות בצורת הרכבת הצמה. למי שעדיין לא ביצע החלפת מערכת חשמל, שתי הפעולות הן באותה רמת סיבוכיות, רק מה, הראשונה יותר זולה.
ולכן אינני רואה יתרון בקניית צמה חדשה אם ממילא נשארים אם אותה הבעייה של הרכבה, מה הולך לאן, התאמה לסכמות וכו'.
עירא
אתה טועה, או כמה שאתה טועה.
אני מודה שבלי אשר אז כנראה שעדיין הייתי מסובך שם עם החוטים. אבל באמת שלהתקין את הצמה היה משחק ילדים. הדפסתי את הקובץ PDF הצבעוני בגודל של A2 (כולל למינציה) וברגע שקולטים את השיטה, שאשר לימד אותי, אז באמת שזה רק פאזל.
אחרי שיש לך את הצמה הזו, שלקח לך 2-3 ימים להתקין, אז מעבר לזה שאין בעיות חשמל, יש לך על כל חוט את השם שלו ועל פי השרטוט אתה יודע לאן הוא הולך. לא רק הבדלי צבעים, גם אשכרה רשום על כל חוט מה התפקיד שלו.
אתה מוזמן לבוא לראות את הצמה אצלי. נכון שכרגע היא קצת מפורקת אבל כשהיא הייתה, היו לי אולי 3-4 חוטים מאחורי הדש בורד והמנוע היה נקי מחוטי חשמל מיותרים. זה עושה כזה סדר שחבל על הזמן.
-
1 קבצים מצורפים
תגובה להודעה: שיפוץ מע' החשמל ב-CJ
טוב, אחרי יום וחצי של עבודה, היתה התחלה מוצלחת יחסית.
עבדתי מול הדיאגרמה הצבאית בעיקר ונעזרתי קצת בדיאגרמה של ה-CJ7 שחיים צרף בהתחלה.
הצלחתי לאתר חיבורים פיראטיים ועוד חרא במערכת. התמונה הכללית קצת יותר ברורה לי עכשיו.
אתמול חיברתי חלקית את המערכת כדי לראות מה המצב. הבעיה עם האיתותים לא נפתרה.
מה הבעיה? במצב שלא מאותתים, המנורה של איתות שמאל בשעון המרכזי דולקת. איתות לצד שמאל עובד בקצב סביר, איתות צד ימין לא עובד בצורה סדירה (לאט מאוד וחלש).
הכיוון שלי לבדיקה היה להבין מאיפה הנורה על השעון המרכזי מקבלת מתח, גם כשאין איתות.
יש לציין שכשניתקתי את המינוס לשעון המרכזי, נורת איתות שמאל נכבת ונורת ימין נדלקת (ללא מינוס כאמור).
עקבתי אחרי החוט של צד שמאל (חוט ירוק אם או בלי קו, אני לא זוכר), בדחתי מתח על הקונקטור שלו בקיר האש ומצאתי שם 11 וולט.
מהתבוננות על הדיאגרמה הבנתי שהמתח שמגיע לנורות האלו מגיע מהמתח של הפנסים שאליהם הם מחוברים, ואלו מקבלים את המתח שלהם ממתג בורר האורות.
לדעתי כרגע, כאן טמונה הבעיה המרכזית במערכת האיתות שלי, מאחר והמתג הנ"ל מחווט בצורה הבאה:
http://www.jeepolog.com/forums/attac...chmentid=11319
יש הבדל בין המצב אצלי לבין זה:
http://www.jeepolog.com/forums/attac...2&d=1194713080
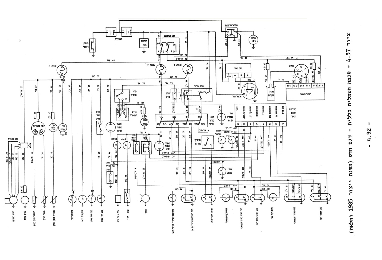
אני מתקשה להבין את החיווט הנכון שצריך להיות אצלי, לפי הדיאגרמה הצבאית:
http://www.jeepolog.com/forums/attac...5&d=1218308393
יש שם גם מתג אורות, וגם מתג בורר אורות.
אני מניח שלא אמורים להימצא אצלי שניהם מאחר והסכימה היא של רכב צבאי.
למה כן אני צריך להתייחס?
ההבנה שלי כפי שמתוארת למעלה נכונה בהקשר של המתחים לנורות האיתות שעל השעון המרכזי?
נראה שהבעיה אכן נובעת מהחיווט של המתג?
מישהו מבין למה כשיש מינוס לשעון המרכזי נורה שמאל דולקת, וכשאין מתח, דולקת נורה ימין?
אשמח לעזרה מובנת,
אמנון.
-
תגובה להודעה: שיפוץ מע' החשמל ב-CJ
לא שם הבעייה שלך, אמנון.
מתג האורות שיש לך הוא מתג חליפי, ולא המקורי, אך ההתקנה שלו טובה.
קודם כל תחבר מינוס יציב וטוב ללוח השעונים. המינוס הזה חשוב.
תמשיך לעבור על מערכת החשמל, לנקות ולבדוק, אתה עושה את זה יפה, וגם לומד תוך כדי.
להערכתי הבעייה שלך היא בעיית מינוס באחד מפנסי האיתות, או מנורה שלא יושבת טוב באחד מהם, וזה מה שמחזיר לך מתח ייחוס לוינקרים כשאורות החנייה דולקים.
-
תגובה להודעה: שיפוץ מע' החשמל ב-CJ
שמיל תודה.
בשיפוץ הראשוני שלי למערכת נתתי מינוסים טובים לכל הצרכנים בדשבורד, כולל השעון המרכזי.
לפי ההצעה שלך, אני אעבור פנס פנס בכל פינות הרכב ואבדוק\אחבר מינוסים בריאים.
עדכונים בהקדם.
-
תגובה להודעה: חוזר: שיפוץ מע' החשמל ב-CJ
ציטוט:
נכתב במקור על ידי
עירא
א. מינוס - אני לא יכול להדגיש את החשיבות של מינוס טוב לכל רכיב ורכיב. אני אקצין ואומר שבשביל הבדיקות של המערכת ולנטרל את האפקט שלמינוס לא טוב, הייתי מריץ כבל מינוס לכל צרכן (פנסים קדימה/אחורה, איתותים, צופרים, מערכת הצתה, דש בורד וכו'.)
עירא
כמו שכבר כתבתי לך,
מינוס גרוע יכול להיות הגורם לכל הצרות שיש לך.
אני מהמר על הפנסי חנייה שמקבלים את הינוס שלהם מהברגים שמחברים אותם לחזית, ולמעשה מצמידים את גוף הפנס המתחתי לבודי. זו נקודת תורפה.
אותו כנ"ל גם לגבי הפנסים האחוריים.
אני חוזר וממליץ שלטובת בדיקת המערכת תשקיע עוד 20 מ' של כבל ותריץ באופן זמני מינוס ישירות מהמצבר לכל צרכן (אורות ראשיים, אורות חנייה, אורות אחורים, דש בורד, שעון מרכזי בדש, וזה מה שעולה לי בראש כרגע) ואל תשכח שבעייה באיתותים למיניהם יכולה לנבוע מאוטומט ווינקר דפוק...
עירא
-
תגובה להודעה: שיפוץ מע' החשמל ב-CJ
את אחה"צ ביליתי בהכנת צמות חשמל חדשות לפנסים האחוריים והוספת חוט מינוס לכל אחד מהם.
לאחר מכן ביצעתי בדיקה חוזרת לאיתותים;
נורת האיתות השמאלית על השעון המרכזי לא פועלת כבר. בהתחלת הבדיקה איתות לצד ימין עבד טוב וצד שמא לא עבד סדיר. אחרי כן גיליתי שאולי עשיתי טעות בחיווט הפנס השמאלי האחורי, ובמצב רגיל המנורה העליונה בפנס דולקת (עד כמה שאני יודע זה לא מצב טבעי כי אורות דרך זה מעגל אחד משניים בנורה הכפולה).
בכל מקרה, עניין האיתות לא היה סדיר בכל פעם ששיחקתי קצת עם מתג האורות הראשי (תזוזה פיזית של המתג). בכל מהלך הזזה של המתג יצאו ניצוצות קטנים מהחיבור של הפלוס הראשי מהמצבר אל המתג. כמו כן החוט הנ"ל התחמם לא מעט.
כשניתקתי את המערכת, וכיביתי את האורות דרך המתג הראשי, פירקתי את המינוס לשעון הראשי ופתאום שמתי לב שבמצב הזה, כשאני מאותת, האיתות סדיר ושווה לכל צד, ואף מנורה לא דולקת במצב ניטרלי - המצב האידיאלי. זה הושג כאמור שרק השעון המרכזי היה מחובר למערכת האיתות ולא שום פנסים אחרים. מה שאומר שהבעיה היא לא שם? (למרות שלא היה מינוס כלל לשעון הראשי!)
אני אתחיל לבדוק שוב אם אכן עשיתי טעות בחיווט הפנס הימני אחורי, אך מעבר לזה אין לי כיוון.
אשמח להכוונה ועצות.
אמנון.
-
תגובה להודעה: שיפוץ מע' החשמל ב-CJ
אתה עדיין עם המתג הזה? כמה כבר עולה מתג מקורי?
תוודא שכל הנורות בשעון מאותו סוג/דגם. בדוק שהמינוס, הטבעת, שבתושבות הנורות לא יצא ממקומו.
-
תגובה להודעה: שיפוץ מע' החשמל ב-CJ
עד היום בצהרים לא ידעתי שזה מתג חליפי.
את רוב הנורות בשעון החלפתי בשיפוץ הראשוני. נורות התאורה זהות אחת לשניה והמינוס שלהן תקין.
בעקבות מה שכתבת בדקתי עכשיו את הנורות (נורות התאורה, לא האיתות...) אחת מהן נשרפה, נוצר חור בכיפת הנורה, והפלסטיק הכחול שמקיף אותה הומס מעט.
אני אחליף את הנורה, אבל האם יש קשר?
אני מאמין שהבעיה שלי כרגע היא איפשהו במערכת האיתות הקדמיים והמתח שלהם למפסק.
או שזה גם האחוריים... אין לי מושג.
-
תגובה להודעה: שיפוץ מע' החשמל ב-CJ
ציטוט:
נכתב במקור על ידי
אמנון
לאחר מכן ביצעתי בדיקה חוזרת לאיתותים;
נורת האיתות השמאלית על השעון המרכזי לא פועלת כבר. בהתחלת הבדיקה איתות לצד ימין עבד טוב וצד שמא לא עבד סדיר. אחרי כן גיליתי שאולי עשיתי טעות בחיווט הפנס השמאלי האחורי, ובמצב רגיל המנורה העליונה בפנס דולקת (עד כמה שאני יודע זה לא מצב טבעי כי אורות דרך זה מעגל אחד משניים בנורה הכפולה).
בכל מקרה, עניין האיתות לא היה סדיר בכל פעם ששיחקתי קצת עם מתג האורות הראשי (תזוזה פיזית של המתג). בכל מהלך הזזה של המתג יצאו ניצוצות קטנים מהחיבור של הפלוס הראשי מהמצבר אל המתג. כמו כן החוט הנ"ל התחמם לא מעט.
אז תחליף מתג, ואם אתה קונה חדש מקורי, תשיג קודם את המחבר שלו.
כשניתקתי את המערכת, וכיביתי את האורות דרך המתג הראשי, פירקתי את המינוס לשעון הראשי ופתאום שמתי לב שבמצב הזה, כשאני מאותת, האיתות סדיר ושווה לכל צד, ואף מנורה לא דולקת במצב ניטרלי - המצב האידיאלי. זה הושג כאמור שרק השעון המרכזי היה מחובר למערכת האיתות ולא שום פנסים אחרים. מה שאומר שהבעיה היא לא שם? (למרות שלא היה מינוס כלל לשעון הראשי!)
אין קשר, אמנון, אין קשר. זה שהאורות חנייה דולקים מסייע למתן אותה זליגה חזרה שעושה לך את הבעייה.
אני אתחיל לבדוק שוב אם אכן עשיתי טעות בחיווט הפנס הימני אחורי, אך מעבר לזה אין לי כיוון.
אשמח להכוונה ועצות.
אמנון.
אני חוזר ואומר - הבעייה שלך היא בעיית מינוס באחד מפנסי האיתות, או מנורה שלא יושבת טוב באחד מהם.
-
תגובה להודעה: שיפוץ מע' החשמל ב-CJ
ציטוט:
נכתב במקור על ידי
shmil
אני חוזר ואומר - הבעייה שלך היא בעיית מינוס באחד מפנסי האיתות, או מנורה שלא יושבת טוב באחד מהם.
נשמע באמת כמו נורת 2 הפעלות (איתות+חניה) הפוכה (או חיווט הפוך לבית). לצורך הבדיקה-תהפוך קודם את הקדמית, אם לא עבד-את האחורית, 90% שזה יפתור את הבעיה.
-
תגובה להודעה: שיפוץ מע' החשמל ב-CJ
חזרתי לעבוד גם הסופ"ש.
התכוונתי להתחיל בלעשות סדר בחיווט הפנסים האחוריים.
התכנון היה לתת מתח ישר מהמצבר לקונקטור שהכנתי לצמה הזו, ולראות האם הנורות הנכונות נדלקות על כל מגע ומגע. אם לא, החיווט לא נכון.
נתתי מינוס ישירות מהמצבר לחוט מינוס שהכנתי לשני הפנסים. במהלך הבדיקה גליתי שנורת 2 המעגלים של הפנס השמאלי שרופה במעגל אחד.
ואחרי כן גיליתי משהו מוזר לגמרי; חיברתי רק מינוס לפנסים ומשום מה הנורה העליונה עם המעגל הראשון עבדה (ללא מינוס!) זה היה מאוד מוזר לי, אז בדקתי מתח בין קוטב מינוס מהמצבר לבודי באיזור הפנסים. גיליתי שם 9.5 וולט! כאילו הבודי מקבל פלוס! חשבתי שאולי הסולונואיד מקצר לכנף שהוא יושב עליה - פירקתי אותו ועניין המתח נשאר.
אני כבר לא מבין דבר ממה שהולך שם.
:mad: :shock:
-
תגובה להודעה: שיפוץ מע' החשמל ב-CJ
קודם תבודד את הזליגה, נתק פיוז אחד ובדוק אם הזליגה עדיין קיימת. עדיין? עבור לשני ובדוק זליגה.
(זאת בהנחה שהכל מחובר דרך פיוז)
אני מהמר על שני מקורות, אחת הנורות בשעון הגדול או חיבור סוויצ' הרוורס בתה"ל וחיישן 4X4.
-
תגובה להודעה: שיפוץ מע' החשמל ב-CJ
מדדתי מתח על קטבי המצבר - 11.89
מדדתי בין קוטב מינוס לבודי בחיבור פנסים אחוריים - 11.89
ניתקתי פיוז פיוז בלוח - נשאר אותו הדבר.
ניתקתי את הקונקטור הראשי מקיר האש (כל הדשבורד לא מקבל מתח) עדיין אותה קריאה.
(השעון הראשי לא מחובר בכלל).
ניתקתי את הקונקטור של הטרנספר - אותו הדבר.
נתקתי את הקונקטור שעל הגיר לרוורס - אותו הדבר.
אני ממשיך לנסות לנתק דברים..
אמנון.
עריכה;
אוקיי זיהיתי את המיקום - ניתקתי את החוט האדום שהולך מהסולונואיד לאלטרנטור - והמתח ירד ל-0.5 וולט.
המשחתי הלאה (חיברתי את החוט הזה חזרה ובדקתי את ההמשך שלו).
אז ניתקתי את החוט האדום שיוצא מהקוטב על האלטרנטור לקונקטור על האלטרנטור - שוב ירד.
כשניתקתי את השחור לבן שיוצא מהקונקטור על האלט' לצמת מנוע - עדיין 11.89 וולט.
מה זה אומר? האלט' מעביר מתח לבודי ולשאר הרכב משום מה..
-
תגובה להודעה: שיפוץ מע' החשמל ב-CJ
אולי זה קשור לבעיית ההתנעה שהשביתה אותי בטיול האחרון?
http://www.jeepolog.com/forums/showpost.php?p=209551&postcount=58
המנוע הסתובב בירידה אבל לא הניע..
באותו טיול במהלך הבוקר, נסעתי על כביש 90 לכיוון הכינרת ופתאום נכבה לי האוטו בנסיעה.
התברר שהרצועה של האלט' נעשתה רפויה לגמרי.
מתחנו אותה, והאוטו הניע.
לאחר מכן גם כיביתי אותו לפחות עוד 3 פעמים והוא הניע.
יש קשר?
-
תגובה להודעה: שיפוץ מע' החשמל ב-CJ
בהנחה שהאלטרנטור מחווט נכון, בדוק לאן מחובר החוט השחור הדק, עירור/שדה, החוט יוצא מהאלטרנטור ואמור להתחבר למתח בזמן עבודה בלבד. במקור מתחבר לחוט 6ממ שיוצא מהקונקטור על קיר האש ומזין את הקויל.
-
תגובה להודעה: שיפוץ מע' החשמל ב-CJ
אבל כשניתקתי את השחור לבן (שיוצא מהאלט') עדיין עבר מתח והמולטימטר הראה 11.89.
וגם כל הקונקטור הראשי מנותק..
בכל מקרה בדקתי את מה שאמרת - חיברתי "נורת ביקורת" (המולטימטר מצפצף כשיש מגע) לקצה של החוט הזה מהצד של האלט' והתחלתי לגעת במגעים השונים בקונקטור של קיר האש (מהצד של תא המנוע, כמובן). המולטימטר צפצף במגע כם כמה וכמה מגעים שונים...
אני לא מבין.
אם זה ככה, איך האוטו עבד עד עכשיו? זה לא המצב התקין?
-
תגובה להודעה: שיפוץ מע' החשמל ב-CJ
צלם את חיבורי האלטרנטור, אם הכל תקין שם כנראה שאין ברירה ותצטרך להחליף את האלטרנטור כולו.
שני החוטים העבים אמורים להתחבר אחד לשני, השחור לא אמור להתחבר לאף חוט להוציא מהחוט לעיל.
-
2 קבצים מצורפים
תגובה להודעה: שיפוץ מע' החשמל ב-CJ
הנה הצילומים..
http://www.jeepolog.com/forums/attac...1&d=1219501408
http://www.jeepolog.com/forums/attac...1&d=1219501408
כאמור כשניתקתי את הקונקטור האדום מהאלט' - המתח ירד מ11.89.
אם הבעיה היא באמת באלט' עצמו ומדובר בקצר\בידוד כושל - חשבתי לשפץ בעצמי, אולי.
זה נשמע פשוט, ולפי הכתבה הזו של אלעד -
http://www.jeepolog.com/150.html
זה לא מסובך ולא מפחיד...
מה אתה אומר?
-
תגובה להודעה: שיפוץ מע' החשמל ב-CJ
מקפיץ...
לא קיבלתי תגובה לסוגיית האלטרנטור..
מחר אני כנראה אפרק אותו, אקח אותו למרכז איתי בראשון ואשפץ...
אמנון.
-
תגובה להודעה: שיפוץ מע' החשמל ב-CJ
ציטוט:
נכתב במקור על ידי
אמנון
מקפיץ...
לא קיבלתי תגובה לסוגיית האלטרנטור..
מחר אני כנראה אפרק אותו, אקח אותו למרכז איתי בראשון ואשפץ...
אמנון.
לפני שאתה מתחייב לתשלום תבדוק כמה יעלה, יש לי אחד תקין ועוד אחד שאולי מצריך שיפוץ קל יותר משלך. אם שלך בכלל צריך שיפוץ (לא הבנתי איך הגעתם למסקנה הזו...)
-
תגובה להודעה: שיפוץ מע' החשמל ב-CJ
טוב.
היום פירקתי את האלטרנטור לגורמים ועבדתי לפי הכתבה המעולה של אלעד;
http://www.jeepolog.com/150.html
בדקתי רכיב רכיב באלטרנטור.
ההתנגדות של סלילי הסטטור תקינה.
ההתנגדות על הדקי הרוטור תקינה בול!
הדיודה המשולשת תקינה ולא פרוצה.
דיודת יישור תלת פאזית תקינה ולא פרוצה.
הקבל תקין גם הוא.
בפחמים דורשים החלפה וכמו כן גם חריטה לקטבי הרוטור.
נותר לי לשאר שהבעיה היא בווסת.
אני מתכנן להחליפו, כמו כן לקנות דיודה משולשת חדשה, פחמים חדשים, מיסבים וחריטה של הרוטור.
הסתייגויות ששווה לי לשמוע עליהן?
אמנון.
-
תגובה להודעה: שיפוץ מע' החשמל ב-CJ