אבל לא נכנס אליו כלום כי ניתקתי אותו בבדיקה שאשר כתב;
חיברתי את פלוס מהמצבר ישירות לאלט', בלי לעבור כלום בדרך: הקוטב פלוס של המצבר מחובר רק לאלטרנטור ולא לשום דבר אחר.
Printable View
אבל לא נכנס אליו כלום כי ניתקתי אותו בבדיקה שאשר כתב;
חיברתי את פלוס מהמצבר ישירות לאלט', בלי לעבור כלום בדרך: הקוטב פלוס של המצבר מחובר רק לאלטרנטור ולא לשום דבר אחר.
אז שוב החשוד המיידי הוא האלטרנטור, משהו שם לא מחובר כמו שצריך, בחוץ נראה שהכל תקין. תשאיל אלטרנטור ותבדוק.
בדוק את הבידוד גם מבפנים.
http://img144.imageshack.us/img144/7...85largext2.jpg
הבידוד החיצוני והפנימי תקין מאחר וכשאני מנתק את הקונקטור האדום שמתחבר לווסת, המתח יורד חזרה לנורמלי. מה שאומר שזה הווסת או אחד מחיבוריו. ווסת החלפתי בשיפוץ.
אם הווסת מעביר מתח לגוף האלט' אני בודק אפשרות של הברגים עם הבידוד, שמחזיקים אותו (פירקתי את האלט' שוב עכשיו). הם נראים בסדר אך יוחלפו בחדשים בכ"ז. אני אחליף גם את דיודת היישור התלת פאזית והקבל. מה ייצור אלטרנטור משופץ לגמרי. אם לא יעזור, אני קובע תור לגריטת האוטו... :mad:
המון תודה על העזרה העקבית שלכם! לפחות זה נותן אנרגיה להמשיך להתעסק עם זה.
אמנון.
החלפתי את דיודת היישור. הבעיה עדיין קיימת.
יכול להיות שזה איכשהו קשור לעובדה שכל מערכת החשמל בחוץ?
אולי האלט' צריך לקבל מתח לחיבור השחור לבן כדי שזה לא יקרה?
למישהו יש רעיון? כל החלקים באלט' חדשים! אני לא מצליח להבין את זה.
תפרק את האלטרנטור מהמנוע עצמו ושים אותו על משהו מבודד ותבדוק שוב
משהו פה לא מסתדר טוב
קח כבל התנעה וחבר לתושבת של האלטרנטור מקוטב מינוס במצבר.
פירקתי.
אני לא יודע כ"כ מה לבדוק כשהאלט' על השולחן.
חיברתי רב מודד לקונקטור של החוט האדום בצד אחד, ולגוף האלט' בצד שני.
העברתי את הרב מודד למצב של צפצוף כשיש מוליכות (זה גם המצב לבדיקת דיודות, אני מאמין).
הוא לא מצפצף אבל מראה ערך של 1.9. מה שאומר שזה המתח ש"נופל" עליו.
אני לא יודע אם זה תקין או לא, ומה זה בדיוק אומר. הכל שם מבודד כמו שצריך בפנים.
אשר, מה אני אמור לבדוק אחרי שאני מחבר את הכבל?
לחידוד העניין;
כל הבדיקות שעשיתי נעשו כשהמינוס לא מחובר כלל לאוטו. הוא היה מנותק לחלוטין והבדיקה התבצעה מנק' כלשהי בבודי לקוטב השלילי של המצבר, שכאמור לא היה מחובר לדבר.
אולי זה בכלל מצב תקין?
אם אתה מוציא את האלטרנטור (והוא יושב על משטח מבודד) ועדיין הוא מחובר ללחוטים שלו ,
שים הדק אחד של האוהמטר על מינוס ותגע עם השני בגוף האלטרנטור מה עכשיו ? יש מתח ?
מה בכלל הבעיה שבגללה נכנסת לסיפור הזה?
אמנון, חבר מינוס טוב למנוע ולמרכב, חבר את החוט השחור/לבן למקומו ואז תבצע את הבדיקות.
דגש על מינוס טוב לאלטרנטור עצמו, ישירות מהמצבר.
הרכבתי את האלט', חיברתי את המינוס לכל האוטו וניסיתי להניע.
הניע.
לא ביצעתי בדיקות.
אני עדיין לא מבין למה היה מתח בין הפלוס לבודי דרך האלט' (את זה ניסיתי לפתור ברוך) אבל כנראה שזה לא משנה. עכשיו אני מתמודד עם כל שאר הבעיות שיש (הכל התחיל בסיום של טיול לפני חודשיים, חניתי את האוטו על גבעה, כשניסיתי להניע שוב לא היתה תגובה, ניסינו בדרדור ולא הצליח - דרדור מאוד ארוך, כל המנוע מסתובב, לא הניע כלל. הסוויץ' גם נתן תחושה מוזרה ולא תקינה. הגג"ש הפנימי מהפלסטיק נטחן [כנראה בעת ניסיון תפעול לוקה בחסר ואגרסיבי של אחד מהחבר'ה שבאו לעזרתי] גגרנו את הג'יפ הביתה וככה זה התחיל).
כדי להמשיך את ההרכבה, מישהו יודע מה הזרם המקסימלי שזורם בחוטי ההצתה (אלו שמתחברים למתג ההצתה, האדום הראשי, אדום עם פס לבן, צהוב לאביזרים וכל אלו). זו תיהיה עזרה גדולה.
תודה מראש.
זה שהיה לך מתח נובע מכך שיש לך איזה צרכן שצורך זרם ובגללז ה ראית מתח שעובר דרך האוהמטר , לא הייתי מייחס לזה חשיבות , זה שהרכב לא הניע לך יכוללהיות קשור לכך שהסוויץ נדפק , סוויץ מעביר מתח גם למערכת ההצתה
ולכן הוא לא הניע בדחיפה .
סליחה, כמובן שהתבלבלתי, מדדתי בין המינוס למרכב.
מה שאמור להיות באותו המתח מן הסתם.
יש לי בעיה עם מתג ההצתה המרכזי שלי.
המפתח בעמודת ההגה מסובב גג"ש מפלסטיק. הגג"ש מזיז פס שיניים שדוחף את המוט הדחיף.
המוט הדחיף מניע את המתג למצביו השונים.
גג"ש הפלסטיק נשחק לי. הרכבתי חדש, וניסיתי לכוון את המתג כדי שהמוט הדחיף יזיז אותו לכל המצבים שלו. התקבל מצב שכאילו אין מספיק טווח פעולה למוט. הוא כאילו צריך להיות יותר ארוך.
אחרי מחשבה על אינסוף פתרונות מכניים וחשמליים, החלטתי לזנוח את המתג הראשי ולבנות מעגל עם מתגים וממסרים שמחליף אותו.
אתמול סיימתי להעלות את המעגל מהראש לנייר. ובניתי אותו.
החחש היחיד שלי הוא הזרמים שהוא צריך להתמודד איתם, מאחר ומבחינת תפקוד הוא מתפקד בדיוק כמו המתג.
לפי הנתונים שיש לי של המתגים שהשתמשתי בהם המצב צריך להיות בסדר אך קצת גבולי.
לכן המעגל שבניתי יהווה אבטיפוס ואם יהיה צורך, נשנה אותו בהתאם.
אני יודע שזה יכול להישמע בעייתי, לזנוח את המתג, אך אני מקווה שהמגעל שלי יתפקד טוב.
המתג הזה עשה לי בעיות מאז שהג'יפ אצלי, ואחרי שניסיתי לפתור את העניין בדרך הקונבנציונלית, אני עובר לדרך שלי :twisted:
אם יהיה עניין אני אשמח להעלות את הדיאגרמה לכאן (פשוט צריך להעביר אותה למחשב מהנייר).
אמנון.
טוב, אחרי נסיעת מבחן היום האוטו הניע יפה ונסע יפה.
בהתחלה.
עדיין האיתותים לא עובדים בכלל. אחרי שעברתי על כל החיבורים שלהם בצמה.
ההשערה של חברי הדיון הזה היתה על מינוסים לא תקינים לאחד הפנסים. זה עדיין יכול להיות המקרה, צריך לבדוק. מערכת ההתנעה שלי (שמחליפה את המתג המקורי) עבדה יפה אבל יש שיפורים לבצע.
לקראת החזרה הביתה ראיתי שחום המנוע עולה מהר.
הגעתי הביתה, פתחתי מכסה מנוע וראיתי מים מאיזור הרדיאטור. שיערתי שהיה שחרור לחץ דרך הפקק.
כשהתקרר פתחתי את המכסה ולא ראיתי את מפלס המים. התחלתי למלא וראיתי שהמפלס לא עולה כלל. מבט מטה גילה שהמים בורחים מאיזור הפתח התחתון של הרדיאטור.
קיוותי שזה המקרה הקל - הצינור נקרע.
פירוק הרדיאטור הראה שלא כך הדבר.
http://www.jeepolog.com/forums/attac...1&d=1222885227
אחרי צרה אחת באה אחרת.
אציין שהאוטו נוסע על מי ברז. ככה הוא הגיע אליי ולא הייתי מודע כהלכה לנושא.
ההבנה הלכה וגברה אבל לא הייתי מודע סופית לרמת החומרה של העניין עד לדיון הזה בעצם; http://www.jeepolog.com/forums/showthread.php?t=29397
על זה אני אפתח דיון נפרד.
אחרי שאתקן את הסוגייה הזו, אתקדם הלאה עם מערכת החשמל הקלוקלת שלי.
:confused:
אמנון.
לפי התמונות הרדיאטור שלך במצב ריקבון מתקדם והגיע כנראה לסוף חייו
עצה חברית- אל תתקן, זה לא יחזיק
החלף בחדש בלבד.
אין כסף? אל תיסע עד שיהיה. תיקון לא יחזיק לך הרבה אם בכלל.
קח בקלות.
ארז, פתחתי שרשור לנושא, אני צריך את הדעה שלך.
http://www.jeepolog.com/forums/showt...619#post215619
כאן אני אמשיך לנסות לתקן את מערכת החשמל שלי.
טוב, אחרי שסידרתי את הקירור, חוזרים לעבודה.
יש לי בעיה עם מערכת ההתנעה.
http://www.jeepolog.com/forums/attac...1&d=1223758466
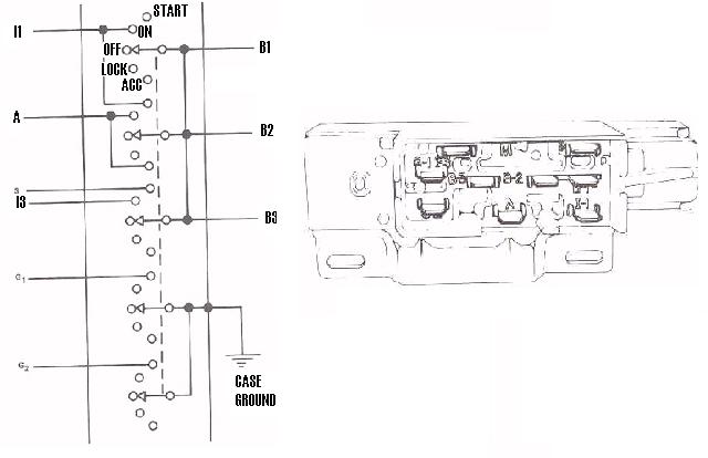
זה מתג ההתנעה המקורי.
היתה לי בעיה עם המוט הדחיף שמניע אותו, אז החלטתי לבנות מעגל חשמלי שיחליף אותו.
הבעיה הנוספת איתו היתה שכשניסיתי לדומם מנוע, למרות שהמוט הדחיף כן הביא את המתג למצב דימום, המנוע לא דומם.
זו הסכימה שלו;
http://www.jeepolog.com/forums/attac...1&d=1223758466
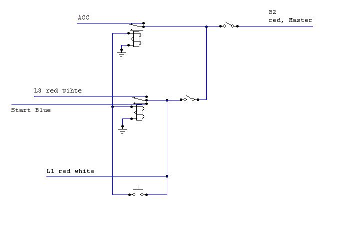
אני בניתי את המערכת הבאה;
http://www.jeepolog.com/forums/attac...1&d=1223758597
מה יש לנו כאן? זוג מתגי ON OFF ופוש בוטון NO.
כשמפעילים מתג ראשון, יש מתח לאביזרים.
מתג שני - מתח לשאר הצרכנים.
פוש בוטון - התנעה. כשלוחצים עליו הוא מנתק את האביזרים וה-L3, בדיוק כמו שקורה במתג האמריקאי המקורי.
לא התייחסתי לשחור הדק, מכיוון שהוא לא היה מחובר אצלי כלל, ולא הצלחתי להבין לאן הוא כן אמור להתחבר ( Indicator Lights).
אני יודע, המתח הראשי מחובר ישירות למספק ללא ממסר, אבל המפסק עומד בעד 30 אמפר, ואני כבר בדרך להרכבת שני ממסרים נוספים. אל דאגה.
שמח וטוב לבב, הרכבתי את מערכת ההתנעה שבניתי.
מתג ראשון, יש מתח לאביזרים.
מתג שני, השאר מקבל מתח.
פוש בוטון - האוטו הניע.
אחרי כמה דקות, ניגשתי לדומם.
הורדתי מפסק (אחד מהם, לא משנה), האוטו דומם.
עובד נפלא, אני מאושר.
יצאתי לנסיעת מבחן, האוטו רעד קצת, חזרתי הביתה, ניגשתי לדומם.
לא מדומם.
זה היה שבוע שעבר.
אחרי הרכבת מערכת הקירור, קרה אותו הדבר.
האוטו היה בחנייה כל היום.
המנוע עבד 30 דקות (הניע עם הכפתור..)
והצלחתי לדומם מהמתג.
אחרי זה שוב, עבד לעוד חצי שעה.
הצלחתי לדומם עם המתג.
יצאתי לנסיעת מבחן, חזרתי הביתה, סוגר מפסקים - לא מדומם.
שימו לב, הוצאתי פיזית את כל החיבורים שמתחברים לצמת ההתנעה (ההיא בתמונה הראשונה) והאוטו עדיין בשלו, מנוע עובד.
מה לעזזאל קורה כאן?
האיתותים חזרו לעבוד, ד"א... מוזר, מוזר מאוד.
אמנון, שנחוש לצאת לטייל בסוכות, אבל המצב נראה עגום כרגע מבחינה חשמלית.
תבוא ביום שלישי עם הג'יפ, אני עובד על הקמפר וננסה למצוא ביחד מה קורה.
אסף.