Close
ςξεγ 1 ξϊεκ 3 123 ΰηψεοΰηψεο
ξφιβ ϊεφΰεϊ 1 ςγ 20 ξϊεκ 54
  1. #1

    Lightbulb δημτϊ ΰμθψπθεψ λμ ωπϊιιν τψΰγε 2001

    ωμεν ηαψιν ιω μι τψΰγε γιζμ 3000 ωπϊ 2001
    δψλα πξφΰ ΰφμι 10 ωπιν εΰπι ων μα ωλμ ωπϊιιν ΰπι φψικ μδημισ ΰμθψπθεψ πιριϊι λαψ ξερλιν ωεπιν εδξξεφς ΰφμι δεΰ λμ ωπϊιιν δΰμθψπθεψ ξϊ
    ΰπι περς ςν δψλα αωθη ΰαμ μΰ ξωϊεμμ λξε ξωεβς
    δΰν ζδ πωξς μλν δβιεπι ϊεγδ εηβ ωξη
    θεαι

  2. #2
    ηαψ ψωεν γ ε ψ ε ο's Avatar
    ϊΰψικ δφθψτεϊ
    Mar 2003
    ξιχεν
    ααιϊ
    δεγςεϊ
    25,319

    αψιψϊ ξηγμ ϊβεαδ: δημτϊ ΰμθψπθεψ λμ ωπϊιιν τψΰγε 2001

    περς ααευ εξιν?
    δδπΰδ ωαΰιθιεϊ..

    "The view of the Hilux from the back, often seen by others on the trail, rarely seen by anyone on the freeway."
    Hary Wagner

  3. #3

    αψιψϊ ξηγμ ϊβεαδ: δημτϊ ΰμθψπθεψ λμ ωπϊιιν τψΰγε 2001

    φιθεθ πλϊα αξχεψ ςμ ιγι γ ε ψ ε ο φτιδ αδεγςδ
    περς ααευ εξιν?
    λο μτςξιν ΰαμ ξπρδ μΰ μςαεψ βεαδ ξιν ωμ ηφι βμβμ....

  4. #4
    ηαψ ψωεν Gershon's Avatar
    ϊΰψικ δφθψτεϊ
    Mar 2003
    ξιχεν
    Tel Aviv, Israel, Israel
    δεγςεϊ
    3,976

    αψιψϊ ξηγμ ϊβεαδ: δημτϊ ΰμθψπθεψ λμ ωπϊιιν τψΰγε 2001

    φιθεθ πλϊα αξχεψ ςμ ιγι freedom φτιδ αδεγςδ
    ωμεν ηαψιν ιω μι τψΰγε γιζμ 3000 ωπϊ 2001
    δψλα πξφΰ ΰφμι 10 ωπιν εΰπι ων μα ωλμ ωπϊιιν ΰπι φψικ μδημισ ΰμθψπθεψ πιριϊι λαψ ξερλιν ωεπιν εδξξεφς ΰφμι δεΰ λμ ωπϊιιν δΰμθψπθεψ ξϊ
    ΰπι περς ςν δψλα αωθη ΰαμ μΰ ξωϊεμμ λξε ξωεβς
    δΰν ζδ πωξς μλν δβιεπι ϊεγδ εηβ ωξη
    θεαι
    ξδ αγιεχ ξϊχμχμ αΰμθψπθεψ?
    tel:054-7367258

  5. #5
    ηαψ ψωεν γ ε ψ ε ο's Avatar
    ϊΰψικ δφθψτεϊ
    Mar 2003
    ξιχεν
    ααιϊ
    δεγςεϊ
    25,319

    αψιψϊ ξηγμ ϊβεαδ: δημτϊ ΰμθψπθεψ λμ ωπϊιιν τψΰγε 2001

    φιθεθ πλϊα αξχεψ ςμ ιγι freedom φτιδ αδεγςδ
    λο μτςξιν ΰαμ ξπρδ μΰ μςαεψ βεαδ ξιν ωμ ηφι βμβμ....
    ζδ μαγ ξβαιψ ξωξςεϊιϊ ΰϊ χφα δαμΰι.
    δδπΰδ ωαΰιθιεϊ..

    "The view of the Hilux from the back, often seen by others on the trail, rarely seen by anyone on the freeway."
    Hary Wagner

  6. #6
    ηαψ ψωεν tallevi's Avatar
    ϊΰψικ δφθψτεϊ
    May 2009
    ξιχεν
    ωεξψεο
    δεγςεϊ
    3,183

    αψιψϊ ξηγμ ϊβεαδ: δημτϊ ΰμθψπθεψ λμ ωπϊιιν τψΰγε 2001

    αευ εξιν ξωτιςιν ςμ δξλΰπιχδ ωμ δΰμθ.
    ξςψλϊ ηωξμ ξεςξρϊ ιϊψ ϊτβς αφγ δηωξμι ωμ δξλμεμ.

    ηωεα μΰαηο ξδ δλωμ δηεζψ.

    ξφθψσ μωΰμδ ωμ βψωεο.

    ων ΰεμι ϊξφΰ ΰϊ δϊωεαδ.



    θμ.

    Sent from my Mi MIX 2 using Tapatalk

  7. #7
    ηαψ ψωεν ΰιμ ξ's Avatar
    ϊΰψικ δφθψτεϊ
    Feb 2007
    ξιχεν
    λαψ μΰ αρεσ δςεμν ωξΰμδ
    δεγςεϊ
    13,217

    αψιψϊ ξηγμ ϊβεαδ: δημτϊ ΰμθψπθεψ λμ ωπϊιιν τψΰγε 2001

    εΰπι ωΰμδ ΰηψϊ.
    ΰϊδ χεπδ λμ τςν ΰμθψπθεψ ηγω, ΰε ων ξωετυ?
    αγιρχε ΰμθψπθεψιν ξωετφιν μΰ ξηζιχιν (εβν αμΰγδ ωδιϊδ μι). δξλεπΰι ωμι θεςο ωαρεσ, ιω αΰψυ λξδ ξτςμιν αεγγιν ωξωτφιν, ελεμν ωεμηιν ΰμιδν. δΰιλεϊ ωμ δωιτευ αδν διΰ μΰ ξωδε αμωεο δξςθδ (μθςπϊε).
    ξηιψ ωμ ηγω (αγιρχε) μΰ ξφγιχ δωχςδ αξωετυ (εΰφμπε ζδ βν λεμμ ΰϊ ξωΰαϊ δεΰχεν).

  8. #8

    αψιψϊ ξηγμ ϊβεαδ: δημτϊ ΰμθψπθεψ λμ ωπϊιιν τψΰγε 2001

    φιθεθ πλϊα αξχεψ ςμ ιγι Gershon φτιδ αδεγςδ
    ξδ αγιεχ ξϊχμχμ αΰμθψπθεψ?
    ξδ ωξϊχμχμ αΰμθψπθεψιν ΰφμι ζδ ωδν ξτριχιν μδθςιο ΰϊ δξφαψ ...

    - - - Updated - - -

    φιθεθ πλϊα αξχεψ ςμ ιγι ΰιμ ξ φτιδ αδεγςδ
    εΰπι ωΰμδ ΰηψϊ.
    ΰϊδ χεπδ λμ τςν ΰμθψπθεψ ηγω, ΰε ων ξωετυ?
    αγιρχε ΰμθψπθεψιν ξωετφιν μΰ ξηζιχιν (εβν αμΰγδ ωδιϊδ μι). δξλεπΰι ωμι θεςο ωαρεσ, ιω αΰψυ λξδ ξτςμιν αεγγιν ωξωτφιν, ελεμν ωεμηιν ΰμιδν. δΰιλεϊ ωμ δωιτευ αδν διΰ μΰ ξωδε αμωεο δξςθδ (μθςπϊε).
    ξηιψ ωμ ηγω (αγιρχε) μΰ ξφγιχ δωχςδ αξωετυ (εΰφμπε ζδ βν λεμμ ΰϊ ξωΰαϊ δεΰχεν).
    μΰ ιεγς λξδ ςεμδ ηγω ....ΰωξη μωξες ξξιωδε ωδϊχιο ηγω .
    ςμδ μι διεν 1500 λεμμ ξς"ξ ςαεψ ςαεγδ+ΰμθψπθεψ ξωετυ λεμμ ηφι ωπδ ΰηψιεϊ

    - - - Updated - - -

    φιθεθ πλϊα αξχεψ ςμ ιγι γ ε ψ ε ο φτιδ αδεγςδ
    ζδ μαγ ξβαιψ ξωξςεϊιϊ ΰϊ χφα δαμΰι.
    ιω λζδ γαψ ΰμθψπθεψ ξεβο ξιν?

  9. #9

    αψιψϊ ξηγμ ϊβεαδ: δημτϊ ΰμθψπθεψ λμ ωπϊιιν τψΰγε 2001

    ϊημισ τςν ΰηϊ μηγω εμΰ ξωετυ..

    ΰρσ.
    "scars are tattoos with better stories"
    ΰιο ϊλπιϊ. ηιιν. πχεγδ.
    δχξτψ - VW TYPE 2 1978 | δθπγψ - διιμχρ 2008

  10. #10

    αψιψϊ ξηγμ ϊβεαδ: δημτϊ ΰμθψπθεψ λμ ωπϊιιν τψΰγε 2001

    φιθεθ πλϊα αξχεψ ςμ ιγι asafk φτιδ αδεγςδ
    ϊημισ τςν ΰηϊ μηγω εμΰ ξωετυ..

    ΰρσ.
    +1

    ξωετυ ζδ μςιϊιν χψεαεϊ ων χεγ μ"δΰμθψπθεψ ωμ ζδ ωδιδ τδ μτπικ ωφαςϊι αωηεψ".
    ΰιεπιχ 5 | β'ιτ CJ-7 1979 | διιμχρ 2015
    διε: β'ιτ XJ φ'ψεχι 1994| διιμχρ 2008| διιμχρ 1997 | β'ιτ CJ-8 1989 | ρξεψΰι 1988

  11. #11
    ηαψ ψωεν Gershon's Avatar
    ϊΰψικ δφθψτεϊ
    Mar 2003
    ξιχεν
    Tel Aviv, Israel, Israel
    δεγςεϊ
    3,976

    αψιψϊ ξηγμ ϊβεαδ: δημτϊ ΰμθψπθεψ λμ ωπϊιιν τψΰγε 2001

    freedom
    ξπες 1KD-FTV ΰε 1KZ-TE?
    tel:054-7367258

  12. #12

    αψιψϊ ξηγμ ϊβεαδ: δημτϊ ΰμθψπθεψ λμ ωπϊιιν τψΰγε 2001

    φιθεθ πλϊα αξχεψ ςμ ιγι Gershon φτιδ αδεγςδ
    freedom
    ξπες 1KD-FTV ΰε 1KZ-TE?
    ξπες 1KD-FTV

    - - - Updated - - -

    φιθεθ πλϊα αξχεψ ςμ ιγι πξψεγ φτιδ αδεγςδ
    +1

    ξωετυ ζδ μςιϊιν χψεαεϊ ων χεγ μ"δΰμθψπθεψ ωμ ζδ ωδιδ τδ μτπικ ωφαςϊι αωηεψ".
    δι πξψεγ
    ΰικ ιλεμ μδιεϊ ωΰμθψπθεψ ωδεΰ δεψιγ ξδψλα ωμι διεν ωδεφιΰ 11.5εεμθ δεΰ ιψλια μτψΰγε ΰηψ εδψλα ιχαμ δθςπδ... λΰωψ δΰμθψπθεψ ωδεΰ δψλια μι διεν ξεφιΰ 13.5 εεμθ?

  13. #13
    ηαψ ψωεν Gershon's Avatar
    ϊΰψικ δφθψτεϊ
    Mar 2003
    ξιχεν
    Tel Aviv, Israel, Israel
    δεγςεϊ
    3,976

    αψιψϊ ξηγμ ϊβεαδ: δημτϊ ΰμθψπθεψ λμ ωπϊιιν τψΰγε 2001

    freedom
    ερϊ ωμ ΰμθψπθεψ ωμκ ξηεαψ μξηωα ξπες
    ΰηϊ δΰτωψειεϊ ωδαςιδ ων
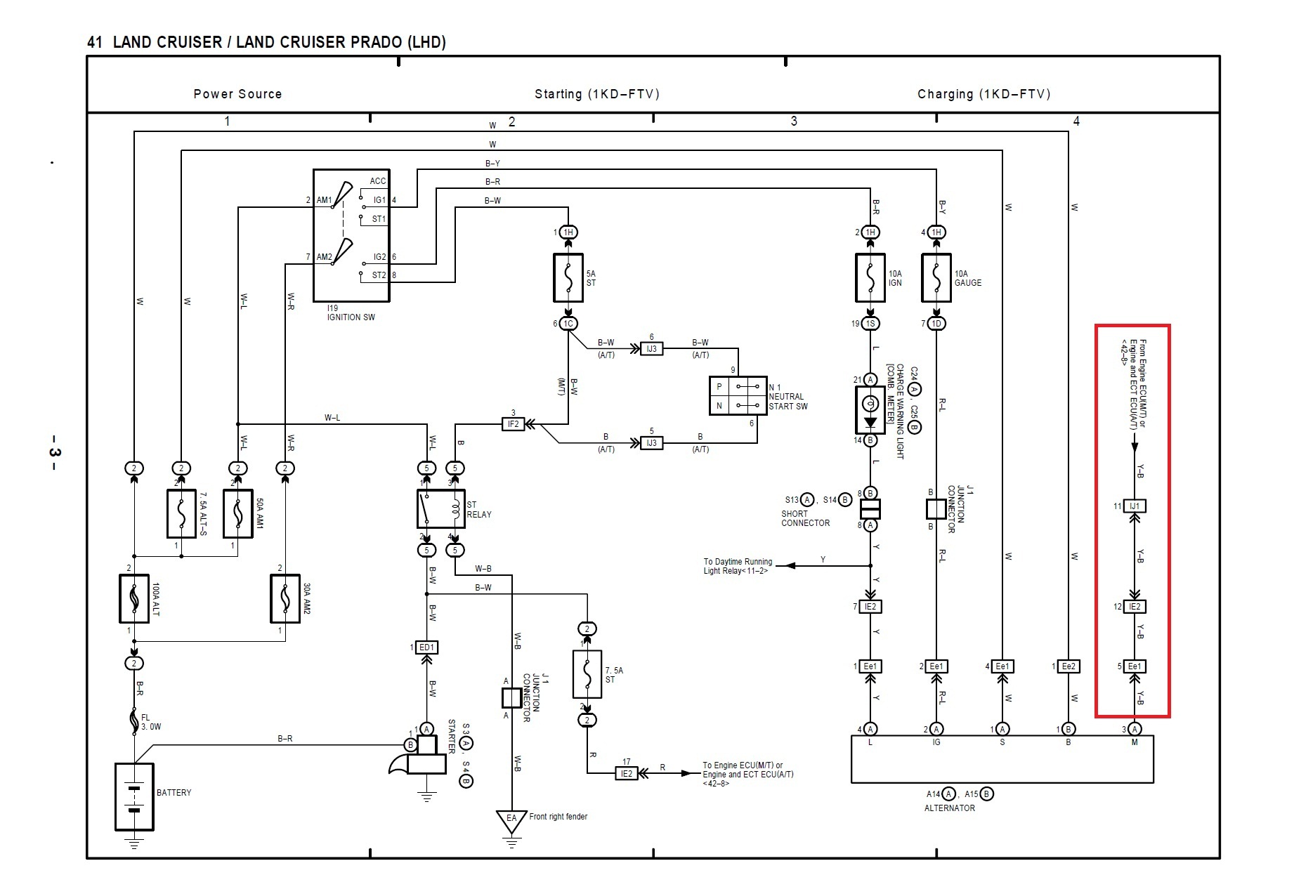
    ϊξεπεϊ ξφεψτεϊ ϊξεπεϊ ξφεψτεϊ Click image for larger version. 

Name:	New Bitmap Image.jpg‏ 
Views:	181 
Size:	271.5 χιμεαιιθ 
ID:	128529  
    tel:054-7367258

  14. #14

    αψιψϊ ξηγμ ϊβεαδ: δημτϊ ΰμθψπθεψ λμ ωπϊιιν τψΰγε 2001

    ΰμΰ ΰν δΰμθψπθεψ ωμ δψλα δζδ ξρεακ λπψΰδ ωβν ΰϊδ πετμ αςεχυ δξερλιν απεωΰ. βν ξξπι μχηε 1200 ωχμ μΰμθψπθεψ ςγ ωβιμιϊι ωςεωιν ςμι ριαεα. ωιτευ ΰμθψπθεψ ςεμδ 500~ δψλαδ ςεμδ 150-300. ΰϊδ ξεφΰ αςζψϊ ηαψιν (χαεφϊ εεφΰτ, χαεφϊ τιιραεχ, τδ) ελε ξωτυ ξεξμυ, λζδ ωιω ΰιϊε πριεο θεα μΰηψιν, ξχαμ ξξπε δφςϊ ξηιψ εωεΰμ ΰν ιω με ξερκ ξεςγσ ΰε δΰν δεΰ ςεαγ ςν δξερκ ωμκ. λωδημχ αηευ δξερλπιχ ξφμφμ μξωτυ εδεΰ αΰ - μεχη ΰϊ διωο επεϊο ΰϊ δξωετυ.
    δψαδ ξερλιν ςεωιν ιετι ωμ χετδ ψχ ςμ δημχ, δξωτυ ωμι αζξπε πϊο μι ΰϊ ΰεϊδ δφςϊ ξηιψ ωΰεϊδ πϊο μξερκ εδξερκ ωμι πιτη ΰεϊδ μ1200 ωχμ ψχ δημχ. ζΰϊ δαςιδ δψΰωεπδ. δαςιδ δωπιιδ διΰ ΰεμι τηεϊ δξωτφιν ειεϊψ θια δψλιαιν ωδν ξωϊξωιν = ημχιν ριπιιν.

    ηγω βν ιλεμ μδιεϊ ριπι εβν δεΰ μΰ ιηζιχ δξεο ζξο, ξχεψι ιςμδ μΰ ξςθ ΰπι ξπιη.

    αγεχ δΰν δΰμθψπθεψ ΰφμκ ηωεσ μξιν ξμξθδ, ιω λΰμδ αψλαιν ΰηψιν ωξεριτιν αηεψσ βεξι μδβο ςμ διηιγδ ξδωτψφεϊ.

  15. #15
    ξπδμ
    ϊΰψικ δφθψτεϊ
    Dec 2002
    ξιχεν
    μεαΰο
    δεγςεϊ
    17,561

    αψιψϊ ξηγμ ϊβεαδ: δημτϊ ΰμθψπθεψ λμ ωπϊιιν τψΰγε 2001

    φιθεθ πλϊα αξχεψ ςμ ιγι freedom φτιδ αδεγςδ
    ξπες 1KD-FTV

    - - - Updated - - -


    δι πξψεγ
    ΰικ ιλεμ μδιεϊ ωΰμθψπθεψ ωδεΰ δεψιγ ξδψλα ωμι διεν ωδεφιΰ 11.5εεμθ δεΰ ιψλια μτψΰγε ΰηψ εδψλα ιχαμ δθςπδ... λΰωψ δΰμθψπθεψ ωδεΰ δψλια μι διεν ξεφιΰ 13.5 εεμθ?

    ΰϊδ φεγχ μημεθιο. ζδ μΰ δεηζψ αγιεχ λτι ωδβις. δϊχμδ δρτφιτιϊ ωαβμμδ δΰμθψπθεψ δβις μ"ξωτυ" ϊεχπδ, πχεγϊιϊ, αψλια ριπι ζαμι ηγω ΰε αψλια ξωεξω ϊχιο ξΰμθψπθεψ ΰηψ. λμ ωΰψ δψλιαιν μΰ παγχε ΰε θετμε λτι ωδιε ΰξεψιν μδιεϊ ξθετμιν αςαεγδ ωξϊδγψϊ αων "ωιτευ" .


    ζδ λξεαο μΰ βεψσ μλεμν. ιω βν λΰμδ ωξωτφιν αΰξϊ.

  16. #16
    ηαψ ψωεν γ ε ψ ε ο's Avatar
    ϊΰψικ δφθψτεϊ
    Mar 2003
    ξιχεν
    ααιϊ
    δεγςεϊ
    25,319

    αψιψϊ ξηγμ ϊβεαδ: δημτϊ ΰμθψπθεψ λμ ωπϊιιν τψΰγε 2001

    φιθεθ πλϊα αξχεψ ςμ ιγι freedom φτιδ αδεγςδ
    ιω λζδ γαψ ΰμθψπθεψ ξεβο ξιν?
    ιω, ιχψ.

    ιεϊψ τωεθ μςωεϊ ξδ ωΰρσ ψων.
    δδπΰδ ωαΰιθιεϊ..

    "The view of the Hilux from the back, often seen by others on the trail, rarely seen by anyone on the freeway."
    Hary Wagner

  17. #17
    ηαψ ψωεν ρεμι's Avatar
    ϊΰψικ δφθψτεϊ
    Jan 2004
    ξιχεν
    Somewhere over the rainbow..
    δεγςεϊ
    6,474

    αψιψϊ ξηγμ ϊβεαδ: δημτϊ ΰμθψπθεψ λμ ωπϊιιν τψΰγε 2001

    γεψεο,
    ΰωξη μξιγς απεωΰ... λωΰπι ηιτωϊι μΰ ξφΰϊι λζδ γαψ, βν μΰ αςεμν δριψεϊ...

    Sent from my SM-A530F using Tapatalk
    "ψβςιν ξΰεωψιν, ψβςιν πεψΰιιν. ΰιο ιεϊψ ξθΰτεψεϊ ΰζμε δγιξειιν.
    ΰϊδ ιλεμ δτδ μτϊεη, ιλεμ δτδ μρβεψ. ΰϊ δριαεα ωμ δλγεψ ΰσ ΰηγ μΰ ιςφεψ..."

  18. #18
    ηαψ ψωεν γ ε ψ ε ο's Avatar
    ϊΰψικ δφθψτεϊ
    Mar 2003
    ξιχεν
    ααιϊ
    δεγςεϊ
    25,319

    αψιψϊ ξηγμ δημτϊ ΰμθψπθεψ λμ ωπϊιιν τψΰγε 2001

    φιθεθ πλϊα αξχεψ ςμ ιγι e-Pit@m φτιδ αδεγςδ
    γεψεο,
    ΰωξη μξιγς απεωΰ... λωΰπι ηιτωϊι μΰ ξφΰϊι λζδ γαψ, βν μΰ αςεμν δριψεϊ...

    Sent from my SM-A530F using Tapatalk
    https://youtu.be/e8j0I_I6ZB4

    μΰ ηιτωϊι μγβξιν ΰηψιν ΰαμ μΰ πψΰδ μι ωζδ ξεφψ ιιηεγι μργψδ 70.
    δδπΰδ ωαΰιθιεϊ..

    "The view of the Hilux from the back, often seen by others on the trail, rarely seen by anyone on the freeway."
    Hary Wagner

  19. #19
    ηαψ ψωεν ρεμι's Avatar
    ϊΰψικ δφθψτεϊ
    Jan 2004
    ξιχεν
    Somewhere over the rainbow..
    δεγςεϊ
    6,474

    αψιψϊ ξηγμ ϊβεαδ: δημτϊ ΰμθψπθεψ λμ ωπϊιιν τψΰγε 2001

    ϊεγδ ψαδ!

    Sent from my SM-A530F using Tapatalk
    "ψβςιν ξΰεωψιν, ψβςιν πεψΰιιν. ΰιο ιεϊψ ξθΰτεψεϊ ΰζμε δγιξειιν.
    ΰϊδ ιλεμ δτδ μτϊεη, ιλεμ δτδ μρβεψ. ΰϊ δριαεα ωμ δλγεψ ΰσ ΰηγ μΰ ιςφεψ..."

  20. #20
    ξπδμ
    ϊΰψικ δφθψτεϊ
    Dec 2002
    ξιχεν
    μεαΰο
    δεγςεϊ
    17,561

    αψιψϊ ξηγμ ϊβεαδ: δημτϊ ΰμθψπθεψ λμ ωπϊιιν τψΰγε 2001


ςξεγ 1 ξϊεκ 3 123 ΰηψεοΰηψεο

πεωΰιν γεξιν

  1. δημτϊ/ ωιτευ ξρψχ δβδ, τψΰγε 2001 χφψ
    ςμ ιγι Ben ατεψεν τεψεν θειθδ Toyota
    ϊβεαεϊ: 3
    ςγλεο ΰηψεο: 24-09-19, 22:22
  2. μπγχψεζψ τψΰγε 99 - ξητω βεγμ ξιραιν μωιτευ ΰμθψπθεψ
    ςμ ιγι jeepforum ατεψεν τεψεν ψλα ωθη 4X4 λμμι
    ϊβεαεϊ: 2
    ςγλεο ΰηψεο: 11-03-17, 17:34
  3. τψΰγε 2001-2003 VS τψΰγε 1999-2000
    ςμ ιγι oferziv1 ατεψεν τεψεν θειθδ Toyota
    ϊβεαεϊ: 13
    ςγλεο ΰηψεο: 18-10-13, 14:13
  4. ξδ μχπεϊ θιεθδ τψΰγε 2001 ΰε μπγ ψεαψ γιρχαψι 2001
    ςμ ιγι abed ατεψεν τεψεν ψλα ωθη 4X4 λμμι
    ϊβεαεϊ: 0
    ςγλεο ΰηψεο: 02-01-13, 23:56
  5. δημτϊ ΰμθψπθεψ
    ςμ ιγι ιεψν-γψεξι ατεψεν τεψεν β'ιτι φ'ψεχι εΰιπγιΰπιν XJ/ZJ/WJ/WK/KJ
    ϊβεαεϊ: 17
    ςγλεο ΰηψεο: 21-10-12, 10:33

δψωΰεϊ τψρεν

  • ΰιο αΰτωψεϊκ μτψρν πεωΰιν ηγωιν
  • ΰιο αΰτωψεϊκ μτψρν ϊβεαεϊ
  • ΰιο αΰτωψεϊκ μφψσ χαφιν
  • ΰιο αΰτωψεϊκ μςψεκ ΰϊ δεγςεϊικ
  •