πωξς λξε ηιιωο γεεωδ.
ΰπι ξπιη ωδεΰ ςν edc?
ηαψ ςν γιρχε 1 ωπϊ 98 γιζμ.
πεψϊ φ'χ ΰπβ'ο ξδαδαϊ εξεψβωϊ αςιιϊ ρηιαδ.
ξηωα δεφιΰ ΰϊ δδεγςδ δαΰδ:
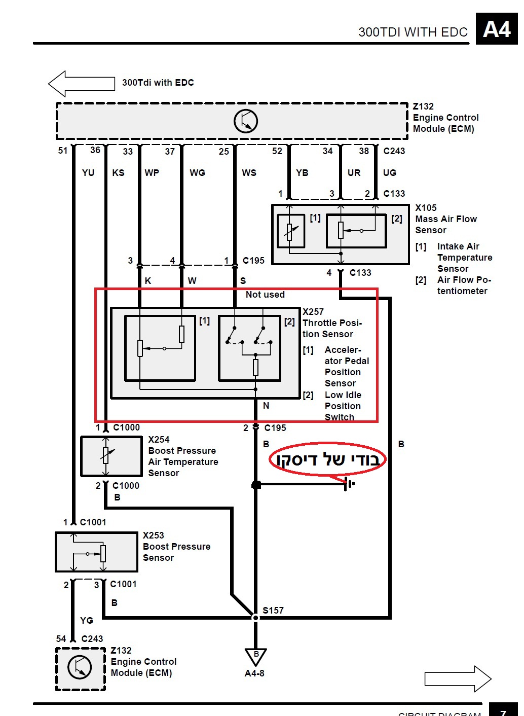
Accelerator potentiomer (fault code stored when:
1:accel pot voltage out of range due to o/c os s/c in wires or sensor.
2:Illogical values whilst comparing throttle pot idle switch and throttle pot position.
ψςιεπεϊ?
![]()
πωξς λξε ηιιωο γεεωδ.
ΰπι ξπιη ωδεΰ ςν edc?
λκ ζδ πψΰδ αϊψωιν
tel:054-7367258
tel:054-7367258
λξε ωδαθηϊι, ρεβψ ΰϊ δτιπδ:
ξγεεωϊ δϊΰεφδ ιεφΰϊ φξδ γψκ δχιψ ΰω μλιεεο δξβαψ αμν εξϊηαψϊ ςν ξηαψ μαο 4 τιπιν ωξξωικ μλιεεο δξηωα.
μτι δΰαηπδ ωμ βψωεο, λπψΰδ ξγεαψ ααςιιϊ ξιπερ. δδφςδ ωμε διϊδ μΰϊψ ΰϊ δηεθ δωηεψ, μηωεσ ΰεϊε (μΰ μηϊεκ!) εμηαψ μαεγι.
ΰιϊψϊι ΰϊ δηεθ εβιμιϊι ωδϊψβιμ δζδ λαψ πςωδ αςαψ, ΰαμ δΰιζεμιψαπγ δωϊηψψ ελλμ δπψΰδ παπϊδ χεψεζιδ.
θιτεμ ωαεφς: δερψ δΰιζε διωο, πηωτδ πηεωϊ ηγωδ αλαμ, ηιαεψ ηγω, ρβιψδ ςν ΰιζε ηγω+δγαχδ αηεν.
μιϊψ αθηεο τϊηϊι βν ΰϊ δξηαψ, δϊζϊι ρτψιι ξβςιν εΰη"λ ρτψι πΰπετψεθχ.
πλεο μςλωιε δαςιδ μΰ ηζψδ.
ϊεγδ βψωεο!
Sent from my ONEPLUS A5000 using Tapatalk
ϊεγδ μβψωεο - εϊεγδ μςξιϊ (εΰηψιν) ωςεζψιν μβψωεο μςζεψ μλεμπε μξψεϊ ξβαμεϊ δωτδ.
ΰιεπιχ 5 | β'ιτ CJ-7 1979 | διιμχρ 2015
διε: β'ιτ XJ φ'ψεχι 1994| διιμχρ 2008| διιμχρ 1997 | β'ιτ CJ-8 1989 | ρξεψΰι 1988
ΰιο βιωδ μδμηιν?
RAM 3500 on "35
δαςιδ δζΰϊ(ξιπερ ωμ IDLE SWITCH) ςγ ωπϊ ρεσ ιιφεψ ωμ TDI 300 EDC διιϊδ ρεγιϊ.....
tel:054-7367258
ιω ξμην ωπιϊο μδτςιμ γψκ USB (ξρεμμϊ βιαει μγεβξΰ)
μΰ διιϊι ξμηιν ΰιϊε ξαηιψδ ΰαμ λωπϊχςιν δεΰ ςεωδ ΰϊ δςαεγδ. ξξμιυ ωιδιδ λζδ αΰψβζ δλμιν.
Sent from my iPhone using Tapatalk
ιω δξμηιξιν ςν ξφϊ μδθ. λωΰιο αψιψδ....
ΰρσ.
Sent from my Redmi 4X using Tapatalk
"scars are tattoos with better stories"
ΰιο ϊλπιϊ. ηιιν. πχεγδ.
δχξτψ - VW TYPE 2 1978 | δθπγψ - διιμχρ 2008
ωξψε ςμ χωψ