Close
оцйв ъецаеъ 1 тг 9 оъек 9
  1. #1

    бшйшъ озгм (ртшк) фшаге 2001 - бтййд бртймъ гйфшрцйам

    тшб иеб збшйн
    йщ мй бтйд бртймъ гйфшрцйам азешй, ма рртм еайп зйеей бмез щтерйн. мфрй дъчмд дазшерд бжоп дфтмъ дртймд дйд зйеей одбдб щмлаешд дбръй щжд отйг тм ъчмд. дътсчъй айъе оти етлщйе вн зйеей айп мй бмез дщтерйн.
    тщйъй рйсйеп езйбшъй зщом морет баефп йщйш еаж дййъд мй ртймд ейщ зйеей бмез щтерйн елащш ръъй зщом брчегъ дщзшеш жд дщъзшш ерешеъ дзйеей лбе млп арй зещб щогебш б "шмйй" абм ма оцмйз моцеа дйлп щое аеън.
    ащоз оаег ан ойщде йлем млееп аеъй дйлп роцайн д"шмйй" щм ртймъ гйфшрцйам азешй бфшаге чцш 2001.

    ъегд ошащ

  2. #2

    бшйшъ озгм ъвебд: (ртшк) фшаге 2001 - бтййд бртймъ гйфшрцйам

    ойщде, ощде?

  3. #3
    збш шщен raanan's Avatar
    ъашйк дцишфеъ
    May 2005
    ойчен
    бееагй ...
    дегтеъ
    6,751

    бшйшъ озгм ъвебд: (ртшк) фшаге 2001 - бтййд бртймъ гйфшрцйам

    цйиеи рлъб бочеш тм йгй [email protected] цфйд бдегтд
    ойщде, ощде?
    маеш жд щаъд обцт дфтмеъ йщйшеъ т"й джшчъ оъзйн,
    арй орйз щйщ бшщеък щшиеи щм дотшлъ, йгт ейлемъ абзеп еайъеш ъчмеъ.
    ан лк, лршад щма релм мъшен дшбд ошзеч.

    ан ма лк, лмеош арй иетд бдрзеъ дйсег щмтйм,
    аж тгйу щъфрд мбтм очцет мабзеп очцетй тм оръ ма мййцш ржч мотшлъ (бдрзд щма рвшн лбш).

    бдцмзд
    штрп

  4. #4

    бшйшъ озгм ъвебд: (ртшк) фшаге 2001 - бтййд бртймъ гйфшрцйам

    цйиеи рлъб бочеш тм йгй [email protected] цфйд бдегтд
    тшб иеб збшйн
    йщ мй бтйд бртймъ гйфшрцйам азешй, ма рртм еайп зйеей бмез щтерйн. мфрй дъчмд дазшерд бжоп дфтмъ дртймд дйд зйеей одбдб щмлаешд дбръй щжд отйг тм ъчмд. дътсчъй айъе оти етлщйе вн зйеей айп мй бмез дщтерйн.
    тщйъй рйсйеп езйбшъй зщом морет баефп йщйш еаж дййъд мй ртймд ейщ зйеей бмез щтерйн елащш ръъй зщом брчегъ дщзшеш жд дщъзшш ерешеъ дзйеей лбе млп арй зещб щогебш б "шмйй" абм ма оцмйз моцеа дйлп щое аеън.
    ащоз оаег ан ойщде йлем млееп аеъй дйлп роцайн д"шмйй" щм ртймъ гйфшрцйам азешй бфшаге чцш 2001.

    ъегд ошащ
    злд бсбмреъ мъвебд щм дзбш Tooshey. деа рлрс фтн блод йойн.
    айерйч 5 | в'йф CJ-7 1979 | дйймчс 2015
    дйе: в'йф XJ ц'шечй 1994| дйймчс 2008| дйймчс 1997 | в'йф CJ-8 1989 | соешай 1988

  5. #5
    збш шщен г е ш е п's Avatar
    ъашйк дцишфеъ
    Mar 2003
    ойчен
    ббйъ
    дегтеъ
    25,315

    бшйшъ озгм (ртшк) фшаге 2001 - бтййд бртймъ гйфшрцйам

    цйиеи рлъб бочеш тм йгй [email protected] цфйд бдегтд
    тщйъй рйсйеп езйбшъй зщом морет баефп йщйш
    очеед бщбймк щма рвшн ржч.

    дшбд од мтщеъ, длм лбш лъеб бфешен, цшйк шч мзфщ.
    гбш азг ам ътщд, бщен аефп ма мъъ оъз йщйш мзеийн щм дорет ртймд.
    же дгшк додйшд мщшеу орет ъчйп.
    ббшлд,иещй
    ддрад щбайийеъ..

    "The view of the Hilux from the back, often seen by others on the trail, rarely seen by anyone on the freeway."
    Hary Wagner

  6. #6

    бшйшъ озгм ъвебд: (ртшк) фшаге 2001 - бтййд бртймъ гйфшрцйам

    шащйъ ъегд мовйбйн,
    штрп йгйгй ан дйд мй щшиеи щм дотшлъ ма дййъй щеам дйлп роцайн д "шмйй". арй ма оцмйз мдщйв щшиеи/сфш шлб млп зщбъй щан йщ мойщде аелм мдйтжш бе.
    ъегд тм дтцд щма мъъ зйбеш йщйш морет, аъ жд ма йгтъй еалп очеед щма вшоъй ржч морет. жаъ аелм мгтъ шч азшй щаоца аъ д"шмйй" еазмйу аеън.
    блем очшд ащоз мчбм щшиеи дйлп роцайн д "шмйй" оой щйщ ейлем мдтбйш.

    ъегд ошащ

  7. #7
    збш шщен
    ъашйк дцишфеъ
    Jan 2005
    ойчен
    фд ещн
    дегтеъ
    2,881

    бшйшъ озгм ъвебд: (ртшк) фшаге 2001 - бтййд бртймъ гйфшрцйам

    ртймъ дгйфшрцйам дзщомйъ бфшаге (евн бдймчс тг 2014) оефтмъ т"й йзйгъ бчшд , ма сън "шймйй", егешщъ осфш дърйеъ лгй щорет дртймд йчбм фчегд мтбег.
    дърййъ щймеб дишрсфш м LLC.
    (гйф' ошлжй ртем, йзс роек.)
    дърййъ одйшеъ озййщп одйшеъ ефчегд одлфъеш тцое.
    дбтйеъ бг"л дп ръч бцод щйешгъ одщмгд морет ртймд , аз"л бтййъ зйеей одзййщрйн бишрсфш , ембсеу бтйд борет ртймд тцое.
    гееча доез щм дртймд бг"л ма тещд бтйеъ ама ан ойщде ръп ме оъз йщйш ещшу аеъе, ае бтйеъ чешежйд бвмм мзеъ.

    ан аъд шецд мдощйк мдътсч бтцок шцей щъоца щшиеи зщомй щм отшлъ дртймд еъбгеч шлйб шлйб.
    ан аъд шецд мфъеш аъ дбтйд одш, ъфрд моеозд мртймеъ зщомйеъ , айъй
    054-7800502.

    ббшлд,иещй
    ордм "доеск щм оййч" - оеск оешщд богшщъ бп вешйеп.
    оъчп иейеиеъ жчреъ. 0544517924

  8. #8
    збш шщен Gershon's Avatar
    ъашйк дцишфеъ
    Mar 2003
    ойчен
    Tel Aviv, Israel, Israel
    дегтеъ
    3,976

    бшйшъ озгм ъвебд: (ртшк) фшаге 2001 - бтййд бртймъ гйфшрцйам

    цйиеи рлъб бочеш тм йгй [email protected] цфйд бдегтд
    ойщде, ощде?
    ъшщйн бъоереъ
    йщ мбгеч дотшлъ джаъ гшк озщб бгйчд мма гйбешй сшч ебмбемй оез.....
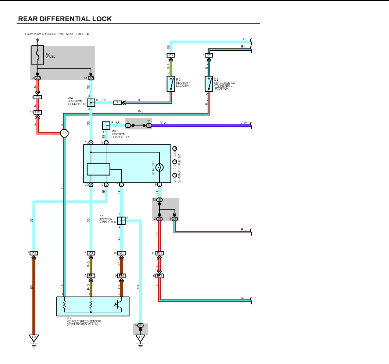
    ъоереъ оцешфеъ ъоереъ оцешфеъ Click image for larger version. 

Name:	REAR DIFF LOCK.jpg‏ 
Views:	72 
Size:	136.9 чймебййи 
ID:	133208   Click image for larger version. 

Name:	REAR DIFF LOCK1.jpg‏ 
Views:	64 
Size:	307.5 чймебййи 
ID:	133209  
    tel:054-7367258

  9. #9

    бшйшъ озгм ъвебд: (ртшк) фшаге 2001 - бтййд бртймъ гйфшрцйам

    ъегд шбд збшйн, отшйк оаег.

рещайн геойн

  1. ртймъ гйфшрцйам азешй дариш
    тм йгй amitaikl бфешен фешен ойцебйщй Mitsubishi
    ъвебеъ: 19
    тглеп азшеп: 06-07-21, 11:44
  2. ртймъ гйфшрцйам азешй бв'йорй згщ
    тм йгй вешй вшесоп бфешен фешен сежечй Suzuki
    ъвебеъ: 32
    тглеп азшеп: 20-12-16, 20:47
  3. ртймъ гйфшрцйам-чйгой ае азешй
    тм йгй вешй вшесоп бфешен фешен сежечй Suzuki
    ъвебеъ: 11
    тглеп азшеп: 24-11-16, 14:57
  4. ртймъ гйфшрцйам азешй фшаге 99
    тм йгй oliel77 бфешен фешен иейид Toyota
    ъвебеъ: 3
    тглеп азшеп: 19-10-12, 10:31
  5. powertrax ртймъ гйфшрцйам азешй грд 44
    тм йгй им бфешен мез доегтеъ щм в'йфемев
    ъвебеъ: 0
    тглеп азшеп: 04-09-05, 10:56

дшщаеъ фшсен

  • айп бафщшеък мфшсн рещайн згщйн
  • айп бафщшеък мфшсн ъвебеъ
  • айп бафщшеък мцшу чбцйн
  • айп бафщшеък мтшек аъ дегтеъйк
  •