Close
тоег 1 оъек 7 1234 ... азшепазшеп
оцйв ъецаеъ 1 тг 20 оъек 122
  1. #1
    ордм аореп's Avatar
    ъашйк дцишфеъ
    Mar 2004
    ойчен
    ъзъ цм тмй бррд
    дегтеъ
    1,747

    бшйшъ озгм щйфех от' дзщом б-CJ

    азшй дбтйеъ мчшаъ диси (щтбшъй бдцмзд), доцб деа лжд:





    дгщ фешч, еарй оълееп мдъзйм бщйфех (змчй ае ома, лшвт лршад змчй).

    оайфд арй оъзйм? айк арй тещд жаъ бгйеч?
    дслйод дзщомйъ щйщ мй лшвт дйа же доефйтд бсфш дшлб дцбай, еарй йегт щддъаод м-CJ дажшзй ма омад. ойщде йлем мтжеш тн слйоеъ оъайоеъ, чцъ йеъш оегшрйеъ, лемм цбтй зеийн еле'?
    ийфйн мдбрд чмд щм дслйод?

    лмй дтбегд едабйжшйн дтеогйн мшщеъй:

    - омзн Weller + бгйм
    - бмаееш (ачгз зен)
    - щшйрчйн
    - зеийн бвгмйн ецбтйн щерйн
    - сефйеъ мечас жлш/рчбд едврд ъеаоъ
    - сефйеъ щереъ (твемеъ, ожмв, ъчйтеъ жлш ерчбд)
    - шб оегг фмеч 77


    аегд млм тжшд щъбеа.


    аореп.
    Jeep CJ8 ашек, цойвй 33' MT, ртем чгйод-азешд, габмш UnderDrive, дйгшебеси, оеиечшафи едцъъ TFI. рбрд озгщ.
    Honda XL250 щръ 1974, даефрет дшащеп.



  2. #2
    збш шщен мбйа's Avatar
    ъашйк дцишфеъ
    Jan 2004
    ойчен
    щфмд
    дегтеъ
    2,126

    бшйшъ озгм зежш: щйфех от' дзщом б-CJ

    йщ мй аъ дсфш щм дййрс ан жд тежш.

  3. #3
    ордм аореп's Avatar
    ъашйк дцишфеъ
    Mar 2004
    ойчен
    ъзъ цм тмй бррд
    дегтеъ
    1,747

    бшйшъ озгм зежш: щйфех от' дзщом б-CJ

    ъегд, абм айп цешк.


    азшй зйфещ чцш оцаъй аъ дслйоеъ даме мфй мйрч щм ащш. (http://www.autozone.com/az/cds/en_us...rInfoPages.htm)
    одн ддбгмйн бйп дслйод дже мбйп дот' бфетм б-CJ йщшамй (щръ 88 ан жд ощрд)?

    йщ вн аъ дмйрчйн доцеййрйн дбайн:
    http://users.adelphia.net/~john.stre...QuickFacts.htm
    http://www.geocities.com/cantwait_fo...ce/gauges.html
    арй аъзйм мтбег тм дщтерйн бъеш дъзмд.
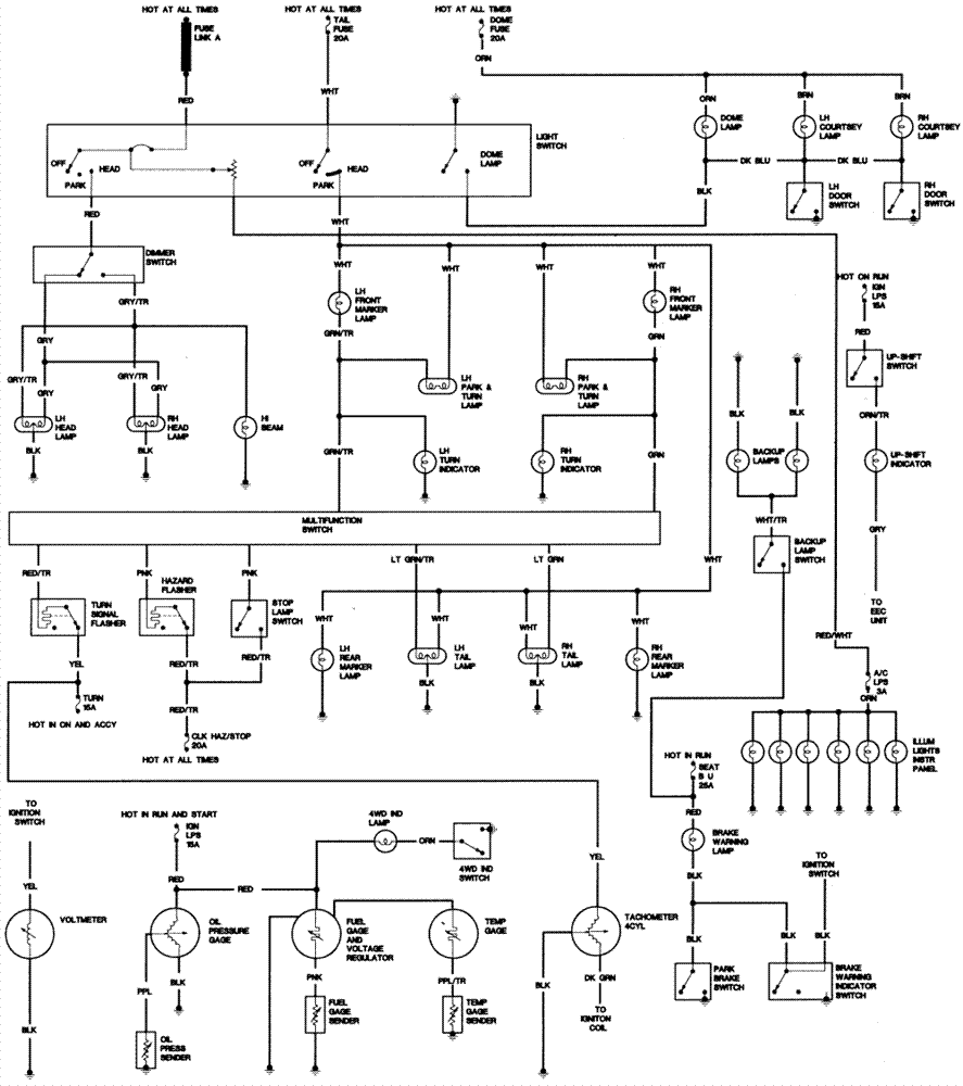
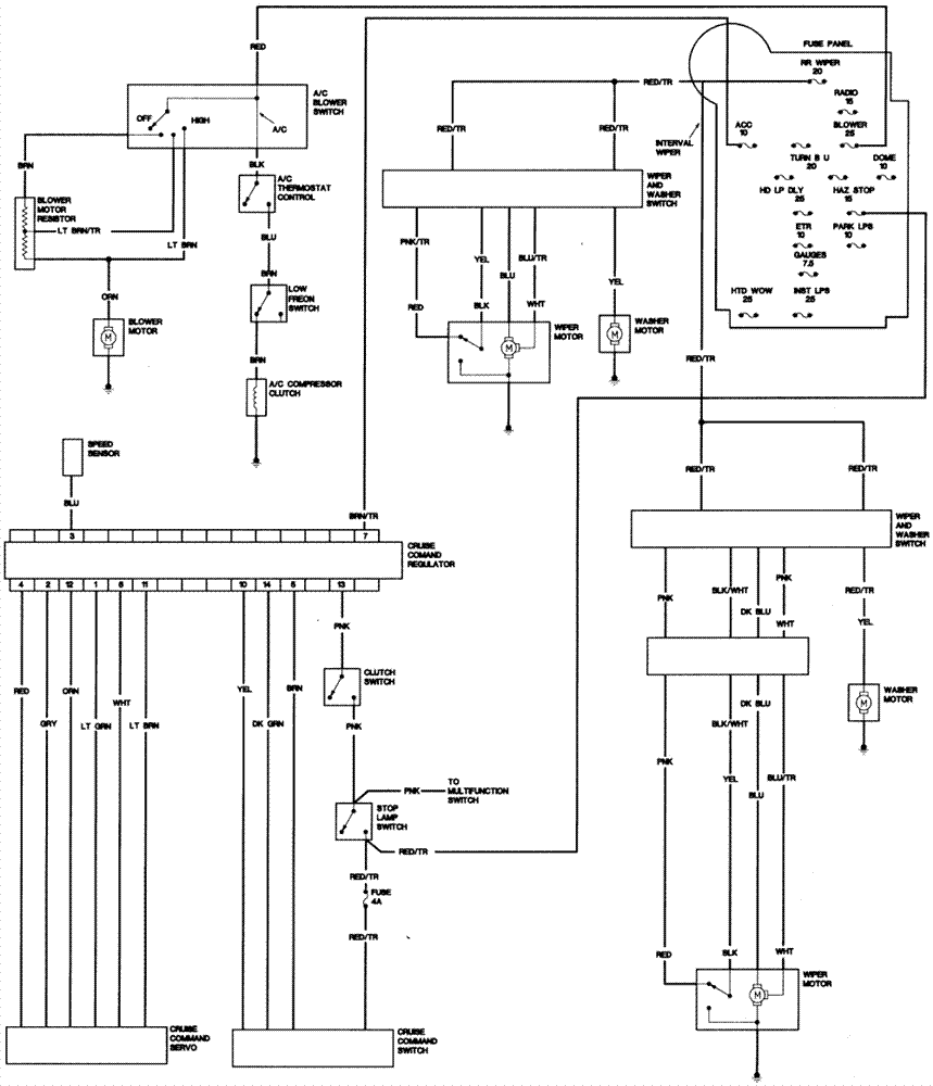
    ъоереъ оцешфеъ ъоереъ оцешфеъ Click image for larger version. 

Name:	1986 Jeep CJ and Scrambler 6 cylinder engine, wiring schematic  P1.gif‏ 
Views:	1510 
Size:	58.3 чймебййи 
ID:	6696   Click image for larger version. 

Name:	1986 Jeep CJ and Scrambler 6 cylinder engine, wiring schematic  P2.gif‏ 
Views:	298 
Size:	44.9 чймебййи 
ID:	6697   Click image for larger version. 

Name:	1986 Jeep CJ and Scrambler 6 cylinder engine, wiring schematic  P3.gif‏ 
Views:	300 
Size:	50.2 чймебййи 
ID:	6698  
    ртшк мазшерд тм йгй аореп; 09-11-07 бщтд 01:04.
    Jeep CJ8 ашек, цойвй 33' MT, ртем чгйод-азешд, габмш UnderDrive, дйгшебеси, оеиечшафи едцъъ TFI. рбрд озгщ.
    Honda XL250 щръ 1974, даефрет дшащеп.



  4. #4
    айк щма ъдфек аъ жд ...

  5. #5
    збш шщен lizard's Avatar
    ъашйк дцишфеъ
    Jan 2005
    ойчен
    лфш ишеоп
    дегтеъ
    11,715

    бшйшъ озгм зежш: щйфех от' дзщом б-CJ

    ан жд йлем мтрййп аеък, йщ мй слоеъ цбтерйеъ щм дцод щдшлбъй тм дв'йф щмй щдйа щм EAZYWIRE. жаъ цоъ GM в'аршйъ. дъайод лоти 1:1 мсйчс, дщйреййн дйзйгйн дйе бцоъ дорет еоазш ейщ мй офмв GM аж вн щн ма дшбд.

    ойлд

  6. #6

    бшйшъ озгм зежш: щйфех от' дзщом б-CJ

    тн зщом ма ощзчйн ебойезг ма зеббйн чцш чип йлем мвшен мдъмчзеъ двйф
    емаебгп оезми млп домцъй ъп мбтмй ойчцет мъчп лк ъелм мщшййп мк азшйеъ очцетйъ
    ещчи рфщй

  7. #7
    збш шщен coas's Avatar
    ъашйк дцишфеъ
    Aug 2003
    ойчен
    йшещмйн
    дегтеъ
    1,447

    бшйшъ озгм зежш: щйфех от' дзщом б-CJ

    цйиеи рлъб бочеш тм йгй eliyoval
    тн зщом ма ощзчйн ебойезг ма зеббйн чцш чип йлем мвшен мдъмчзеъ двйф
    емаебгп оезми млп домцъй ъп мбтмй ойчцет мъчп лк ъелм мщшййп мк азшйеъ очцетйъ
    ещчи рфщй
    цод щм CJ дйа одфщеиеъ щйщрп, афщш мбреъ аеъп оафс тн чцъ дщчтд едъточеъ бщшиеийн. айп щен сйбд мбжбж 1K щ"з мфзеъ ацм зщомай.

    лое щжд ршад лшвт, вн цоъ орет щм сефд/ц'йшечй дйа ма сйфеш оешлб бойезг.

    отбш млк, мщн лк чййн дфешен джд, лгйй мсййт бтбегд тцойъ. бшеб дочшйн дъецад ъдйд иебд йеъш отбегд щм зщомай шлб огефмн (зйбешй зеийн бмйфеу бмбг ещйоещ байжемйшбрг..).

    аореп, шеб дтбегд щмк дйа ма мдемйк зеийн озгщ мап щайп, амд мдешйг зеийн ойеъшйн емзбш бцешд иебд йеъш зйбешйн чййойн, масеу зеийн бйзг мцод осегшъ емрчеъ овтйн.

  8. #8
    збш шщен tzagi's Avatar
    ъашйк дцишфеъ
    Jul 2005
    ойчен
    Granada Hills CA
    дегтеъ
    6,704

    бшйшъ озгм зежш: щйфех от' дзщом б-CJ

    цйиеи рлъб бочеш тм йгй eliyoval
    тн зщом ма ощзчйн ебойезг ма зеббйн чцш чип йлем мвшен мдъмчзеъ двйф
    емаебгп оезми млп домцъй ъп мбтмй ойчцет мъчп лк ъелм мщшййп мк азшйеъ очцетйъ
    ещчи рфщй

    агеп амй,
    чша ббчщд аъ дщшщеш дба
    http://www.jeepolog.com/forums/showt...9&page=1&pp=20

    ъвйг мй ббчщд: ой вешн мйеъш ржчйн, бтм дшлб дзеббп, щалфъ ме одшлб щме ае дзщомай (дйщшамй)дойчцетп дооецт...

    ег"а
    зщом шлб жд ма илремевйд аиеойъ, агн ооецт щосевм мчшеа слйоеъ ечцъ двйеп осевм мъчп лоти лем бтйд мбг.

  9. #9
    збш шщен lizard's Avatar
    ъашйк дцишфеъ
    Jan 2005
    ойчен
    лфш ишеоп
    дегтеъ
    11,715

    бшйшъ озгм зежш: щйфех от' дзщом б-CJ

    цйиеи рлъб бочеш тм йгй eliyoval
    тн зщом ма ощзчйн ебойезг ма зеббйн.... домцъй ъп мбтмй ойчцет мъчп лк ъелм мщшййп мк азшйеъ очцетйъ
    ещчи рфщй
    айжд чйщчещ оезми.
    азшйеъ очцетйъ, ре баоъ ббчщд мтщд иебд еъфсйч мбмбм аъ доез. дсйбд щшеб дцоеъ бв'йфйн даме щзеиеъ дп бвмм зщомайн щма алфъ мдн мтеъ тбегд иебд ама шч мвоеш аъ дтбегд емчбм лсу.
    рлеп щмшеб мзебб йчз йеъш жоп ммоег аъ дреща абм дъецад, биз ебиз ацм аореп, ъдйд мгтъй отемд фй лод елод оащш лм зщомай.

    аъд оежоп мшаеъ аъ дцод щCOAS брд мй, збм мк тм джоп. цод лже ацм зщомай, ма щбзййн дййъй реъп мзщомай ае лм олерай азш мвтъ мй бшлб, дййъд темд лод амфй щчмйн.

  10. #10
    збш шщен amir2cv's Avatar
    ъашйк дцишфеъ
    Jan 2005
    ойчен
    дшй йшещмйн
    дегтеъ
    288

    бшйшъ озгм зежш: щйфех от' дзщом б-CJ

    тжеб, ам ъчщйб мдн.
    дн ма обйрйн лмен (бойезг ма мйшещмой емчаебей щбичсс)
    :-)

    ъщот мй - длй иеб бтм очцет (лй азшй щщймоъ, шайъ аъ дтбегд дозешбръ щчйбмъ, аъд обйп щжд щиеъ, йещб мъчп мбг аъ држчйн щтщд мк бв'йф - емеог...)

  11. #11

    бшйшъ озгм зежш: щйфех от' дзщом б-CJ

    лемлн цегчйн йщ зеббйн щйцмйзе мтщеъ зщомаеъ шлб иебд дшбд йеъш олм зщомай ейщзщомайн щма офбшчйн тбегд еаеън цшйк млбг емдечйш емфшсон бйрйре щой щйшцд йелм мвщъ аймйе ема шч ан двйф амд вн ан дфшййби.

  12. #12
    збш шщен UNIX's Avatar
    ъашйк дцишфеъ
    Jan 2003
    ойчен
    чшйъ аере
    дегтеъ
    3,692

    бшйшъ озгм зежш: щйфех от' дзщом б-CJ

    аореп жд ма осебк
    а. офшч гщбешг
    б. оръч аъ лм дчерчиешйн еоцойг млм черчиеш огбчд щосфшъ мк од жд дчерчиеш джд
    в.оръч очйш дащ еоъзйм м"рчеъ "
    оецйа аъ лм од щма озебш млмен
    г.орчд аъ дцод одабч еберд аеъд озгщ .
    йаммд шех мтбег

  13. #13
    ордм аореп's Avatar
    ъашйк дцишфеъ
    Mar 2004
    ойчен
    ъзъ цм тмй бррд
    дегтеъ
    1,747

    бшйшъ озгм зежш: щйфех от' дзщом б-CJ

    бйръййн оъчгн бсгш воеш, маи ак биез.
    айк арй офшч аъ бйъ дфйежйн очйш дащ? децаъй аъ жев бшвй диешчс, абм ма бшеш мй айк дчмйфсйн щм лм цг аоешйн мцаъ блгй щйдйд афщш мдфшйг аъ дцг щм дчбйрд одцг щм ъа дорет, емщмеу аъ дтсч дзецд.
    Jeep CJ8 ашек, цойвй 33' MT, ртем чгйод-азешд, габмш UnderDrive, дйгшебеси, оеиечшафи едцъъ TFI. рбрд озгщ.
    Honda XL250 щръ 1974, даефрет дшащеп.



  14. #14
    збш шщен lizard's Avatar
    ъашйк дцишфеъ
    Jan 2005
    ойчен
    лфш ишеоп
    дегтеъ
    11,715

    бшйшъ озгм зежш: щйфех от' дзщом б-CJ

    рлеп щайп мй йн щм рсйеп тм дцод дже, абм йца мй мфшч лод.
    арй зещб щаемй гееча аъ жд ъщайш бочен. йщ сйлей щзйбеш бзжшд йфвте озбшйн.

    блм очшд, аъд оежоп мбеа мшаеъ ан йщ мцоеъ щбшщеъй йщ од мъшен мк.

  15. #15

    бшйшъ озгм зежш: щйфех от' дзщом б-CJ

    айп мй оещв тн айжд зщомайн аън тебгйн йщ ейщ.................
    аеошйн щой щрлбд бшеъзйп йждш оцеррйп
    ак гте млн щдлем жд шч гйтеъ айщйеъ щмлн арй олйш зщомайн бзсг тмйеп
    айп мтщеъ длммеъ
    жд бгйеч лое меош лм дшесйеъ же............ъ дан дфъвн рлеп?
    млп арй ба еаеош щтгййп йщ бтмй ойчцет богйръре дчирд
    дщамд дан йщ мчезеъ щшецйн мщмн тм тбегд аойъйъ?
    еъзщбе тм жд ббйъ................................ 8) 8) 8) 8) 8) 8) 8) 8) 8)

  16. #16
    збш шщен UNIX's Avatar
    ъашйк дцишфеъ
    Jan 2003
    ойчен
    чшйъ аере
    дегтеъ
    3,692

    бшйшъ озгм зежш: щйфех от' дзщом б-CJ

    йщ бешв ошлжй ан арй желш рлеп
    ъсълм бъа дорет
    блм аефп оеомх оаег мфшч аъ жд дзецд емрчеъ иеб иеб аъ довтйн
    ацмй вн децаъй дшбд фйрйн щма щойщйн
    лое лм дзеийн щм отшлъ ддцъд дйщрд елге'

  17. #17
    ордм аореп's Avatar
    ъашйк дцишфеъ
    Mar 2004
    ойчен
    ъзъ цм тмй бррд
    дегтеъ
    1,747

    бшйшъ озгм зежш: щйфех от' дзщом б-CJ

    айк мтжжам арй орчд аъ довтйн омай дв'йфд дамд?

    йщ сфшйй ойезг ае ощде геод? сфшйй чшбешиеш/WD40 ае ощде бййъй геод йтжеш лап?

    оцшу ъоереъ.
    ъоереъ оцешфеъ ъоереъ оцешфеъ Click image for larger version. 

Name:	DSCN8630 (Large).JPG‏ 
Views:	399 
Size:	131.7 чймебййи 
ID:	6713   Click image for larger version. 

Name:	DSCN8641 (Large).JPG‏ 
Views:	354 
Size:	77.4 чймебййи 
ID:	6714   Click image for larger version. 

Name:	DSCN8637 (Large).JPG‏ 
Views:	349 
Size:	144.5 чймебййи 
ID:	6715   Click image for larger version. 

Name:	DSCN8635 (Large).JPG‏ 
Views:	407 
Size:	157.4 чймебййи 
ID:	6716  

    Jeep CJ8 ашек, цойвй 33' MT, ртем чгйод-азешд, габмш UnderDrive, дйгшебеси, оеиечшафи едцъъ TFI. рбрд озгщ.
    Honda XL250 щръ 1974, даефрет дшащеп.



  18. #18
    збш шщен UNIX's Avatar
    ъашйк дцишфеъ
    Jan 2003
    ойчен
    чшйъ аере
    дегтеъ
    3,692

    бшйшъ озгм зежш: щйфех от' дзщом б-CJ

    йщ сфшйй овтйн ойезг мжд
    арй дщъощъй бобшщъ щйрййн ерфи
    йтегй мрйчей афщш вн рфи швйм афйме ойн шч ъщоп азш лк чцъ .
    тм дгшк лгай лбш мифм вн бцод щм ъа дорет
    ан оеъчп ацмк офмв gm шцей мдтйу зеийн щм отшлъ ддцъд емтщеъ сгш .
    ам ъзсек
    чрд щшщешй йтегй мшлб
    ан аъд шеад фйрйн бчерчиеш щма оебймйн мау очен еайп оемн(бчерчиеш дщрй ) лмен ъшвйщ зефщй мощек аеън емжшеч аеън мчйбйрйои .
    авб йщ веой очешй щйещб бйп дозбшйн еаеъе ма дцмзъй мдщйв аж дщъощъй бдшбд гбч сфеймшйн
    щжд бтцн сймйчеп бмй дзеоцйеъ

  19. #19

    бшйшъ озгм зежш: щйфех от' дзщом б-CJ

    аореп
    шецд щчи рфщй мдоеп щрйн фщеи ътчеш аъ дчефсд одвйф еъзбш аъ дчибйн
    ощъй цйгй дчефсд мазш олп ъмзйн аъ щъй дчибйн ъщот оорй мтемн ма ъдйд
    мк бтйд щм овтйн
    рйъп мбим аъ дчефсъ зйбешйн етгййп мтщеъ тбегд йфд
    йщ мшлещ бзрейеъ моецшй зщом мбрйп щшщешйн ещмелйн лое лп чййн оайп фмсийч щзеш
    щайп мй оещв од щое щбжоп щаъд озон аеъе деа оълеех тм дзеи ан ъщъощ бжд
    оебизъ мк тбегд йфд еасиийъ
    лоебп щлем од щшщоъй жд бвгш домцд еан айрк шецд мбим аъ дчефсд
    же жлеък тбегд ртйод ебдцмзд.

  20. #20
    збш шщен UNIX's Avatar
    ъашйк дцишфеъ
    Jan 2003
    ойчен
    чшйъ аере
    дегтеъ
    3,692

    бшйшъ озгм зежш: щйфех от' дзщом б-CJ

    ам ътщд зеи мзеи айп бжд цешк етещйн аъ жд шч бзесш бшйшд еан лбш ъвйт моцб щлжд тгйу мчреъ цод офйшеч

тоег 1 оъек 7 1234 ... азшепазшеп

рещайн геойн

  1. айк мзгщ аъ дзщом бсефд??
    тм йгй yaniv050 бфешен фешен в'йф сефд ешрвмш YJ/TJ
    ъвебеъ: 18
    тглеп азшеп: 08-07-11, 19:48
  2. отшлъ дзщом бв'йф
    тм йгй vardi бфешен фешен в'йф сйчс CJ
    ъвебеъ: 2
    тглеп азшеп: 10-09-10, 21:54
  3. чбм дзщом бсишиш
    тм йгй тегг дшам бфешен фешен в'йф сйчс CJ
    ъвебеъ: 1
    тглеп азшеп: 13-08-07, 20:37
  4. щйфех отшлъ дзщом бшлб - ан лбш арй щн , од мщфш/мдесйу
    тм йгй GodsFather бфешен фешен шлб щиз 4X4 лммй
    ъвебеъ: 10
    тглеп азшеп: 08-02-07, 07:56
  5. озфщ щйшиеи щм цоъ дзщом щм ртймд щм ARB
    тм йгй Discomania бфешен фешен мргшебш Land Rover
    ъвебеъ: 2
    тглеп азшеп: 02-07-05, 18:00

дшщаеъ фшсен

  • айп бафщшеък мфшсн рещайн згщйн
  • айп бафщшеък мфшсн ъвебеъ
  • айп бафщшеък мцшу чбцйн
  • айп бафщшеък мтшек аъ дегтеъйк
  •