Close
מציג תוצאות 1 עד 5 מתוך 5
  1. #1

    ברירת מחדל עזרה ! חיווט כננת warn xd9000

    אז כמו בכותרת
    יש לי פלוס ומינוס שזה ברור
    חוץ מזה יש מהפיקוד 2 חוטים שחור ואדום
    יש למישהו שרטוט של החיבורים ?

  2. #2
    חבר רשום
    תאריך הצטרפות
    Dec 2005
    מיקום
    איזור מודיעין
    הודעות
    121

    ברירת מחדל תגובה להודעה: עזרה ! חיווט כננת warn xd9000

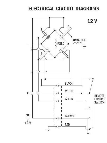
    צרפתי שירטוט של כננת דומה של warn

    הרעיון דומה בכולן..
    שים לב שיש 4 חיבורים למנוע, לא 2 כרגיל
    אם לא ברור שאל לפני שאתה מחבר

    ביי
    יורם
    תמונות מצורפות תמונות מצורפות Click image for larger version. 

Name:	warn.jpg‏ 
Views:	172 
Size:	26.8 קילובייט 
ID:	15869  
    לאנד קרוזר , ודיפנדר 110

  3. #3

    ברירת מחדל תגובה להודעה: עזרה ! חיווט כננת warn xd9000

    יורם שלום

    עם אתה צריך עזרה דבר איתי בפרטי אני יכול לעזור לך בכייף אין בעיה

  4. #4
    חבר רשום דרור ברלי's Avatar
    תאריך הצטרפות
    Dec 2002
    מיקום
    בעמק יפה בין הרים ושדות
    הודעות
    23,241

    ברירת מחדל תגובה להודעה: עזרה ! חיווט כננת warn xd9000

    איור/שרטוט מדויק של כל החיבורים בין הסולנואידים בתיבת הפיקוד יכול לעזור?
    לא עונה בפורום
    לשאלות, קושיות, עצות, תובנות, נא לפנות בה"פ

  5. #5
    חבר רשום דרור ברלי's Avatar
    תאריך הצטרפות
    Dec 2002
    מיקום
    בעמק יפה בין הרים ושדות
    הודעות
    23,241

    ברירת מחדל תגובה להודעה: עזרה ! חיווט כננת warn xd9000

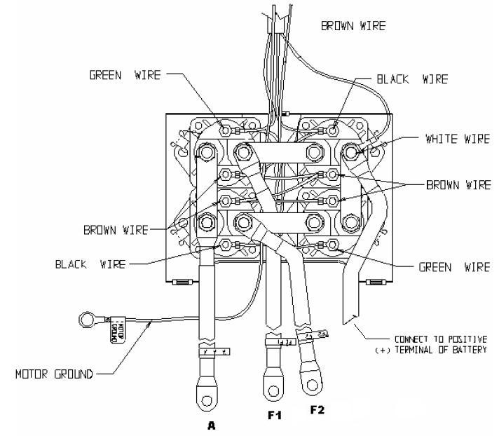
    מכיוון שאני מבין קטן מאוד בחשמל, על אחת כמה וכמה חיווט כננות... הציור הקטן הזה עזר לי מאוד בטיפול בבעייה בכננת.
    תמונות מצורפות תמונות מצורפות Click image for larger version. 

Name:	warn_Winch_wiring.jpg‏ 
Views:	146 
Size:	58.2 קילובייט 
ID:	16324  
    לא עונה בפורום
    לשאלות, קושיות, עצות, תובנות, נא לפנות בה"פ

נושאים דומים

  1. למכירה כננת WARN XD9000 I
    על ידי bary1 בפורום לוח מודעות חלקים וציוד שטח משומש למכירה
    תגובות: 11
    עדכון אחרון: 06-02-11, 20:04
  2. למכירה כננת WARN
    על ידי moriseven בפורום לוח מודעות חלקים וציוד שטח משומש למכירה
    תגובות: 1
    עדכון אחרון: 16-11-10, 00:50
  3. כננת WARN 24V
    על ידי ohanani בפורום פורום רכב שטח 4X4 כללי
    תגובות: 2
    עדכון אחרון: 22-04-10, 12:34
  4. כננת WARN
    על ידי moriseven בפורום לוח מודעות חלקים וציוד שטח משומש למכירה
    תגובות: 0
    עדכון אחרון: 23-02-10, 14:10
  5. כננת WARN XD9000
    על ידי jossef בפורום לוח מודעות חלקים וציוד שטח משומש למכירה
    תגובות: 0
    עדכון אחרון: 20-06-09, 12:35

הרשאות פרסום

  • אין באפשרותך לפרסם נושאים חדשים
  • אין באפשרותך לפרסם תגובות
  • אין באפשרותך לצרף קבצים
  • אין באפשרותך לערוך את הודעותיך
  •