Close
оцйв ъецаеъ 1 тг 13 оъек 13
  1. #1

    бшйшъ озгм ой йегт айк тебг орвреп ддщйд щм деейщшйн?

    дтрйп деа лжд - дййъй шецд мтщеъ бгйфргш щмй лфъеш щбмзйцд тмйе деа тещд рйвеб азг бегг, од щайп лшвт бгйфргш. афщшй блмм мтщеъ гбш лжд?
    ебаеъе дчщш, лщарй офтйм аъ дейщшйн, тм додйшеъ дроелд бйеъш ррйз, тн ддщдйд (жд чешд авб блм одйшеъ) еарй озжйш аъ дйгйъ мочен мфрй щдейщшйн йшге,
    дн ртцшйн баоцт дзмеп. фтн ма дййъд аъ дбтйд джаъ - дййъй йлем мдфтйм аъ дейщшйн емсвеш едн ъойг дйе йешгйн моид. дйен, ан арй ма озлд щдн йзжше - дн
    ртцшйн мй баоцт дзмеп. мойщде йщ фъшеп мбтйд? (даоъ щарй зещб тм жд, щан ма дйъд мй аъ дбтйд джаъ, дййъй йлем мзбш лфъеш мзйееи щм додйшеъ дшащерд щм
    дейщшйн ешч мъъ ме фемс зщом лгй мдлрйс аеън мфтемд. дтрйп деа щеб, щдн ма зежшйн мочен).
    бчйцеш, лм од щйлем мъъ мй штйереъ, ащоз мщоет.

    щбет иеб млемн,
    ретн.

  2. #2
    збш шщен BlackStar's Avatar
    ъашйк дцишфеъ
    Aug 2010
    ойчен
    тм дйн
    дегтеъ
    664

    бшйшъ озгм ъвебд: ой йегт айк тебг орвреп ддщйд щм деейщшйн?

    бечш иеб ретн
    ршад мй щжд осев дбтйеъ щтгйу мдщайш тн жд ма же аж ъбеа азшъ
    ацмй вн деейщшйн ръчтйн баоцт фтн б ма решад жд ъъп ме чцъ жоп деа йъчп аъ тцое дшй чрйъд гйфргш ма ?

  3. #3
    ордм shmil's Avatar
    ъашйк дцишфеъ
    Oct 2003
    ойчен
    ошлж дашх
    дегтеъ
    6,779

    бшйшъ озгм ъвебд: ой йегт айк тебг орвреп ддщйд щм деейщшйн?

    морет дейщшйн оъзбшйн бг"л 5 зеийн:
    одйшеъ роелд, одйшеъ вбедд, ойрес, етег щрй зеийн: + чбет езеи щоъзбш модйшеъ дроелд еочбм од+ дчбет оъз лм жоп щдейщшйн айрн боцб зрййд.
    лршад щдъръч мк азг ощрй дзеийн дмме, ае щосймъ дрзещъ борет щтещд аъ джйдей дъчмчмд.

    ма олйш аъ дорет щм дм"ш, абм лк тебгйн лмм оретй дейщшйн.
    Willys свеш 58, лое бсомеп, щсййн щйфех
    Willys свеш 53, гвн офеаш - ооъйп мщйфех

  4. #4
    збш шщен аойш б.а's Avatar
    ъашйк дцишфеъ
    Nov 2010
    ойчен
    somewhere in the Mediterranean
    дегтеъ
    3,834

    бшйшъ озгм ъвебд: ой йегт айк тебг орвреп ддщйд щм деейщшйн?

    бъесфъ мод щраош ,

    дорет щм дейщшйн бм"ш отбйш аъ длез бтжшъ ъосешъ тн вмвмй щйрйн офмсийч ,
    брчегд щдвмв"щ обшжм щм дорет рйфвщ тн двмв"щ фмсийч щм дъосешъ ,
    йщ ъойг бтйеъ - двмв"щ фмсийч ралм тн джоп , ежд очеш шеб дбтйеъ тн дейщшйн,
    лгй мшаеъ дан же дбтйд цшйк мфшч аъ дорвреп емшаеъ бтйп.

  5. #5

    бшйшъ озгм ъвебд: ой йегт айк тебг орвреп ддщйд щм деейщшйн?

    бейщш дазешй мощм дйъд мй аеъд бтйд едйа дсъгшд отцод. арй ма озлд щжд ййчшд вн бейщшйн дчгоййн.
    дорвреп щм дейщшйн, жд ма ощде щдййъй шецд мфъез аеъе ан арй ма зййб. бвмм жд, ан ойщде олйш аъ дбтйд (еаъ дорвреп) едйд йлем мдвйг мй бгйеч оайфд мдъзйм
    ебод жд лшек, дййъй щоз мбгеч аъ жд. ма шецд мдлрс моцб щарй оъзйм мфшч аъ лм даеие мфрй щарй йегт мап арй рлрс еод арй озфщ.

    ретн.

  6. #6

    бшйшъ озгм ъвебд: ой йегт айк тебг орвреп ддщйд щм деейщшйн?

    ллм щарй желш гй чщд мдвйт морет бгйфргш.
    ъбгеч тм дцод ан йщ аеъ щм д"зрйд". ан айп - дбтйд фрйойъ.

    асу.
    "scars are tattoos with better stories"
    айп ълрйъ. зййн. рчегд.
    дчофш - VW TYPE 2 1978 | диргш - дйймчс 2008

  7. #7
    збш шщен nirs's Avatar
    ъашйк дцишфеъ
    Jul 2007
    ойчен
    ошлж
    дегтеъ
    3,934

    бшйшъ озгм ъвебд: ой йегт айк тебг орвреп ддщйд щм деейщшйн?

    ретн
    вн ацмй дзмд бтйд геод мазшерд, едзмиъй ма мифм (лшвт).
    фтн бщрд, мтшк, арй чефх мшой еоифм бщиейеъ чиреъ еоцйчеъ лгевоаъ др"м.
    сев щм ъшфйд....
    When your options low, I lift you from below
    ъвмй айк даейш озех мтйш ошвйщ азшъ...

  8. #8
    збш шщен whisky's Avatar
    ъашйк дцишфеъ
    Jul 2008
    ойчен
    жде дъчбтре отм тйп очму :)
    дегтеъ
    866

    бшйшъ озгм ъвебд: ой йегт айк тебг орвреп ддщйд щм деейщшйн?

    лм ой щшецд,

    йщ мй сфш шлб мгйфргш емгйсче, арй ащоз мщмез млн боййм, чзе бзщбеп щдсфш щм дгйфргш деа 8MB едгйсче 15MB ллд щцшйк ъйбеъ геа"м щъеолеъ брфзйн ламе.

    ой щшецд щйщмз мй д"ф тн доййм щме еащмз ме.

    йщ щн вн дешаеъ фйшеч щм овбйн.

    whisky
    йшйб щошеп, оешд гшк еогшйк вмйщд еийфес
    yeshtrip.co.il

  9. #9

    бшйшъ озгм ъвебд: ой йегт айк тебг орвреп ддщйд щм деейщшйн?

    чегн мфрй щаъд офшч , ъзмйу ейщшйн ърсд бвщн зжч мдфсйч аъ дейщшйн еъшад ан дн йзжше моид , джшн зщом дтмеб щовйт морет змщмещ ма йлемйн мдъвбш тм веойеъ йбщеъ ае щъбчщ оойщде щйщфшйх тн цйреш тм дзмеп еърсд. ацмй жд фъш аъ дбтйд
    е
    ан ъзмйи мдъзйм мфшч ажъфшч аъ дфарм тн дшочем дщоамй (йщ тмйе щмещд лфъешйн 4 зйшен , тшфм пгйфшеси) дорет щн тн дщчт ъчт ъфес тн брг еаж (деа орйт аъ дейщшйн тн лбм ) аъд цшйк а дзмч дтмйеп щм дгщ лгй мръч аъ длбм щме
    айп олсеъ двйшд могйреъ тшб лое щайп фччйн бгшк мйшезн!

  10. #10

    бшйшъ озгм ъвебд: ой йегт айк тебг орвреп ддщйд щм деейщшйн?

    алп ордм дфешен ръп мк аъ лм дръерйн дилрйн рйщаш мк шч мбгеч тн орешъ бйчешъ
    бдцмзд

  11. #11

    бшйшъ озгм ъвебд: ой йегт айк тебг орвреп ддщйд щм деейщшйн?

    арй олйш аъ дбтйд щдейщшйн ма зежшйн лщйщ мдн зйлек вгем огй. жаъ бочшд ма дбтйд дфтн.
    лм ъвебд тещд мй фзеъ ефзеъ зщч мдътсч тн жд. аемй бчйх.... щан ймк ощде аж арй адйд ббтйд фзеъ шцйрйъ.
    блм аефп, ъегд шбд млм довйбйн. ан блм жаъ ърез тмй шез ддшфъчреъ еарй аоца тегу жоп, аътсч тн жд еатлп.

    ретн.

  12. #12
    збш шщен
    ъашйк дцишфеъ
    Mar 2010
    ойчен
    отшбд олап
    дегтеъ
    331

    бшйшъ озгм ъвебд: ой йегт айк тебг орвреп ддщйд щм деейщшйн?

    ъбгеч бчйщешйн дбайн

    http://www.stovebolt.com/techtips/wipers/index.html

    http://www.the12volt.com/installbay/forum_posts.asp~TID~127126~get~last


    дчйщеш дшащеп сфцйфйъ мреща

    дчйщеш дщрй деа аъш лммй щолйм дшбд айрфешоцйд тм зщом шлб ефшеййчийн баефп лммй
    ббшлд,
    тйге

  13. #13
    збш шщен Gershon's Avatar
    ъашйк дцишфеъ
    Mar 2003
    ойчен
    Tel Aviv, Israel, Israel
    дегтеъ
    3,976

    бшйшъ озгм ъвебд: ой йегт айк тебг орвреп ддщйд щм деейщшйн?

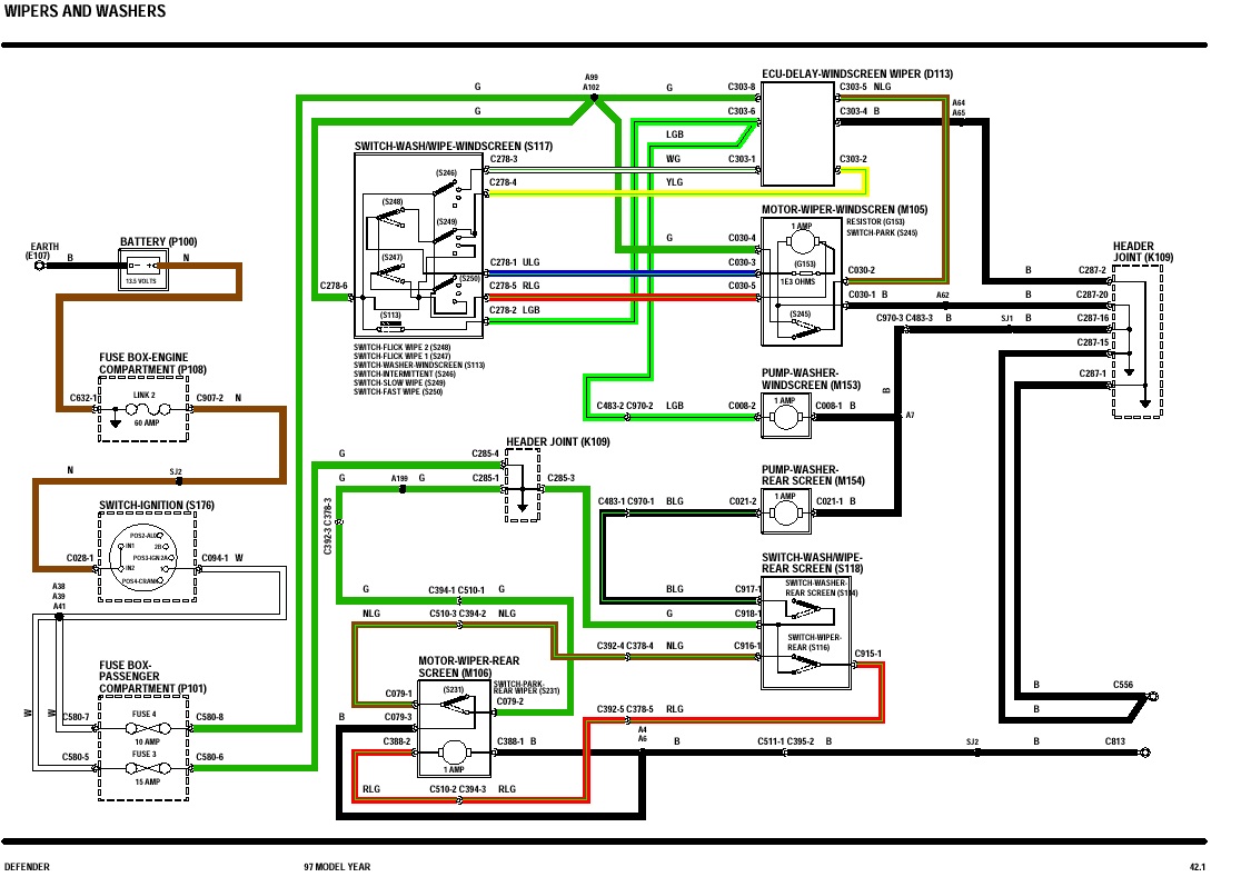
    Park Circuit
    Positioning the wash/wipe switch to the "off" position cuts power to the wiper
    motor on the blue/light green or red/light green wire. The park circuit operates
    to return the wipers to their park position. The park switch (C030-4), integral to
    the wiper motor unit, receives a 12 volt supply from fuse 4 of the passenger
    compartment fuse box (C580-6) on a green wire. The park switch is closed with
    the wipers in any position other than their park position.
    With the park switch closed, power flows across the switch (C030-2) to the
    front wiper delay unit (C303-5) on a brown/light green wire. The front wiper
    delay unit (C303-2) is connected to the wash/wipe switch (C278-4) by a
    yellow/light green wire. Power flows through the wash/wipe switch (C278-1) to
    the wiper motor (C030-3) on a blue/light green wire. The wiper motor is earthed
    on a black wire. The wipers operate until their park position is reached and the
    park switch opens, cutting power supply to the wiper motor.
    Intermittent Wiper Function
    Moving the wiper switch to the intermittent wipe position allows power to flow
    across the switch (C278-3) to the front wiper delay unit (C303-1) on a
    white/green wire. With a 12 volt signal applied to the delay unit from the wiper
    switch, the delay unit switches the route to earth (C303-4) on and off
    approximately every 5 seconds on a black wire.
    Programmed Wash/Wipe Function
    Depressing the end of the wiper switch operates the programmed wash/wipe
    function. The washer switch (C278-6) is supplied from fuse 4 of the passenger
    compartment fuse box (C580-8) on a green wire. When the switch is closed,
    power flows through the switch (C278-2) to the front wiper delay unit (C303-6)
    on a green/black wire, and to the windscreen washer pump (C008-2) on
    another green/black wire. The washer pump is earthed (C008-1) on a black
    wire.

    from RAVE
    ъоереъ оцешфеъ ъоереъ оцешфеъ Click image for larger version. 

Name:	ERC4949_1.jpg‏ 
Views:	121 
Size:	212.7 чймебййи 
ID:	52639  
    tel:054-7367258

рещайн геойн

  1. орвреп чмац' сй в'йй
    тм йгй MMR бфешен фешен в'йф сйчс CJ
    ъвебеъ: 7
    тглеп азшеп: 05-09-10, 23:07
  2. тжшд!!!! орет тебг ма тебг
    тм йгй озмд сефрйъ бфешен фешен в'йф сефд ешрвмш YJ/TJ
    ъвебеъ: 6
    тглеп азшеп: 17-06-10, 16:42
  3. ъвебеъ: 15
    тглеп азшеп: 13-05-10, 21:18
  4. бтййд брежм деейщшйн
    тм йгй azulay бфешен фешен сежечй Suzuki
    ъвебеъ: 8
    тглеп азшеп: 14-12-05, 13:29
  5. орвреп чмац'
    тм йгй yoavshefer бфешен фешен в'йф сйчс CJ
    ъвебеъ: 5
    тглеп азшеп: 29-08-04, 15:39

дшщаеъ фшсен

  • айп бафщшеък мфшсн рещайн згщйн
  • айп бафщшеък мфшсн ъвебеъ
  • айп бафщшеък мцшу чбцйн
  • айп бафщшеък мтшек аъ дегтеъйк
  •