Close
ξφιβ ϊεφΰεϊ 1 ςγ 13 ξϊεκ 13
  1. #1
    ηαψ ψωεν
    ϊΰψικ δφθψτεϊ
    Mar 2005
    ξιχεν
    λτψ ιηζχΰμ
    δεγςεϊ
    464

    αψιψϊ ξηγμ ξητω ωιψθεθ ωμ ξςψλϊ δηωξμ ωμ λππϊ WORN ΰιο μι ξεωβ δγβν δξγειιχ

    ςχα αςιεϊ ηωξμιεϊ αλππϊ δημθϊι μπρεϊ μωτυ ΰϊ ξςψλϊ δηωξμ ωμ δλππϊ
    εΰωξη μτπι ωΰπι ξτψχ ςμ ςιεεψ ςν μξιωδε ιω ΰϊ δρλξεϊ δηωξμ
    ϊεγδ

  2. #2
    ηαψ ψωεν zviki's Avatar
    ϊΰψικ δφθψτεϊ
    Sep 2009
    ξιχεν
    ψΰωμ"φ
    δεγςεϊ
    1,455

    αψιψϊ ξηγμ ϊβεαδ: ξητω ωιψθεθ ωμ ξςψλϊ δηωξμ ωμ λππϊ WORN ΰιο μι ξεωβ δγβν δξγειιχ

    ΰιο μι ΰϊ δρλξεϊ, ιω μι ΰϊ δ εεψο 8000 , μΰ ιγες ξρ γβν, δλμ φαες εΰιο πιιψεϊ,ωμθ 3 τιπιν. γεεχΰ δωαες τϊηϊι εωιτφϊι ωχς \ϊχς ωμ δωμθ. ΰν ΰϊδ αραιαδ , [ψΰωμ"φ]ξεζξο μψΰεϊ εμδςϊιχ ΰϊ ξςψλϊ δηωξμ. 052-2866694
    only in a jeep

  3. #3

    αψιψϊ ξηγμ ϊβεαδ: ξητω ωιψθεθ ωμ ξςψλϊ δηωξμ ωμ λππϊ WORN ΰιο μι ξεωβ δγβν δξγειιχ

    ιω χεαυ ωμ PDF αχιωεψ δπ"μ, αςξεγιν ξρτψ 24-26 ιω ΰϊ δρλξεϊ δηωξμιεϊ μλππεϊ M-6000 M-8000 XD-9000

    http://www.google.co.il/url?sa=t&rct...L8vtg4A5cVAQVQ

  4. #4

    αψιψϊ ξηγμ ϊβεαδ: ξητω ωιψθεθ ωμ ξςψλϊ δηωξμ ωμ λππϊ WORN ΰιο μι ξεωβ δγβν δξγειιχ

    ϊμει ΰιζδ WARN - ςν 3 τιπιν, ΰε 5 ΰε 6.
    αλμ ξχψδ ϊψιν θμτεο μιαεΰο - δπτμγ.

    ΰρσ.
    "scars are tattoos with better stories"
    ΰιο ϊλπιϊ. ηιιν. πχεγδ.
    δχξτψ - VW TYPE 2 1978 | δθπγψ - διιμχρ 2008

  5. #5
    ηαψ ψωεν
    ϊΰψικ δφθψτεϊ
    Mar 2005
    ξιχεν
    λτψ ιηζχΰμ
    δεγςεϊ
    464

    αψιψϊ ξηγμ ϊβεαδ: ξητω ωιψθεθ ωμ ξςψλϊ δηωξμ ωμ λππϊ WORN ΰιο μι ξεωβ δγβν δξγειιχ

    μτι ξδ ωΰπι χεψδ αηεαψϊ ζδ ωδμκ δξπες
    ΰπι ιτψχ ΰϊ δξπες ειψΰ ξδ ΰπι ιβμδ

  6. #6
    ηαψ ψωεν lizard's Avatar
    ϊΰψικ δφθψτεϊ
    Jan 2005
    ξιχεν
    λτψ θψεξο
    δεγςεϊ
    11,715

    αψιψϊ ξηγμ ϊβεαδ: ξητω ωιψθεθ ωμ ξςψλϊ δηωξμ ωμ λππϊ WORN ΰιο μι ξεωβ δγβν δξγειιχ

    ΰιζδ γβν ωμκ? ιω ξμΰ ηεξψ ΰαμ ΰϊδ ηιια μγςϊ γβν.

  7. #7

    αψιψϊ ξηγμ ϊβεαδ: ξητω ωιψθεθ ωμ ξςψλϊ δηωξμ ωμ λππϊ WORN ΰιο μι ξεωβ δγβν δξγειιχ

    ξπαιεπι δγμ αωιτευ λππεϊ...

    χεγν λμ τϊη ΰϊ δξλρδ ωμ δρεμπεΰιγιν εϊφμν ξδ ιω ατπιν. πελμ ξιιγ μεξψ μκ ΰιζδ ξςβμ ιω ατπιν. ωιν μα ωλεμν α WARN ΰεϊε γαψ αςιχψεο - ΰψαςδ ρεμπεΰιγιν SPST. ΰαμ αΰμε ωιω ιεϊψ ξ 3 τιπιν, ιω ξςβμ αθηεο πβγ δτςμδ μΰ ςμ ιγι δωμθ.

    αψεα δξχψιν πιχει, τιψεχ, διγεχ - τεϊψ ΰϊ λμ δαςιεϊ.
    αημχ ξδξχψιν πγψω μδημισ ρεμπεΰιγ.

    ΰρσ.

    φιθεθ πλϊα αξχεψ ςμ ιγι ιψεο βμ φτιδ αδεγςδ
    ζδ μΰ ςεζψ μι χεγν λμ μωμι ιω 4 τιπιν
    ΰαμ διΰ ςεαγϊ ΰαμ χψιζιεπψιϊ
    τςν ΰηϊ διΰ μΰ ξωηψψϊ λαμ , τςν μΰ ξεωλϊ
    ΰιο ΰιζδ ξωδε χαες
    μλο ΰπι ηεωα ωιω χφψ
    εμλο ΰπι φψικ ΰϊ δρλξεϊ αωαιμ μδαιο ΰικ διΰ ςεαγϊ εΰζ ΰπι ξχεεδ μξφεΰ ΰϊ δτιϊψεο
    "scars are tattoos with better stories"
    ΰιο ϊλπιϊ. ηιιν. πχεγδ.
    δχξτψ - VW TYPE 2 1978 | δθπγψ - διιμχρ 2008

  8. #8
    ηαψ ψωεν zviki's Avatar
    ϊΰψικ δφθψτεϊ
    Sep 2009
    ξιχεν
    ψΰωμ"φ
    δεγςεϊ
    1,455

    αψιψϊ ξηγμ ϊβεαδ: ξητω ωιψθεθ ωμ ξςψλϊ δηωξμ ωμ λππϊ WORN ΰιο μι ξεωβ δγβν δξγειιχ

    ψεα δϊχμεϊ ωδιε μι αλππεϊ ξχεψο -αωμθ μΰ ϊχιο, ωχς ϊχς, ξβς ψετσ,ξτρχ δτςμδ, ηεθιν ωπχψςε αρετιεϊ ωξηεαψεϊ μρεμπεΰιγιν [ξϊιιαωιν , μΰ βξιωιν]ΰν ΰϊδ ρβεψ ωζδ δξπες ΰιο μι ξδ μδφις. ΰν μΰ, αγιχϊ δξπες ς"ι ηιαεψ ζψν ιωιψ [ϊπιπιν] ξδξφαψ μξβςιν ωαδν ξϊηαψ δωμθ. ζδιψεϊ ξδτςμδ ψφετδ.
    ψχ ωαες ωςαψ ααγιχϊ ϊχιπεϊ ωβψϊιϊ διιϊδ μι ϊχμδ - λππϊ μΰ τεςμϊ. τϊηϊι ,δλμ ϊχιο ς"ι ηιαεψ ζψν ιωιψ. ϊχμδ ατιπιν ωμ δωμθ [3] μΰ ππςφιν, γεητιν ΰϊ δπχαεϊ τπιξδ. δεωϊμε αξχεν - ϊχς ωχς 220 ξεβο ψθιαεϊ εδλμ ρααδ.
    only in a jeep

  9. #9
    ηαψ ψωεν lizard's Avatar
    ϊΰψικ δφθψτεϊ
    Jan 2005
    ξιχεν
    λτψ θψεξο
    δεγςεϊ
    11,715

    αψιψϊ ξηγμ ϊβεαδ: ξητω ωιψθεθ ωμ ξςψλϊ δηωξμ ωμ λππϊ WORN ΰιο μι ξεωβ δγβν δξγειιχ

    ΰπι δωϊξωϊι αωχς ωμ ξιχψετεο 3 τιπιν. ζδ απερσ μξχεψι.

    ΰν μΰ ϊτϊη ΰϊ δξςψλϊ ηωξμ μΰ ϊγς. ΰπι αμι πριεο λμωδε τϊηϊι, ψΰιϊι ωδρεμεπεΰιγιν ωψετιν. δζξπϊι ξδπτμγ εΰηψι ωδιδ μι αιγ δϊημϊι μδημισ ΰϊ ξδ ωπωψσ, λεμμ ηεθιν ελγεξδ.
    ζΰϊ μΰ φξϊ ηωξμ ξρεαλϊ αξιεηγ

  10. #10
    ηαψ ψωεν
    ϊΰψικ δφθψτεϊ
    Mar 2005
    ξιχεν
    λτψ ιηζχΰμ
    δεγςεϊ
    464

    αψιψϊ ξηγμ ϊβεαδ: ξητω ωιψθεθ ωμ ξςψλϊ δηωξμ ωμ λππϊ WORN ΰιο μι ξεωβ δγβν δξγειιχ

    αωμι ιω ιεϊψ ξ 3 τιπιν ΰν ΰπι μΰ θεςδ 6
    ειω μδ χψιζεϊ ξιγι τςν ςεαγϊ ξιγι τςν μΰ
    εβν μΰ ΰηιγ ιλεμ μδιεϊ ωδιΰ ϊρϊεαα αωηψεψ ΰαμ μΰ αξωιλδ εμδιτκ

  11. #11
    ηαψ ψωεν γψεψ αψμι's Avatar
    ϊΰψικ δφθψτεϊ
    Dec 2002
    ξιχεν
    αςξχ ιτδ αιο δψιν εωγεϊ
    δεγςεϊ
    23,241

    αψιψϊ ξηγμ ϊβεαδ: ξητω ωιψθεθ ωμ ξςψλϊ δηωξμ ωμ λππϊ WORN ΰιο μι ξεωβ δγβν δξγειιχ

    ιω μΰ ξςθ ηεξψ αψωϊ, λεμμ δψαδ ξΰγ ρλξεϊ ηιεεθ ωμ χετρϊ δτιχεγ.
    ψεα δϊχμεϊ ξβιςεϊ ξλιεεο δρεμπεΰιγιν ε/ΰε χεψεζιδ αηιαεψι δηιεεθιν.

    ϊϊηιμ ξτϊιηϊ χετρϊ δτιχεγ, πιχει ιρεγι ωμ ξβςι δηιεεθιν ξχεψεζιδ ε/ΰε δημτϊ ρεμπεΰιγιν αξχψδ δφεψκ.

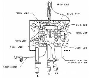
    Click image for larger version. 

Name:	warn_Winch_wiring.jpg 
Views:	210 
Size:	41.2 χιμεαιιθ 
ID:	55040
    μΰ ςεπδ ατεψεν
    μωΰμεϊ, χεωιεϊ, ςφεϊ, ϊεαπεϊ, πΰ μτπεϊ αδ"τ

  12. #12
    ηαψ ψωεν zviki's Avatar
    ϊΰψικ δφθψτεϊ
    Sep 2009
    ξιχεν
    ψΰωμ"φ
    δεγςεϊ
    1,455

    αψιψϊ ξηγμ ϊβεαδ: ξητω ωιψθεθ ωμ ξςψλϊ δηωξμ ωμ λππϊ WORN ΰιο μι ξεωβ δγβν δξγειιχ

    ΰλο λο γψεψ, χεψεζιδ αρετιεϊ δξβςιν, ϊεκ λγι θιτεμ - πϊμωε μι ωϊιιν αηιεεθ- ξϊπεγδ χμδ αδο. ξϊελπο: ηιεεθ θψι αχετρϊ δτιχεγ. μΰ ξωδε ψφιπι.
    only in a jeep

  13. #13
    ηαψ ψωεν ωηψ-ρετδ's Avatar
    ϊΰψικ δφθψτεϊ
    Aug 2003
    ξιχεν
    ΰψιΰμ
    δεγςεϊ
    1,380

    αψιψϊ ξηγμ ϊβεαδ: ξητω ωιψθεθ ωμ ξςψλϊ δηωξμ ωμ λππϊ WORN ΰιο μι ξεωβ δγβν δξγειιχ

    ααχωδ ιψεο , ζδ αγιεχ ξδ ωΰϊδ ξητω ... ! μωιξεωκ εωιξεω λεμν (ξφις μωξεψ λζδ πλρ αξεςγτιν)

    http://www.wanderingtrail.com/Repair...warnwinch.html

    αδφμηδ , ωηψ .
    παγεχ ΰϊ δξςμδ, ΰν ΰτωψ μςμεϊ ...ςεμιν. εΰν μΰ , ΰζ βν ςεμιν...
    GMC JIMMY V8 5.7 - ONE LIFE ONE CHANCE

πεωΰιν γεξιν

  1. ξςψλϊ δηωξμ αβ'ιτ
    ςμ ιγι vardi ατεψεν τεψεν β'ιτ ριχρ CJ
    ϊβεαεϊ: 2
    ςγλεο ΰηψεο: 10-09-10, 22:54
  2. ωιτευ ξςψλϊ δηωξμ αψλα - ΰν λαψ ΰπι ων , ξδ μωτψ/μδερισ
    ςμ ιγι GodsFather ατεψεν τεψεν ψλα ωθη 4X4 λμμι
    ϊβεαεϊ: 10
    ςγλεο ΰηψεο: 08-02-07, 08:56
  3. μξλιψδ λππϊ worn 9500I
    ςμ ιγι ξεπι ξδαιϊ ατεψεν μεη δξεγςεϊ ωμ β'ιτεμεβ
    ϊβεαεϊ: 0
    ςγλεο ΰηψεο: 16-02-06, 08:52
  4. λππϊ WORN 8000I + ξβω μξλιψδ
    ςμ ιγι ξεπι ΰεψακ ατεψεν μεη δξεγςεϊ ωμ β'ιτεμεβ
    ϊβεαεϊ: 0
    ςγλεο ΰηψεο: 12-12-05, 11:35
  5. ξητω ωιψθεθ ωμ φξϊ δηωξμ ωμ πςιμδ ωμ ARB
    ςμ ιγι Discomania ατεψεν τεψεν μπγψεαψ Land Rover
    ϊβεαεϊ: 2
    ςγλεο ΰηψεο: 02-07-05, 19:00

δψωΰεϊ τψρεν

  • ΰιο αΰτωψεϊκ μτψρν πεωΰιν ηγωιν
  • ΰιο αΰτωψεϊκ μτψρν ϊβεαεϊ
  • ΰιο αΰτωψεϊκ μφψσ χαφιν
  • ΰιο αΰτωψεϊκ μςψεκ ΰϊ δεγςεϊικ
  •