דף הבית
פורומים
הודעות אחרונות
הודעות חדשות
כל הפורומים
אפשרויות פורום
סמן פורומים כנקראו
מה חדש?
מבחני דרכים
אלבומים
ספרייה
טיולי ג'יפים
English
התחברות
הרשמה
זכור אותי?
Forgot your password?
הרשמה
פורום
פורום רכב שטח ו4X4
פורום לנדרובר Land Rover
RANGE P38
ג'יפולוג, אתר הבית של הג'יפאים וחובבי 4X4 בישראל מאז שנת 2001. המקור #1 בשפה העברית למידע על תחביב השטח: המלצות למסלולי טיול, שיפורי 4X4, איתור ותיקון תקלות, מבחני דרך וחוות דעת לג'יפים ו4X4 חדש ומשומש, המלצות על אביזרי חילוץ, קמפינג, בישול בשטח... שפע המידע מצטבר מדי יום בזכות הקהילה בפורום ג'יפולוג. כדי לכתוב, עליכם
להירשם
תחילה. בהצלחה!
מציג תוצאות 1 עד 1 מתוך 1
נושא:
RANGE P38
כלי נושא
גרסה להדפסה
חיפוש נושאים
חיפוש מתקדם
23-08-14,
15:06
#1
Gershon
צפייה בפרופיל
צפייה בהודעות
הודעה פרטית
ביקור בדף הבית
צפייה בכתבות
חבר רשום
תאריך הצטרפות
Mar 2003
מיקום
Tel Aviv, Israel, Israel
הודעות
3,976
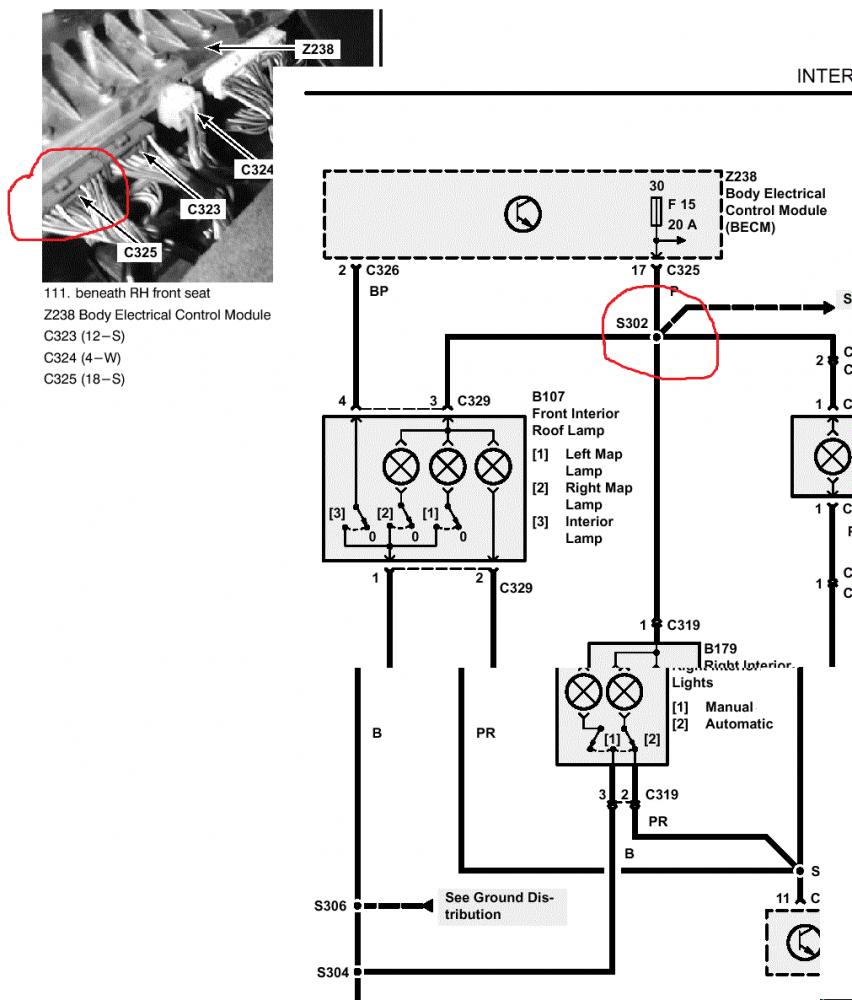
RANGE P38
אור פנימי
תמונות מצורפות
tel:054-7367258
ציטוט ההודעה בתגובה
ניווט מהיר
פורום לנדרובר Land Rover
ראש העמוד
מקומות באתר
הגדרות
הודעות פרטיות
מועדפים
מי מחובר
חיפוש פורומים
עמוד הבית
פורומים
פורום רכב שטח ו4X4
פורום רכב שטח 4X4 כללי
חידות טכניות
פורום טיולי ג'יפים ושטח
פורום דרוג עבירות של מעלות 4X4
פורום GPS ניווט וקשר
פורום טיולי ג'יפים בעולם
פורום מצלמות וצילום שטח
פורום ידיעת הארץ
פורום "מלאכי השביל"
פורום Readers Rides
פורום ג'יפאים מתחילים + יעוץ לפני קנייה
פורום הבונים + הנדסת ג'יפים
פורמולה SAE
פרויקטים
פורום CAD ותיב"מ
פורום רכב צבאי
פורום ג'יפ JEEP
פורום ג'יפ סיקס CJ
פורום ג'יפ סופה ורנגלר YJ/TJ
פורום ג'יפי צ'רוקי ואינדיאנים XJ/ZJ/WJ/WK/KJ
פורום ג'יפ רנגלר JK/JL/JT
פורום Full size Jeep
פורום שברולט/GMC
פורום פורד FORD
פורום דודג' RAM
פורום רכב פולסייז אמריקאי
פורום לנדרובר Land Rover
פורום סוזוקי Suzuki
פורום טויטה Toyota
פורום איסוזו Isuzu
פורום מיצובישי Mitsubishi
פורום ניסאן Nissan
פורום Dacia
פורום סובארו 4X4
פורום קאיה/יונדאי/סנגיונג
פורום רכב שטח רוסי
ספורט מוטורי
פורומי רכב כלליים
פורום רכב ומכוניות טכני כללי
פורום רכב חשמלי EV טכני
פורום טרקטורונים ורכבי שטח קלים
פורום קראוונים ובתים ממונעים
רישוי רכב בישראל
אוף טופיק
אוף-טופיק
פורום עשה זאת בעצמך
פורום מסחרי
לוח המודעות של ג'יפולוג
לוח מודעות רכב שטח וג'יפים למכירה
לוח מודעות חלקים וציוד שטח משומש למכירה
לוח מודעות מעוניינים לקנות
לוח ספורט מוטורי - כלי רכב, חלקים, ציוד בטיחות
לוח דרושים
«
קנית לנדרובר
|
סקר בדיקת חום מנוע דיסקברי td5
»
נושאים דומים
RANGE P38
על ידי Gershon בפורום פורום לנדרובר Land Rover
תגובות:
0
עדכון אחרון:
29-07-14,
11:44
זקוק למידע על Range Rover 3.9 EFI V8
על ידי ezmode בפורום פורום לנדרובר Land Rover
תגובות:
1
עדכון אחרון:
13-06-12,
18:39
RANGE P38
על ידי Gershon בפורום פורום לנדרובר Land Rover
תגובות:
0
עדכון אחרון:
10-05-12,
11:56
RANGE ROVER V8 from 1999
על ידי Gershon בפורום פורום לנדרובר Land Rover
תגובות:
0
עדכון אחרון:
02-02-12,
16:26
RANGE ROVER4.2 2010
על ידי Gershon בפורום פורום לנדרובר Land Rover
תגובות:
0
עדכון אחרון:
25-07-11,
14:33
הרשאות פרסום
אין באפשרותך
לפרסם נושאים חדשים
אין באפשרותך
לפרסם תגובות
אין באפשרותך
לצרף קבצים
אין באפשרותך
לערוך את הודעותיך
קוד BB
מופעל
סמיילים
מופעל
קוד
[IMG]
מופעל
[VIDEO]
code is
מופעל
קוד HTML לא מופעל
חוקי הפורום
שמרו על קשר