|
הרבה מבעלי הלנדרוברים מכירים את הנזילה מתיבת ההגה, אך השלמה איתה עלולה להוביל, בקלות, לפסילה של תיבה, או של משאבה, או גם וגם. למרות זאת, מזה כמה חודשים אני ממלא נוזל הידראולי בכמויות גדלות והולכות במערכת ההגה. עניין של זמן וסדר עדיפויות. לא היה לי זמן להוריד את התיבה ולתקן את הדורש תיקון. לקראת הטסט הקרב ובא, החלטתי לבטל את הנזילות מהתיבה. לצורך כך קניתי ערכת שיפוץ לתיבת ההגה (כ150 ₪, אוטו-מיני), ובהנחייתם ועזרתם של אורי זוהר ונרי ממוסך "ידיים טובות" החלפנו מחזירי שמן בתיבת ההגה. *תקציר איתור נזילה ממערכת ההגה: בסוף הכתבה העתקתי מתוך ספר המוסך את תהליך איתור הנזילות במערכת ההגה. הנזילה, על פי רוב היא לא מהתיבה, אלא מהצנרת- ניפלים בכניסה לתיבה, בנדים בחיבור הצינורות למיכל, או צינורות גומי בלויים. מקור שכיח נוסף לנזילה הוא מחזיר השמן בכניסה לתיבה - במקרה כזה לא נדרש להחליף את שני מחזירי השמן, אלא רק את מחזיר השמן בכניסה לתיבה- מחזיר שמן סטנדרטי 22X32 (לא צריך לקנות את כל הערכה). הדרך הפשוטה לאיתור הנזילה היא כדלהלן: -נקה היטב, בעזרת חומר ממיס שומנים ושטיפה במים את כל מערכת ההגה, כולל מיכל, צינורות ותיבה. -התנע את הרכב וסובב את ההגה עד סוף המהלך, במצב זה, הלחץ במערכת הוא מרבי, וניתן לראות מהיכן יש נזילה. אסור להחזיק את ההגה בסוף המהלך באופן רצוף במשך יותר משניות ספורות. -חזור על הבדיקה בסיבוב ההגה עד סוף המהלך לצד השני. מתי לא כדאי לתקן, אלא להחליף תיבה? אם בנוסף לנזילה יש חופש צירי באחד מצירי התיבה, נדרש שיפוץ מקיף. במקרה כזה, יהיה פשוט יותר, על פי רוב, לקנות תיבה מפירוק, ללא חופש, ולהחליף מחזירי שמן בלבד. מסקר שעשיתי בקרב מכונאי לנדרובר, שיפוץ מלא של תיבה לא מחזיק מעמד זמן רב, כיוון שהחלקים הבלויים- צירים ובית- לא מוחלפים, אלא רק חלקי הגומי והפלסטיק. פרט להחלפת מחזירי השמן בתיבה, יש לפרק ולנקות את המיכל, ולוודא ששני הצינורות המחוברים למיכל מהודקים כהלכה. סדר וניקיון - במערכת הידראולית, יש חשיבות עליונה לניקיון. המרווחים בשסתומים הפנימיים של מערכת דוגמת תיבת הגה, הם מיקרונים. המשמעות היא שמספיק חלקיק קטן מעובייה של שערה כדי לגרום לתקלה או נזק למערכת הידראולית. לכן, חשוב במיוחד לעבוד בסביבה נקייה- על רצפה נקייה, ולא בחצר, על חול או חצץ. חשוב להניח את התיבה על שולחן נקי, וחשוב בזמן ניקוי התיבה, כמו גם בזמן הסרתה והתקנתה על הרכב, לא להכניס לכלוך מהפתחים הפתוחים. לפני העבודה (מצב התחלתי): הרכב מדומם, מצבר מנותק, הגה ישר, גלגלים קדמיים באוויר, מכסה מנוע מפורק מהרכב.
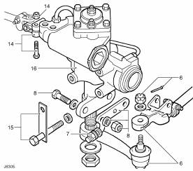
-הסר צינור מתכתי של האינטרקולר -שחרר 3 אומים, הסר 3 ברגים, (14) והסר גל הגה (מגלגל ההגה לתיבת ההגה). -פרק מוט פנהארד (שני ברגים) -הוצא פין פציל, שחרר אום וחלוץ תפוח בקצה תחתון של זרוע פיטמן (6). -הסר שני צינורות מתיבת ההגה (11) -שחרר אום (7), שחרר והוצא שני ברגים (8) והסר תמך תחתון של תיבת ההגה.
-הנח את תיבת ההגה מעל מיכל מתאים, כך שהפתחים אליהם היו הצינורות מחוברים- פונים מטה, לתוך המיכל, ועל ידי הזזת זרוע הפיטמן מספר פעמים, הוצא את הנוזל ההידראולי מהתיבה. -נקה היטב את התיבה בעזרת בנזין או כל חומר ניקוי ממיס שומנים אחר- שים לב לא להכניס לכלוך דרך הפתחים אליהם היו מחוברים הצינורות.
-שחרר אום, וחלוץ זרוע פיטמן בעזרת חולץ מתאים. -הסר כיסוי אבק (עשוי גומי), הסר טבעת קפיצית -בעזרת מקדחה קטנה ומקדח דק מספיק, קדח בדיסקית המתכתית קדח עובר. בעזרת פטיש ומדגש, הרחב את הקדח עד לקריעת הדיסקית. כשהדסקית שבורה, ניתן להרים צד אחד ולהוציאה בעזרת פלייר. -הסר מחזיר שמן- בעזרת מדגש או מברג חד נקב את מחזיר השמן, והוצא אותו החוצה באמצעות הכלי ששימש לניקובו. -הרכב מחזיר שמן חדש (כחול)- בעזרת מברג דחוף אותו למקומו. -הרכב דסקית מתכת חדשה ודחוף אות למקומה בעזרת מברג. שים לב לכיוון המדרגה בדסקית. -הרכב טבעת קפיצית. -הרכב כיסוי אבק חדש. -הרכב זרוע פיטמן והדק אום למומנט 170 ניוטון מטר
-הסר כיסוי אבק (עשוי מתכת), הסר טבעת קפיצית -דסקית מתכת מעל מחזיר השמן- לא קיימת על פי רוב- אם קיימת- הסר אותה כמו במקרה של זרוע פיטמן -הסר מחזיר שמן- בעזרת מדגש או מברג חד נקב את מחזיר השמן, והוצא אותו החוצה באמצעות הכלי ששימש לניקובו. -הרכב מחזיר שמן חדש (שחור)- דחוף אותו למקומו בעדינות- לא לקרוע. -הרכב טבעת קפיצית. -הרכב כיסוי אבק חדש (מתכתי)
-הנח את התיבה במקומה, הרכב 4 ברגים (15), עם שימוש בלוקטייט. הדק את הברגים למומנט 80 ניוטון מטר. -הרכב את התומך התחתון- הדק שני ברגים (8) למומנט 80 ניוטון מטר, ולאחר מכן הדק אום (7) למומנט 80 ניוטון- מטר. -הרכב מוט היגוי לתפוח זרוע פיטמן (6), הדק אום ואבטח בעזרת פין פציל -סובב את הגלגלים עד שהמגרעת בזרוע פיטמן נמצאת בדיוק מול הקדח בתיבה. נקודה זו היא מרכז מהלך התיבה. -יישר את גלגל ההגה. התקן את גל ההגה (מגלגל ההגה לתיבה), והדק 3 ברגים (14). הערה- מרכוז ההגה באופן כזה נכון רק לרכב לא מוגבה. במקרה של רכב מוגבה באופן משמעותי, נדרשים תיקונים נוספים למרכוז גלגל ההגה. -חבר שני צינורות שמן לתיבת ההגה -הרכב צינור מתכתי של האינטרקולר -הנמך את הרכב עד שמשקלו נתמך על ידי הגלגלים, ובמצב זה החזר את מוט הפנהארד למקומו. שים לב- הידוק בורגי הפנהארד כאשר הגלגלים באוויר עלול לקצר את חיי הבוקסות שבקצותיו באופן משמעותי.
-שחרר את פטמת הניקוז של תיבת ההגה (4) -מלא את המיכל, והמתן עד שיצא נוזל נקי מפתח הניקוז, תוך מילוי נוזל במיכל. -הדק את פטמת הניקוז, והשלם את כמות הנוזל החסרה.
*לעזרתכם, מתוך ספר האחזקה המקורי, תהליך איתור תקלות לנזילה ממערכת ההגה:
1. Is fluid level correct? YES - go to 3. NO - Refill or drain to correct level. Bleed system, check for leaks See Repair, Power Steering System - Bleed. 2. Is problem resolved? YES - end NO - continue. 3. Are hoses or joints leaking? Check on full lock with engine at 2000 rev/min. YES - loosen and retorque joints. NO - go to 6. 4. Does leak remain? YES - change PAS pipe. NO - end. 5. Does leak remain? YES - suspect seal in component. Check and replace as necessary. NO - end. 6. Is oil escaping from filler cap? YES - bleed system See Repair, Power Steering System - Bleed. NO - go to 8. 7. Is oil still escaping from filler cap? YES - go back to 1. NO - end. 8. Is oil leaking from PAS pump? YES - go to 10. NO - continue. 9. Is oil leaking from PAS box? YES - go to 10. NO - end. 10. Clean unit, add tracer dye to system. Retest 11. Is oil still leaking? YES - establish leak point. Repair or replace unit as necessary. NO - end
|









תפריט ראשי
ניווט לפי מותגי 4X4
פורום 4X4 הודעות אחרונות

