?
1. JEEP , , .
2.
3. ...
' 4.0 , XJ, YJ/TJ ZJ.
, ' , - .
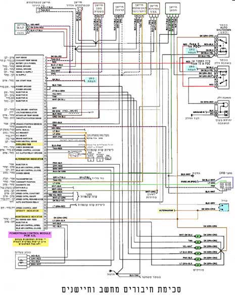
, - PDC( ) .
YJ, 95 (), . OBDII, , . , , , , , . DRB, , ' 96, MANUAL , .
, , , , , .
, .
, , . , , - , " ", , , , ".
, -PDC.
?
, 258 , , ...
, .
/ /'.
.
.
( ).
( ).
.
.
.
.
.
.
(MAP).
(TPS).
.
.
.
(O2).
VSS (). , .
( , ).
(, ).
4/6 .
.
.
.
:
- -' "/" . .
- , , ' 94 , 105c ( 31 ).
- , .
2 , , , .
?
. , .
, , , , / .
, , . , . ?
. , , .
, . "", . , , / , . , , .
PDC , (ASD, Fuel, Starter) .
, , . ?
, 5 :
- 12V #3 ( -PDC).
- RUN -START #9 . ( -PDC). ( , , ).
- - PDC.
- #51 -PDC 4 ".
- (-) / PDC #11 #12.
***** (-) 30 , (-) Park / Neutral
. , .
, :
, (-) 32 . + .
" #43 ( : " -4 . ? ! .
( ) VSS ( 47).
(-) , #29 .
, :
" ") (-) #54 .
4 . .
:
: . , , , . .
, , , 1.5 ", , . .
/ VSS: -VSS
VSS "" .
: , :
, .
/ , , .
: , 21 lb/s. 24 lb/s: "0-280-155-752 (12554271),0-280-155-931 (12561462), 0-280-155-715.
: , 4.0 " . / .
100-10Kohm
12V ' #20 , . , .: . , , . ? , , , . .
: 10 ", 8 ". 8 " 6 ".
, . .
: , /' . , :
: . "".
: , , ' , . , , '/ 6 .
. 94 , , .
, , , , . , .
.
:
- .
- .
- ( 3).
- RUN -Start ' ( 9).
- Start.
- , 1-2 .
- , .
- .
- .
. , .
, 2 3 .
, . .
.




15
4X4
4X4

